PRÍVESNÝ LODNÝ MOTOR PARSUN F6ABM F5ABM
NÁVOD NA OBSLUHU
Obsah
- 1. Hlavné súčasti a všeobecné informácie
- 2. Prevádzka
- 3. Údržba
- 3.1 Mazanie
- 3.2 Čistenie a nastavenie zapaľovacej sviečky
- 3.3 Kontrola palivového systému
- 3.4 Kontrola voľnobežných otáčok
- 3.5 Výmena motorového oleja
- 3.6 Kontrola elektrických rozvodov a konektorov
- 3.7 Kontrola netesností
- 3.8 Kontrola lodnej skrutky
- 3.9 Výmena prevodového oleja
- 3.10 Čistenie palivovej nádrže
- 3.11 Kontrola a výmena anód
- 3.12 Kontrola horného krytu
- 3.13 Tabuľka údržby
- 4. Preprava a skladovanie
- 5. Postupy v núdzových situáciách
- 6. Riešenie problémov
- 7. Elektrická schéma
1. Hlavné súčasti a všeobecné informácie
1.1 Hlavné súčasti

Poznámka: * Palivová nádrž je inštalovaná podľa príslušného modelu.
Ak má váš model prenosnú palivovú nádrž, jej súčasti sú nasledovné:


- Uzáver palivovej nádrže 3. Odvzdušňovacia skrutka
- Palivová spojka 4. Ukazovateľ paliva
Ak má váš model zabudovanú palivovú nádrž, jej súčasti sú nasledovné:

- Uzáver palivovej nádrže 4. Palivový kohút

- Odvzdušňovacia skrutka 3. Zabudovaná palivová nádrž
VAROVANIE:
- Palivová nádrž pripojená k tomuto motoru sa smie používať iba na prívod paliva pre jeho prevádzku a nesmie sa používať ako nádrž na skladovanie paliva.
- Pri používaní prenosnej palivovej nádrže musí byť palivový kohút v zatvorenej polohe.
- Pri používaní zabudovanej palivovej nádrže odpojte palivovú spojku.
1.2 Všeobecné informácie
1.2.1 Špecifikácie
Hlavné technické údaje:
| Položka | Údaje | Položka | Údaje |
|---|---|---|---|
| Typ motora | 4-taktný | Hmotnosť (L) | 28 kg |
| Zdvihový objem | 148 cm³ | Odporúčané palivo | Bežný bezolovnatý benzín |
| Vŕtanie x zdvih | 64 × 46 mm | Kapacita zabudovanej nádrže | 1,3 l |
| Prevodový pomer | 2,08 (27/13) | Odporúčaný motorový olej | SAE10W30 alebo SAE10W40 |
| Celková dĺžka | 718 mm | Kapacita motorového oleja | 0,6 l |
| Celková šírka | 390 mm | Odporúčaný prevodový olej | Hypoidný prevodový olej SAE #90 |
| Celková výška (S) | 1050 mm | Kapacita prevodového oleja | 100 cm³ |
| Celková výška (L) | 1177 mm | Zapaľovacia sviečka | CR6HSA |
| Hmotnosť (S/L) | 27/28 kg | Vzdialenosť elektród sviečky | 0,6 ~ 0,7 mm |
Hlavný výkon
| Položka | Údaje | Položka | Údaje |
|---|---|---|---|
| Maximálny výkon (F5A) | 3,7 kW / 5500 ot./min (5HP) | Vôľa ventilov IN (studený motor) | 0,08 ~ 0,12 mm |
| Maximálny výkon (F6A) | 4,4 kW / 5500 ot./min (6HP) | Vôľa ventilov EX (studený motor) | 0,08 ~ 0,12 mm |
| Rozsah prevádzky pri plnom plyne | 4500 ~ 5500 ot./min | Uťahovací moment - Sviečka | 13,0 Nm |
| Voľnobežné otáčky (v neutrále) | 1500 ± 50 ot./min | Uťahovací moment - Výpustná skrutka | 18,0 Nm |
1.2.2 Pokyny pre dopĺňanie paliva
| Odporúčaný benzín: | |||
|---|---|---|---|
| Bežný bezolovnatý benzín. Ak nie je k dispozícii, | |||
| použite prémiový bezolovnatý benzín. |
Ak dôjde k detonačnému spaľovaniu (klopaniu), použite inú značku benzínu alebo prémiové bezolovnaté palivo. Ak sa bežne používa olovnatý benzín, ventily motora a súvisiace časti sa musia kontrolovať každých 100 prevádzkových hodín.
⚠ VAROVANIE:
- Pri dopĺňaní paliva nefajčite a nepribližujte sa k iskrám, plameňom ani iným zdrojom zapálenia.
- Pred dopĺňaním paliva zastavte motor.
- Dopĺňajte palivo v dobre vetranom priestore. Prenosné nádrže dopĺňajte mimo lode.
- Neprepĺňajte palivovú nádrž.
- Dávajte pozor, aby ste benzín nerozliali; ak sa benzín rozleje, ihneď ho utrite.
- Po doplnení pevne utiahnite uzáver nádrže.
- Ak dôjde k prehltnutiu benzínu, vdýchnutiu benzínových výparov alebo zasiahnutiu očí benzínom, okamžite vyhľadajte lekársku pomoc.
- Ak sa benzín dostane na pokožku, ihneď ju umyte mydlom a vodou. Ak sa benzín rozleje na oblečenie, prezlečte sa.
- Priležte tankovaciu pištoľ ku kovovým častiam, aby ste zabránili vzniku elektrostatických iskier.
UPOZORNENIE:
Používajte iba čerstvý a čistý benzín, skladovaný v čistých nádobách a neznečistený vodou alebo cudzími látkami.
Motorový olej:
Odporúčaný motorový olej: Olej pre 4-taktné lodné motory SAE10W30 a SAE10W40 (0,5 l).
VAROVANIE:
- Neštartujte motor pri nízkej hladine oleja. Môže dôjsť k vážnemu poškodeniu.
- Pred naštartovaním motora vždy skontrolujte hladinu oleja.
UPOZORNENIE:
Všetky 4-taktné motory sa dodávajú z výroby bez motorového oleja.
1.2.3 Výber lodnej skrutky
Výkon vášho prívesného motora bude kriticky ovplyvnený výberom lodnej skrutky, pretože nesprávny výber môže nepriaznivo ovplyvniť prevádzku. Prívesný motor je vybavený lodnou skrutkou vybranou pre dobrý výkon v rôznych aplikáciách, ale môžu nastať situácie, kedy by bola vhodnejšia lodná skrutka s iným stúpaním. Predajcovia majú na sklade rôzne lodné skrutky a môžu vám poradiť a nainštalovať na váš motor lodnú skrutku, ktorá najlepšie vyhovuje vašim potrebám.
Pre väčšie zaťaženie lode a nízke otáčky motora je vhodnejšia lodná skrutka s nižším stúpaním. Naopak, lodná skrutka s vyšším stúpaním je vhodnejšia pre nižšie pracovné zaťaženie, pretože umožňuje udržiavať správne otáčky motora.
2. Prevádzka
2.1 Inštalácia
Namontujte prívesný motor na os (stredovú líniu) lode. Pri lodiach bez kýlu alebo asymetrických lodiach sa poraďte s predajcom.

- Stredová línia (línia kýlu)
POZNÁMKA:
Pri testovaní lode na vode skontrolujte jej vztlak v pokoji pri maximálnom zaťažení. Skontrolujte, či je statická hladina vody na telese výfuku dostatočne nízka, aby sa zabránilo vniknutiu vody do hlavy motora, keď voda stúpne vplyvom vĺn, kým motor nebeží.
VAROVANIE:
- Inštalácia príliš výkonného motora môže spôsobiť nestabilitu lode. Neinštalujte prívesný motor s výkonom, ktorý presahuje maximálny povolený výkon uvedený na štítku lode. Ak loď nemá takýto štítok, poraďte sa s výrobcom lode.
- Nesprávna inštalácia lodného motora môže viesť k nebezpečným situáciám a zraneniam. Pri pevne inštalovaných modeloch by mal motor namontovať predajca alebo iná osoba so skúsenosťami s montážou. Ak inštalujete motor sami, mali by ste byť vyškolení skúsenou osobou. Pri prenosných modeloch by vám mal predajca alebo iná osoba so skúsenosťami s montážou lodných motorov ukázať, ako motor nainštalovať.
- Informácie uvedené v tejto časti sú len orientačné. Správna inštalácia čiastočne závisí od skúseností a konkrétnej kombinácie lode a motora.
2.1.1 Montážna výška
Montážna výška prívesného motora kriticky ovplyvňuje efektivitu jazdy lode. Ak je montážna výška príliš vysoká, dochádza ku kavitácii, čím sa znižuje ťah. Ak je montážna výška príliš nízka, odpor vody sa zvýši a tým sa zníži účinnosť motora. Nainštalujte prívesný motor tak, aby antikavitačná doska bola v úrovni medzi dnom lode a úrovňou 25 mm pod ním.

POZNÁMKA:
Optimálna montážna výška prívesného motora je ovplyvnená kombináciou lode a motora a požadovaným použitím. Skúšobné jazdy v rôznych výškach môžu pomôcť určiť optimálnu výšku montáže. Ďalšie informácie získate u svojho predajcu alebo výrobcu lode.
2.1.2 Upevnenie prívesného motora
- Utiahnite skrutky svoriek na zrkadle lode rovnomerne a pevne. Počas prevádzky prívesného motora občas skontrolujte utiahnutie skrutiek, pretože vibrácie motora by mohli spôsobiť ich uvoľnenie.

VAROVANIE:
Uvoľnené skrutky svoriek môžu spôsobiť pád alebo posun motora na zrkadle lode. To môže viesť k strate kontroly. Uistite sa, že sú skrutky pevne utiahnuté. Pravidelne kontrolujte ich utiahnutie počas prevádzky.
- Ak je váš motor vybavený záchytným okom pre poistné lanko motora, malo by sa použiť poistné lanko alebo reťaz. Pripevnite ho k bezpečnému bodu na lodi, aby ste predišli úplnej strate motora v prípade, že by náhodne spadol zo zrkadla lode.

- Pripevnite držiak k zrkadlu lode pomocou vhodných skrutiek. Podrobnosti vám poskytne váš predajca.
VAROVANIE:
Nepoužívajte nevhodné skrutky, matice alebo podložky. Po utiahnutí vykonajte skúšobnú jazdu a znova skontrolujte ich pevnosť.
2.2 Zábeh motora
Váš nový motor vyžaduje obdobie zábehu, aby sa kontaktné plochy pohyblivých častí rovnomerne opotrebovali.
UPOZORNENIE:
Nedodržanie postupu zábehu môže viesť k skráteniu životnosti motora alebo dokonca k jeho vážnemu poškodeniu.
- Počas prvej hodiny prevádzky:
Motor prevádzkujte pri 2000 ot./min alebo približne na polovičný plyn.
- Počas druhej hodiny prevádzky:
Motor prevádzkujte pri 3000 ot./min alebo približne na tri štvrtiny plynu.
- Počas nasledujúcich ôsmich hodín prevádzky:
Vyhnite sa nepretržitej prevádzke na plný plyn dlhšie ako päť minút naraz.
- Potom motor prevádzkujte normálne.
2.3 Kontroly pred prevádzkou
Palivo
- Skontrolujte, či máte dostatok paliva na plavbu.
- Uistite sa, že nedochádza k úniku paliva alebo výparov benzínu.
- Skontrolujte tesnosť spojov palivového potrubia.
- Uistite sa, že palivová nádrž je umiestnená na bezpečnom a rovnom povrchu a že palivové potrubie nie je skrútené alebo stlačené a nie je v kontakte s ostrými predmetmi.
Ovládanie
- Pred naštartovaním motora skontrolujte plyn, radenie a riadenie.
- Ovládacie prvky by mali fungovať hladko, bez zadrhávania alebo nezvyčajnej vôle.
- Skontrolujte, či nie sú uvoľnené alebo poškodené spoje.
- Keď je prívesný motor vo vode, skontrolujte funkciu štartovacieho lanka a vypínača motora.
UPOZORNENIE:
- Neštartujte motor mimo vody. Môže dôjsť k prehriatiu a vážnemu poškodeniu motora.
- Skontrolujte motor a uchytenie motora.
- Hľadajte uvoľnené alebo poškodené spojovacie prvky.
- Skontrolujte, či nie je poškodená lodná skrutka.
Kontrola hladiny motorového oleja
- Umiestnite prívesný motor do zvislej polohy (nie naklonený).

- Pomocou olejovej mierky skontrolujte hladinu oleja a uistite sa, že je medzi hornou a dolnou značkou. Ak je hladina pod dolnou značkou, doplňte olej, alebo ak je nad hornou značkou, olej odpusťte na predpísanú úroveň.

- Uzáver oleja
- Olejová mierka

- Značka hornej hladiny
- Značka dolnej hladiny
UPOZORNENIE:
Uistite sa, že mierka je úplne zasunutá do vedenia mierky.
2.4 Dopĺňanie paliva
VAROVANIE:
Benzín a jeho výpary sú vysoko horľavé a výbušné. Nepribližujte sa k iskrám, cigaretám, plameňom ani iným zdrojom zapálenia.
- Odstráňte uzáver palivovej nádrže.
- Opatrne doplňte palivo do nádrže.
- Po doplnení nádrže pevne uzavrite uzáver. Prípadné rozliate palivo utrite.
POZNÁMKA: Značka hornej hladiny paliva je vyznačená na zabudovanej palivovej nádrži.

- Značka hornej hladiny
2.5 Štartovanie motora
- Uvoľnite odvzdušňovaciu skrutku na uzávere palivovej nádrže. Jedna otáčka u vstavanej nádrže, 2 až 3 otáčky u externej nádrže.


- Otvorte palivový kohút.


Vstavaná nádrž Externá nádrž
- Pumpujte nastrekovací balónik s výstupným koncom smerujúcim nahor, kým nepocítite odpor.


- Presuňte páku radenia do polohy neutrál.

POZNÁMKA:
Zariadenie na ochranu pred štartovaním pri zaradenej rýchlosti zabraňuje naštartovaniu, ak motor nie je v neutrále. Pripevnite lanko bezpečnostného vypínača motora na bezpečné miesto na vašom odeve, ramene alebo nohe. Potom zasuňte poistku na druhom konci lanka do bezpečnostného vypínača motora.
VAROVANIE:
- Motor sa musí štartovať v neutrále; v opačnom prípade môže dôjsť k poškodeniu motora.
- Nepripevňujte lanko k odevu, ktorý by sa mohol ľahko roztrhnúť. Neveďte lanko tak, aby sa mohlo zamotať a obmedziť jeho funkciu.
- Vyhnite sa náhodnému zatiahnutiu za lanko počas bežnej prevádzky. Strata výkonu motora znamená stratu kontroly nad riadením. Bez výkonu motora môže loď prudko spomaliť. To by mohlo spôsobiť vymrštenie osôb a predmetov v lodi smerom dopredu.

- Nastavte rukoväť plynu do polohy „START“.

- Úplne vytiahnite gombík sýtiča (choke).

POZNÁMKA:
- Pri štartovaní teplého motora nie je potrebné vyťahovať sýtič.
- Ak sýtič zostane počas chodu motora v polohe „START“, motor pobeží nekvalitne alebo zhasne.
- Pomaly ťahajte rukoväť manuálneho štartéra, až kým nepocítite odpor. Potom ju silno a priamo vytiahnite, aby sa motor roztočil a naštartoval. V prípade potreby zopakujte.

- Po naštartovaní motora nechajte štartovacie lanko pomaly sa navinúť do pôvodnej polohy.
- Pomaly vráťte rukoväť plynu do polohy úplne zavretého plynu.
UPOZORNENIE:
- Ak je motor studený, je potrebné ho zahriať.
- Ak motor nenaštartuje na prvý raz, postup zopakujte. Ak motor nenaštartuje ani po 4-5 pokusoch, mierne pootočte plynom (medzi 1/8 a 1/4) a skúste to znova.
2.6 Zahrievanie motora
- Po naštartovaní motora vráťte gombík sýtiča do polohy napoly von. Približne prvých 5 minút po naštartovaní zahrievajte motor na jednej pätine plynu alebo menej. Po zahriatí motora gombík sýtiča úplne zasuňte.
UPOZORNENIE:
- Ak necháte sýtič po naštartovaní vytiahnutý, motor zhasne.
- Pri teplotách -5 ℃ alebo nižších nechajte sýtič úplne vytiahnutý približne 30 sekúnd po naštartovaní.
- Skontrolujte, či z kontrolného otvoru chladiacej vody vyteká stály prúd vody.

UPOZORNENIE:
- Ak počas chodu motora voda z kontrolného otvoru nevyteká nepretržite, motor vypnite a skontrolujte, či nie je upchatý prívod chladiacej vody na spodnej časti motora alebo samotný otvor.
- Ak problém neviete nájsť a odstrániť, obráťte sa na predajcu.
2.7 Radenie rýchlostí
VAROVANIE:
Pred radením sa uistite, že vo vode vo vašej blízkosti nie sú žiadni plavci ani prekážky.
UPOZORNENIE:
Pri radení z jazdy vpred na spätný chod alebo naopak najprv Uberte plyn tak, aby motor bežal na voľnobehu (alebo pri nízkych otáčkach).
2.7.1 Vpred
- Nastavte rukoväť plynu do polohy úplne zavretého plynu.

- Rýchlo a rozhodne presuňte páku radenia z neutrálu do polohy pre vpred.

2.7.2 Spätný chod
VAROVANIE:
Pri pri spätnom chode jazdite pomaly. Neotvárajte plyn na viac ako polovicu. V opačnom prípade sa loď môže stať nestabilnou, čo môže viesť k strate kontroly a nehode.
- Nastavte rukoväť plynu do polohy úplne zavretého plynu.

- Rýchlo a rozhodne presuňte páku radenia z neutrálu do polohy pre spätný chod.

2.8 Kormidlová páka
1. Zmena smeru
Ak chcete zmeniť smer, pohnite rukoväťou kormidlovej páky doľava alebo doprava podľa potreby.

2. Zmena rýchlosti
Otáčaním rukoväte proti smeru hodinových ručičiek zvyšujete rýchlosť a v smere hodinových ručičiek rýchlosť znižujete.
3. Indikátor plynu
Indikátor plynu sa nachádza na rukoväti plynu. Krivka spotreby paliva na indikátore plynu ukazuje relatívne množstvo paliva spotrebovaného v každej polohe plynu. Vyberte nastavenie, ktoré poskytuje najlepší výkon a úsporu paliva pre požadovanú činnosť.

- Indikátor plynu
4. Nastavenie trenia plynu
Regulátor trenia plynu sa nachádza na rukoväti kormidlovej páky, slúži na nastavenie odporu pri pohybe rukoväte plynu a môže byť nastavený podľa preferencií obsluhy. Ak chcete odpor zvýšiť, otočte regulátorom v smere hodinových ručičiek. Ak chcete odpor znížiť, otočte regulátorom proti smeru hodinových ručičiek. Keď chcete udržiavať konštantnú rýchlosť, dotiahnite regulátor tak, aby sa poloha plynu nemenila.

VAROVANIE:
Nedotiahnite regulátor trenia príliš silno. Ak je odpor príliš veľký, môže byť ťažké plynule ovplyvňovať otáčky motora, čo môže viesť k nehode.
2.9 Zastavenie motora
POZNÁMKA:
Pred zastavením motora ho najprv nechajte niekoľko minút bežať na voľnobeh alebo v nízkych otáčkach, aby vychladol. Zastavenie motora bezprostredne po prevádzke pri vysokých otáčkach sa neodporúča.
- Stlačte a podržte tlačidlo zastavenia motora (stop), kým sa motor úplne nezastaví.

POZNÁMKA:
Ak je motor vybavený lankom bezpečnostného vypínača motora, môžete motor zastaviť aj zatiahnutím za lanko a vytiahnutím poistky z vypínača.
- Dotiahnite odvzdušňovaciu skrutku na uzávere palivovej nádrže a páčku alebo gombík palivového kohúta dajte do zatvorenej polohy (OFF).


- Ak používate externú nádrž, odpojte palivové potrubie.

2.10 Nastavenie uhla náklonu
V upevňovacom držiaku sa nachádzajú 4 alebo 5 otvorov na nastavenie uhla náklonu prívesného motora.
- Zastavte motor.
- Mierne nadvihnite motor a vytiahnite tyč nastavenia náklonu z držiaka.

- Zasuňte tyč do požadovaného otvoru. Vykonajte skúšobné plavby s rôznymi uhlami náklonu, aby ste našli polohu, ktorá najlepšie vyhovuje vašej lodi a prevádzkovým podmienkam.
VAROVANIE:
- Pred nastavovaním uhla náklonu zastavte motor.
- Dávajte pozor, aby ste si pri vyťahovaní alebo vkladaní tyče neprivreli prsty.
- Pri prvom skúšaní novej polohy náklonu buďte opatrní. Rýchlosť zvyšujte postupne a sledujte akékoľvek známky nestability alebo problémov s riadením. Nesprávny uhol náklonu môže spôsobiť stratu kontroly.
2.11 Vyklápanie a spúšťanie motora
Ak nebude motor dlhší čas v prevádzke, alebo ak je loď kotvená v plytčine, prívesný motor by sa mal vyklopiť nahor, aby sa lodná skrutka a noha motora chránili pred poškodením nárazom na prekážky a aby sa znížila korózia.
VAROVANIE:
- Počas vyklápania a spúšťania motora sa uistite, že sa nikto nenachádza v blízkosti motora, a dávajte pozor, aby ste si neprivreli žiadnu časť tela medzi motor a držiak.
- Ak bude prívesný motor vyklopený viac ako niekoľko minút, dotiahnite odvzdušňovaciu skrutku a palivový kohút dajte do polohy OFF. V opačnom prípade môže dôjsť k úniku paliva.
POZNÁMKA:
- Nevyklápajte motor ťahaním za kormidlovú páku, pretože by sa mohla zlomiť.
- Prívesný motor sa nedá vyklopiť, ak je zaradený spätný chod alebo ak je motor otočený o 180° (smerom dozadu).
2.11.1 Vyklápanie hore
- Páku radenia dajte do polohy neutrál (ak je ňou vybavený) a motor nasmerujte dopredu.

- Utiahnite skrutku nastavenia trenia riadenia v smere hodinových ručičiek, aby ste zabránili voľnému otáčaniu motora.

- Dotiahnite odvzdušňovaciu skrutku. U modelov s palivovou spojkou odpojte palivové potrubie od motora.


- Zatvorte palivový kohút.

- Uchopte zadné madlo a motor úplne vyklopte nahor, až kým sa poistná páčka vyklápania automaticky nezaistí.

2.11.2 Spúšťanie dole
- Mierne nadvihnite prívesný motor.
- Pomaly motor spúšťajte nadol a súčasne potiahnite poistnú páčku vyklápania nahor.

- Uvoľnite skrutku nastavenia trenia riadenia proti smeru hodinových ručičiek a nastavte odpor riadenia podľa preferencií obsluhy.

VAROVANIE:
Ak je odpor príliš veľký, môže byť ťažké motorom otáčať, čo môže viesť k nehode.
2.12 Plavba v iných podmienkach
2.12.1 Plavba v plytkej vode
Prívesný motor sa dá čiastočne vyklopiť hore, aby sa umožnila plavba v plytkej vode.
VAROVANIE:
- Pri používaní systému na plavbu v plytkej vode nie je funkčný mechanizmus uzamknutia vyklápania. Plávajte s loďou na najnižšej možnej rýchlosti, aby ste zabránili vymršteniu motora z vody nahor, čo by mohlo viesť k strate kontroly.
- Hneď ako sa loď dostane do hlbšej vody, vráťte prívesný motor do jeho normálnej polohy.
UPOZORNENIE:
Prívod chladiacej vody na spodnej časti motora by pri nastavovaní a plavbe v plytkej vode nemal byť nad hladinou vody. V opačnom prípade môže dôjsť k vážnemu poškodeniu v dôsledku prehriatia. Postup vyklápania nájdete v časti 2.11.
2.12.2 Plavba v slanej vode
Po prevádzke v slanej vode prepláchnite kanály chladiacej vody sladkou vodou, aby ste zabránili ich upchatiu ložiskami soli.
3. Údržba
Pri používaní prívesného motora je nevyhnutná pravidelná údržba na zabezpečenie jeho výkonu.
VAROVANIE:
Pri vykonávaní údržby nezabudnite vypnúť motor, pokiaľ nie je uvedené inak. Túto prácu by mal vždy vykonávať kvalifikovaný mechanik alebo váš autorizovaný predajca.
UPOZORNENIE:
Ak sú potrebné náhradné diely, používajte iba originálne náhradné diely alebo ekvivalenty rovnakého typu a kvality.
3.1 Mazanie

3.2 Čistenie a nastavenie zapaľovacej sviečky
Zapaľovaciu sviečku by ste mali pravidelne vyberať a kontrolovať, pretože teplo a usadeniny spôsobia jej pomalé znehodnocovanie a eróziu. V prípade potreby treba sviečku vymeniť za sviečku správneho typu.
Pred montážou sviečky zmerajte medzeru medzi elektródami pomocou drôtovej mierky; v prípade potreby medzeru upravte podľa špecifikácie.

Pri montáži sviečky vždy vyčistite tesnenie a použite nové. Utrite všetky nečistoty zo závitov a sviečku zaskrutkujte na správny uťahovací moment.
3.3 Kontrola palivového systému
- Skontrolujte, či palivové hadičky nevykazujú netesnosti, praskliny alebo iné chyby. Ak nájdete nejaký problém, kontaktujte svojho predajcu a nechajte ho okamžite opraviť.
VAROVANIE:
- Pravidelne kontrolujte tesnosť palivového systému.
- Ak zistíte únik paliva, musí palivový systém opraviť kvalifikovaný mechanik.
- Pravidelne kontrolujte palivový filter. Ak sa vo filtri nachádzajú cudzie častice, vymeňte ho.
UPOZORNENIE:
Palivový filter je jednodielny jednorazový náhradný diel.

3.4 Kontrola voľnobežných otáčok
Na tento postup by sa mal použiť diagnostický tachometer. Výsledky sa môžu líšiť v závislosti od toho, či sa test vykonáva s preplachovacím nástavcom, v testovacej nádrži alebo s prívesným motorom vo vode.
- Naštartujte motor a nechajte ho úplne zahriať v neutrále, kým nepobeží hladko.
- Skontrolujte, či sú voľnobežné otáčky v súlade so špecifikáciou. Voľnobežné otáčky: 1500 ± 50 ot./min.
UPOZORNENIE:
Správna kontrola voľnobežných otáčok je možná len vtedy, keď je motor úplne zahriaty. Ak motor nie je úplne zahriaty, voľnobežné otáčky budú vyššie ako normálne. Ak máte ťažkosti s kontrolou voľnobežných otáčok alebo ak je potrebné voľnobežné otáčky nastaviť, poraďte sa so svojím predajcom alebo iným kvalifikovaným mechanikom.
3.5 Výmena motorového oleja
VAROVANIE:
- Nevypúšťajte motorový olej bezprostredne po vypnutí motora. Olej je horúci a musí sa s ním zaobchádzať opatrne, aby sa predišlo popáleniu.
- Uistite sa, že prívesný motor je bezpečne upevnený k zrkadlu lode alebo k stabilnému stojanu.
UPOZORNENIE:
- Vymeňte motorový olej po prvých 10 hodinách prevádzky a potom každých 100 hodín alebo v 6-mesačných intervaloch. V opačnom prípade sa motor rýchlo opotrebuje.
- Motorový olej vyieňajte, kým je olej ešte teplý.
- Umiestnite prívesný motor do zvislej polohy (nie naklonený).
- Pripravte si vhodnú nádobu s objemom väčším ako je objem motorového oleja. Konajúc uvoľnite a vytiahnite výpustnú skrutku, pričom nádobu držte pod výpustným otvorom. Potom odstráňte uzáver plniaceho otvoru oleja. Nechajte olej úplne vytiecť. Prípadný rozliaty olej ihneď utrite.

- Na výpustnú skrutku oleja dajte nové tesnenie. Dotiahnite výpustnú skrutku.
- Cez plniaci otvor doplňte správne množstvo oleja. Namontujte plniaci uzáver.
- Naštartujte motor a uistite sa, že nikde neunika olej.
- Motor vypnite a počkajte 3 minúty. Znova skontrolujte hladinu oleja pomocou mierky a uistite sa, že hladina je medzi hornou a dolnou značkou.
UPOZORNENIE:
Ak sa motor používa v nepriaznivých podmienkach, napríklad pri dlhodobom trollingu (pomalá plavba), olej by sa mal meniť častejšie.
3.6 Kontrola elektrických rozvodov a konektorov
Skontrolujte, či je každý uzemňovací vodič správne upevnený a či je každý konektor pevne zapojený.
3.7 Kontrola netesností
Skontrolujte prípadné úniky výfukových plynov alebo vody v spojoch medzi krytom výfuku, hlavou valcov a telesom valcov.
Skontrolujte tiež, či okolo motora neuniká olej.
UPOZORNENIE:
Ak zistíte akékoľvek úniky, poraďte sa so svojím predajcom.
3.8 Kontrola lodnej skrutky
VAROVANIE:
- Pred kontrolou, demontážou alebo montážou lodnej skrutky vykonajte opatrenia, aby sa dno motora náhodne nenaštartovalo, napríklad vytiahnutím fajky zo sviečky, zaradením neutrálu, vytiahnutím poistky stop lanka a pod. Ak by sa motor naštartoval a vy by ste boli v blízkosti lodnej skrutky, mohlo by dôjsť k ťažkému zraneniu.
- Pri povoľovaní alebo uťahovaní matice lodnej skrutky nedržte lodnú skrutku rukou. Medzi antikavitačnú dosku a lodnú skrutku vložte drevený klin, aby ste zabránili otáčaniu skrutky.


- Skontrolujte každý list lodnej skrutky na známky opotrebovania, erózie v dôsledku kavitácie alebo iného poškodenia.
- Skontrolujte, či nie je poškodený hriadeľ lodnej skrutky.
- Skontrolujte drážkovanie/strižný kolík na opotrebovanie alebo poškodenie.
- Skontrolujte, či sa okolo hriadeľa lodnej skrutky nenavinul rybársky vlasec.
- Skontrolujte, či nie je poškodené gufero (olejové tesnenie) hriadeľa.
3.8.1 Demontáž lodnej skrutky
- Vyrovnajte závlačku a vytiahnite ju kliešťami.
- Odstráňte maticu lodnej skrutky, podložku a dištančné puzdro (ak tam sú).
- Odstráňte lodnú skrutku a prítlačnú podložku.
3.8.2 Montáž lodnej skrutky
UPOZORNENIE:
- Pred montážou lodnej skrutky nezabudnite namontovať prítlačnú podložku, inak môže dôjsť k poškodeniu spodnej časti nohy a náboja skrutky.
- Vždy používajte novú závlačku a jej konce bezpečne ohnite. V opačnom prípade by skrutka mohla počas plavby vypadnúť a stratiť sa.
- Na hriadeľ lodnej skrutky naneste lodnú vazelínu alebo vazelínu odolnú voči korózii.
- Na hriadeľ namontujte prítlačnú podložku, skrutku a prípadné dištančné puzdro.
- Namontujte podložku.
- Dotiahnite maticu lodnej skrutky. Zarovnajte maticu s otvorom v hriadeli. Do otvoru vložte novú závlačku a ohnite jej konce.
3.9 Výmena prevodového oleja
VAROVANIE:
- Uistite sa, že prívesný motor je bezpečne upevnený k zrkadlu lode alebo k stabilnému stojanu.
- Nikdy nevstupujte pod spodnú časť nohy motora, keď je vyklopený nahor, aj keď je zaistený poistnou páčkou. V prípade pádu motora by mohlo dôjsť k vážnemu zraneniu.
- Nakloňte prívesný motor tak, aby výpustná skrutka prevodového oleja bola v čo najnižšom bode.
- Pod prevodovú skriňu umiestnite vhodnú nádobu.
- Odstráňte výpustnú skrutku prevodového oleja.

- Výpustná skrutka prevodového oleja
- Kontrolná skrutka hladiny oleja
UPOZORNENIE:
Vymeňte prevodový olej po prvých 10 hodinách prevádzky a potom každých 100 hodín alebo v 6-mesačných intervaloch. V opačnom prípade sa ozubené kolesá rýchlo opotrebujú.
- Odstráňte kontrolnú skrutku hladiny, aby olej úplne vytiekol.
UPOZORNENIE:
Po vypustení použitý olej skontrolujte. Ak je bielo mliečny, do prevodovky sa dostala voda, čo môže spôsobiť poškodenie prevodov. Poraďte sa s predajcom.
- Pomocou flexibilného nástavca alebo tlakovej plničky vstrekujte prevodový olej do otvoru pre výpustnú skrutku.
- Keď začne olej vytekať z otvoru pre kontrolnú skrutku hladiny, zasuňte a dotiahnite kontrolnú skrutku (v prípade potreby vymeňte tesniacu podložku).
- Zasuňte a dotiahnite výpustnú skrutku prevodového oleja (v prípade potreby vymeňte tesniacu podložku).
3.10 Čistenie palivovej nádrže
VAROVANIE:
- Pri čistení palivovej nádrže sa nepribližujte k iskrám, cigaretám, plameňom ani iným zdrojom zapálenia.
- Palivovú nádrž čistite vonku v dobre vetranom priestore.
- Vypustite palivovú nádrž do schválenej nádoby.
- Do nádrže nalejte malé množstvo vhodného rozpúšťadla. Nasaďte uzáver a nádržou potraste. Rozpúšťadlo úplne vylejte.
- Vytiahnite palivovú spojku (saciu zostavu) z nádrže.
- Filter vyčistite vo vhodnom čistiacom rozpúšťadle a nechajte ho vyschnúť.
- Vymeňte tesnenie za nové. Znovu namontujte palivovú spojku a pevne dotiahnite skrutky.
3.11 Kontrola a výmena anód
Pravidelne kontrolujte vonkajšie anódy. Očistite povrch anód od usadenín. O výmene vonkajších anód sa poraďte so svojím predajcom.
UPOZORNENIE:
Anódy nenatierajte farbou, stratili by svoju účinnosť a mohlo by dôjsť k rýchlej korózii motora.

3.12 Kontrola horného krytu
Skontrolujte dosadnutie horného krytu tak, že naň zatlačíte oboma rukami. Ak je kryt voľný, nechajte ho u predajcu opraviť.

3.13 Tabuľka údržby
Ak sa s prívesným lodným motorom zaobchádza v súlade s bežnými podmienkami, ak sa riadne udržiava a opravuje, môže normálne fungovať počas celej svojej obvyklej životnosti.
Frekvenciu údržbových prác možno upraviť podľa prevádzkových podmienok, avšak nasledujúca tabuľka poskytuje všeobecné usmernenia.
Symbol „●“ označuje kontroly, ktoré môžete vykonať sami.
Symbol „○“ označuje práce, ktoré by mal vykonať váš predajca.
| Položka | Úkon | Prvých 10 hodín (1 mesiac) | Každých 50 hodín (3 mesiace) | Každých 100 hodín (6 mesiacov) | Každých 200 hodín (1 rok) |
|---|---|---|---|---|---|
| Anóda(-y) (vonkajšie) | Kontrola/Výmena | ● / ○ | ● / ○ | ||
| Anóda(-y) (vnútorné) | Kontrola/Výmena | ○ | |||
| Chladiace kanály | Čistenie | ● | ● | ||
| Svorky krytu | Kontrola | ● | |||
| Palivový filter (zabudovaný) | Kontrola/Čistenie | ● / ○ | ● / ○ | ● / ○ | |
| Palivový systém | Kontrola | ● | ● | ● | |
| Palivová nádrž (zabudovaná) | Kontrola/Čistenie | ○ | |||
| Palivová nádrž (prenosná) | Kontrola/Čistenie | ● | |||
| Prevodový olej | Výmena | ● | ● | ||
| Mazacie miesta | Mazanie | ● | |||
| Voľnobežné otáčky (karburátor) | Kontrola/Nastavenie | ● / ○ | ● / ○ | ||
| Lodná skrutka a závlačka | Kontrola/Výmena | ● | ● | ||
| Radenie/Lanko radenia | Kontrola/Nastavenie | ○ | |||
| Termostat | Kontrola | ○ | |||
| Kormidlová páka/Plynový prevod/Držiak/Svorky/Pitting | Kontrola/Nastavenie | ○ | |||
| Vodná pumpa | Kontrola | ○ | |||
| Motorový olej | Kontrola/Výmena | ● | ● | ||
| Zapaľovacia sviečka(-y) | Čistenie/Nastavenie/Výmena | ● | ● | ||
| Vôľa ventilov (OHV) | Kontrola/Nastavenie | ○ | ○ |
POZNÁMKA:
Pri prevádzke v slanej, zakalenej alebo blatistej vode by sa mal byť motor po každom použití prepláchnuť čistou vodou.
4 Preprava a skladovanie
4.1 Preprava
Prívesný motor by mal byť počas prepravy vo zvislej polohe, ako je znázornené na obr. 1. Ak je potrebné motor položiť, počas prepravy ho umiestnite tak, ako je znázornené na obr. 2 alebo 3.
UPOZORNENIE:
Pri preprave lode na prívese nepoužívajte opornú páčku vyklápania. Motor by sa z nej mohol uvoľniť a spadnúť. Ak motor nie je možné prepravovať v bežnej prevádzkovej polohe, použite na jeho zaistenie vo vyklopenej polohe prídavné podpery.
VAROVANIE:
- Nikdy nevstupujte pod spodnú časť nohy motora, keď je vyklopený nahor, aj keď je použitá podpera motora.
- Pri preprave umiestnite prívesný motor tak, ako je znázornené na obrázkoch nižšie.

Poznámka:
Pod motor vložte uterák alebo niečo podobné, aby ste ho ochránili pred poškodením, ak je motor v polohe zobrazenej na obr. 2, 3 alebo 4 vyššie.
4.2 Skladovanie
Pri dlhodobom skladovaní prívesného motora (2 mesiace alebo dlhšie) je potrebné vykonať niekoľko dôležitých úkonov, aby sa predišlo nadmernému poškodeniu.
UPOZORNENIE:
- Uskladňujte prívesný motor vo zvislej polohe. Ak ho skladujete na boku (nie zvisle), po úplnom vypustení motorového oleja ho položte na podložku.
- Nepokladajte motor na bok, kým z neho úplne nevytečie chladiaca voda.
- Skladujte prívesný motor na suchom, dobre vetranom mieste, mimo priameho slnečného svetla.
Pred uskladnením sa odporúča nechať urobiť údržbu motora v autorizovanom servise. Vy ako majiteľ však môžete vykonať nasledujúce postupy s minimom náradia.
- Umyte vonkajšok motora sladkou vodou.
- Dajte palivový kohút do polohy OFF, odpojte palivové potrubie a dotiahnite odvzdušňovaciu skrutku (ak tam je).
- Odstráňte horný kryt motora a kryt tlmiča sania.
- Umiestnite prívesný motor do testovacej nádrže.

- Najnižšia hladina vody
- Hladina vody
- Nádrž naplňte sladkou vodou nad úroveň antikavitačnej dosky.
UPOZORNENIE:
Ak je hladina sladkej vody pod antikavitačnou doskou alebo ak je prívod vody nedostatočný, môže dôjsť k zadretiu motora.
- Naštartujte motor. Prepláchnite chladiaci systém. Preplachovanie a „zakonzervovanie“ (fogging) vykonajte naraz, pretože zakonzervovanie motora je povinné, aby sa zabránilo hrdzaveniu motora.
VAROVANIE:
- Počas štartovania alebo chodu sa nedotýkajte ani neodstraňujte elektrické časti.
- Počas chodu motora nepribližujte ruky, vlasy ani odev k zotrvačníku a ostatným rotujúcim častiam.
- Nechajte motor bežať na zvýšenom voľnobehu niekoľko minút v neutráli.
- Tesne pred vypnutím motora rýchlo nastriekajte „konzervačný olej“ (fogging oil) striedavo do každého karburátora alebo do otvoru na to určenom na kryte tlmiča sania.
- Ak nemáte konzervačný olej, nechajte motor bežať na zvýšenom voľnobehu, kým sa palivový systém nevyprázdni a motor nezhasne.
- Ak nemáte konzervačný olej, vyberte sviečku(-y). Do každého valca nalejte čajovú lyžičku čistého motorového oleja. Motor niekoľkokrát ručne pretočte. Založte sviečku(-y) späť.
- Úplne vypustite palivo z nádrže.
UPOZORNENIE:
Pri modeloch s prenosnou nádržou: Prenosnú palivovú nádrž skladujte na suchom, dobre vetranom mieste, mimo priameho slnečného svetla.
5. Postupy v núdzových situáciách
5.1 Poškodenie nárazom
Ak prívesný motor narazí na predmet vo vode, postupujte nasledovne.
- Ihneď zastavte motor.
- Skontrolujte systém ovládania a všetky súčasti, či nie sú poškodené.
- Či už poškodenie zistíte alebo nie, vráťte sa pomaly a opatrne do najbližšieho prístavu.
- Pred ďalším použitím nechajte motor skontrolovať u predajcu.
5.2 Štartér nefunguje
Ak štartovací mechanizmus nefunguje, motor možno naštartovať pomocou núdzového štartovacieho lanka.
VAROVANIE:
- Tento postup používajte len v núdzových situáciách a len na návrat do prístavu za účelom opravy.
- Pri použití núdzového lanka na štartovanie motora nie je funkčné zariadenie na ochranu pred štartom so zaradenou rýchlosťou. Uistite sa, že páka radenia je v polohe neutrál.
- Uistite sa, že pri ťahaní za lanko nikto nestojí za vami. Mohlo by sa vymrštiť a niekoho zraniť.
- Po naštartovaní motora nemontujte späť štartovací mechanizmus ani horný kryt. Pri štartovaní motora nepribližujte k motoru voľný odev a iné predmety. Počas chodu motora sa nedotýkajte zotrvačníka ani iných rotujúcich častí.
- Počas štartovania alebo chodu motora sa nedotýkajte zapaľovacej cievky, kábla sviečky, fajky ani iných elektrických častí.
Postup je nasledovný:
- Odstráňte horný kryt.
- Odstráňte lanko aretácie štartu a lanko sýtiča.

- Lanko aretácie štartu 2. Lanko sýtiča
- Po odskrutkovaní troch skrutiek vyberte štartér.

- Znova nainštalujte dve skrutky, ktoré držia palivovú nádrž.

- Pripravte motor na štartovanie. Podrobnosti nájdete v časti 2.5.
- Uzlovatý koniec núdzového štartovacieho lanka vložte do zárezu v zotrvačníku a lanko niekoľkokrát oviňte okolo zotrvačníka v smere hodinových ručičiek.
- Pomaly ťahajte za lanko, až kým nepocítite odpor.

- Silno a priamo za lanko zatiahnite, aby sa motor roztočil a naštartoval. V prípade potreby zopakujte.
5.3 Riešenie pri zaplavení motora
Ak bol prívesný motor zaplavený vodou (ponorený), okamžite ho odvezte k predajcovi. V opačnom prípade môže takmer okamžite začať korózia.
- Dôkladne zmyte nečistoty sladkou vodou.
- Vyberte sviečku(-y) a potom otočte otvor pre sviečku smerom nadol, aby ste nechali vytiecť blato alebo nečistoty.
- Vypustite palivo z karburátora, palivového filtra a palivového potrubia. Úplne vypustite motorový olej.

- Naplňte kľukovú skriňu novým motorovým olejom.
- Pri pretáčaní motora vstrekujte do karburátora a otvorov pre sviečky konzervačný olej alebo motorový olej.

- Čo najskôr odvezte prívesný motor k predajcovi.
UPOZORNENIE:
Nepokúšajte sa prívesný motor naštartovať, kým nebude kompletne skontrolovaný.
6. Riešenie problémov
| Typ problému | Možná príčina | Nápravné opatrenie |
|---|---|---|
| Štartér nefunguje | Komponenty štartéra sú chybné | Nechajte opraviť u predajcu |
| Štartér nefunguje | Páka radenia nie je v neutrále | Preraďte do neutrálu |
| Motor nenaštartuje (štartér funguje) | Palivová nádrž je prázdna | Naplňte nádrž čistým, čerstvým palivom |
| Motor nenaštartuje (štartér funguje) | Palivo je znečistené alebo staré | Naplňte nádrž čistým, čerstvým palivom |
| Motor nenaštartuje (štartér funguje) | Palivový filter je upchatý | Vymeňte za filter odporúčaného typu |
| Motor nenaštartuje (štartér funguje) | Porucha palivového čerpadla | Nechajte opraviť u predajcu |
| Motor nenaštartuje (štartér funguje) | Zapaľovacia sviečka(-y) je znečistená alebo nesprávneho typu | Skontrolujte sviečku(-y). Vyčistite alebo vymeňte za odporúčaný typ |
| Motor nenaštartuje (štartér funguje) | Fajka(-y) sviečky nesprávne nasadená | Skontrolujte a nasaďte fajku správne |
| Motor nenaštartuje (štartér funguje) | Zapaľovacie káble poškodené alebo zle pripojené | Skontrolujte káble, či nie sú opotrebované alebo pretrhnuté. Dotiahnite spoje. Opravte káble |
| Motor nenaštartuje (štartér funguje) | Časti zapaľovania sú chybné | Nechajte opraviť u predajcu |
| Motor nenaštartuje (štartér funguje) | Lanko stop vypínača nie je pripojené | Pripojte lanko |
| Motor nenaštartuje (štartér funguje) | Vnútorné časti motora sú chybné | Nechajte opraviť u predajcu |
| Motor beží nepravidelne na voľnobehu alebo zhasína | Zapaľovacia sviečka(-y) je znečistená alebo nesprávneho typu | Skontrolujte sviečku(-y). Vyčistite alebo vymeňte za odporúčaný typ |
| Motor beží nepravidelne na voľnobehu alebo zhasína | Upchatý palivový systém | Skontrolujte, či palivové vedenie nie je stlačené alebo ohnuté, alebo či nie sú v palivovom systéme iné prekážky |
| Motor beží nepravidelne na voľnobehu alebo zhasína | Palivo je znečistené alebo staré | Naplňte nádrž čistým, čerstvým palivom |
| Motor beží nepravidelne na voľnobehu alebo zhasína | Palivový filter upchatý | Vymeňte za filter odporúčaného typu |
| Motor beží nepravidelne na voľnobehu alebo zhasína | Nesprávna medzera elektród sviečky | Skontrolujte a nastavte podľa návodu |
| Motor beží nepravidelne na voľnobehu alebo zhasína | Zapaľovacie káble poškodené alebo zle pripojené | Skontrolujte káble, či nie sú opotrebované alebo pretrhnuté. Dotiahnite spoje. Opravte káble |
| Motor beží nepravidelne na voľnobehu alebo zhasína | Použitý nesprávny motorový olej | Skontrolujte a vymeňte olej podľa návodu |
| Motor beží nepravidelne na voľnobehu alebo zhasína | Termostat je chybný alebo upchatý | Nechajte opraviť u predajcu |
| Motor beží nepravidelne na voľnobehu alebo zhasína | Nesprávne nastavenie karburátora | Nechajte opraviť u predajcu |
| Motor beží nepravidelne na voľnobehu alebo zhasína | Karburátor je upchatý | Nechajte opraviť u predajcu |
| Motor beží nepravidelne na voľnobehu alebo zhasína | Palivové čerpadlo je chybné | Nechajte opraviť u predajcu |
| Motor beží nepravidelne na voľnobehu alebo zhasína | Odvzdušňovacia skrutka na nádrži je zatvorená | Otvorte skrutku |
| Motor beží nepravidelne na voľnobehu alebo zhasína | Palivová spojka nie je dobre pripojená | Pripojte ju správne |
| Motor beží nepravidelne na voľnobehu alebo zhasína | Nesprávne nastavenie škrtiacej klapky | Nechajte opraviť u predajcu |
| Motor beží nepravidelne na voľnobehu alebo zhasína | Gombík sýtiča je vytiahnutý | Vráťte do pôvodnej polohy |
| Motor beží nepravidelne na voľnobehu alebo zhasína | Uhol náklonu motora je príliš veľký | Vráťte do normálnej prevádzkovej polohy |
| Strata výkonu motora | Lodná skrutka je poškodená | Opravte alebo vymeňte skrutku |
| Strata výkonu motora | Nie je správny uhol náklonu | Nastavte uhol na najefektívnejšiu prevádzku |
| Strata výkonu motora | Motor nie je v správnej výške na zrkadle | Upravte výšku motora |
| Strata výkonu motora | Dno lode je zanesené riasami | Očistite dno lode |
| Strata výkonu motora | Tráva alebo iné predmety na nohe motora alebo skrutke | Odstráňte predmety a vyčistite spodnú časť nohy |
| Strata výkonu motora | Zapaľovacia sviečka(-y) je znečistená alebo nesprávneho typu | Skontrolujte sviečku(-y). Vyčistite alebo vymeňte za odporúčaný typ |
| Strata výkonu motora | Upchatý palivový systém | Skontrolujte, či palivové vedenie nie je stlačené alebo ohnuté, alebo či nie sú v palivovom systéme iné prekážky |
| Strata výkonu motora | Palivový filter je upchatý | Vymeňte za filter odporúčaného typu |
| Strata výkonu motora | Palivo je znečistené alebo staré | Naplňte nádrž čistým, čerstvým palivom |
| Strata výkonu motora | Nesprávna medzera elektród sviečky | Skontrolujte a nastavte podľa návodu |
| Strata výkonu motora | Zapaľovacie káble poškodené alebo zle pripojené | Skontrolujte káble, či nie sú opotrebované alebo pretrhnuté. Dotiahnite spoje. Opravte káble |
| Strata výkonu motora | Časti zapaľovania sú chybné | Nechajte opraviť u predajcu |
| Strata výkonu motora | Použitý nesprávny motorový olej | Skontrolujte a vymeňte olej podľa návodu |
| Strata výkonu motora | Termostat je chybný alebo upchatý | Nechajte opraviť u predajcu |
| Strata výkonu motora | Odvzdušňovacia skrutka na nádrži je zatvorená | Otvorte skrutku |
| Strata výkonu motora | Porucha palivového čerpadla | Nechajte opraviť u predajcu |
| Strata výkonu motora | Palivová spojka nie je dobre pripojená | Pripojte ju správne |
| Strata výkonu motora | Nepoužívajú sa predpísané sviečky | Skontrolujte a vymeňte sviečku(-y) podľa návodu |
| Motor nadmerne vibruje | Lodná skrutka je poškodená | Opravte alebo vymeňte skrutku |
| Motor nadmerne vibruje | Hriadeľ lodnej skrutky je poškodený | Nechajte opraviť u predajcu |
| Motor nadmerne vibruje | Tráva alebo iné predmety na lodnej skrutke | Odstráňte a vyčistite skrutku |
| Motor nadmerne vibruje | Skrutka uchytenia motora je uvoľnená | Dotiahnite skrutku |
| Motor nadmerne vibruje | Čap riadenia (pivot) je uvoľnený | Dotiahnite ho |
| Motor nadmerne vibruje | Čap riadenia (pivot) je poškodený | Nechajte opraviť u predajcu |
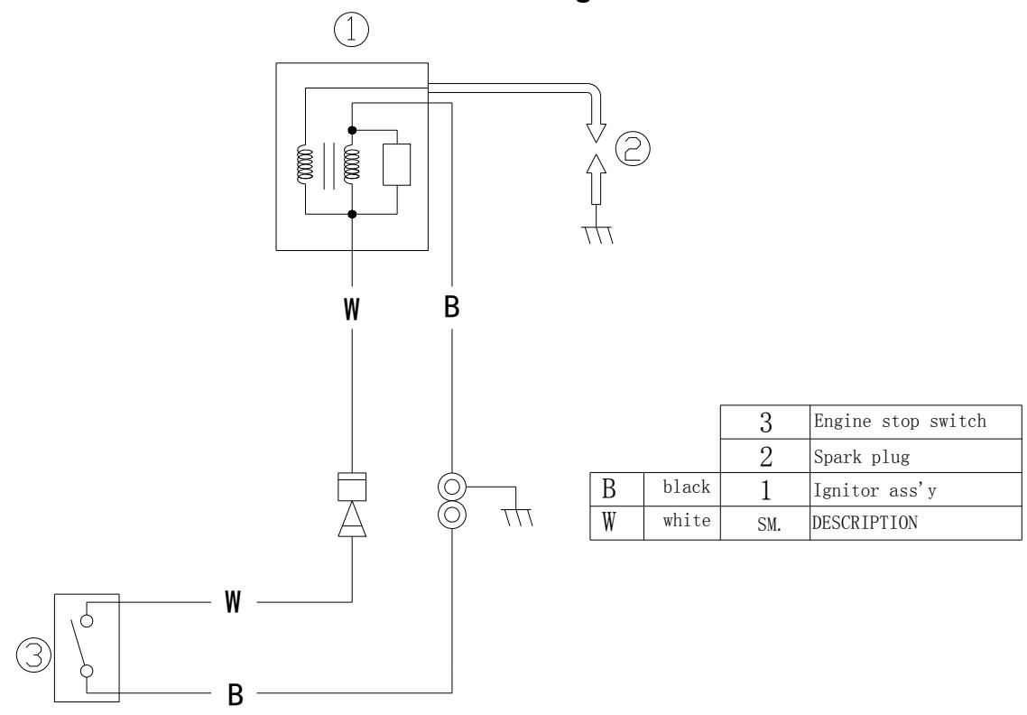
7. Elektrická schéma
