INSTRUKCJA OBSŁUGI silnika zaburtowego Parsun F4/F5
F4BM (F5BM)
Spis treści
- 1. Główne komponenty i informacje ogólne
- 2. Obsługa
- 2.1 Instalacja
- 2.2 Docieranie silnika
- 2.3 Kontrola przed uruchomieniem
- 2.4 Napełnianie paliwem
- 2.5 Uruchamianie silnika
- 2.6 Rozgrzewanie silnika
- 2.7 Zmiana biegów
- 2.8 Sterowanie dplem
- 2.9 Zatrzymywanie silnika
- 2.10 Regulacja kąta nachylenia (trim)
- 2.11 Odchylanie (tilt) w górę i w dół
- 2.12 Pływanie w innych warunkach
- 3. Konserwacja
- 3.1 Smarowanie
- 3.2 Czyszczenie i regulacja świecy zapłonowej
- 3.3 Sprawdzanie układu paliwowego
- 3.4 Kontrola prędkości biegu jałowego
- 3.5 Wymiana oleju silnikowego
- 3.6 Sprawdzanie przewodów i złączy
- 3.7 Sprawdzanie szczelności
- 3.8 Sprawdzanie śruby napędowej
- 3.9 Wymiana oleju przekładniowego
- 3.10 Czyszczenie zbiornika paliwa
- 3.11 Sprawdzanie i wymiana anod
- 3.12 Sprawdzanie górnej pokrywy
- 3.13 Tabela konserwacji
- 4. Transport i przechowywanie
- 5. Działania w sytuacjach awaryjnych
- 6. Rozwiązywanie problemów
- 7. Schemat elektryczny
1. Główne komponenty i informacje ogólne
1.1 Główne komponenty


- Górna pokrywa
- Dźwignia blokady górnej pokrywy
- Śruba oporu sterowania
- Płyta antykawitacyjna
- Śruba napędowa
- Wlot wody chłodzącej
- Dźwignia trymu
- Uchwyt mocujący
- Uchwyt rumpla
- Przycisk zatrzymania silnika
- Rękojeść rozrusznika ręcznego
- Regulator oporu przepustnicy
- Uchwyt manetki gazu
- Uchwyt do przenoszenia
- Śruba zaciskowa
- Zaczep linki zabezpieczającej
- Dźwignia blokady odchylenia
- Złącze paliwowe
- Dźwignia ssania
- Dźwignia zmiany biegów
- Zbiornik paliwa*
- Wyłącznik awaryjny (zrywka)
- Uwaga:
- * Zbiornik paliwa jest dołączony w zależności od modelu.
Jeśli model zawiera przenośny zbiornik paliwa, jego części są następujące:


- Korek wlewu paliwa
- Złącze paliwo
- Śruba odpowietrzająca
- Wskaźnik poziomu paliwa
Jeśli model zawiera wbudowany zbiornik paliwa, jego części są następujące:


- Śruba odpowietrzająca
- Korek wlewu paliwa
- Wbudowany zbiornik paliwa
- Zawór paliwa (pozycja zamknięta)
OSTRZEŻENIE
- Zbiornik paliwa dostarczony z tym silnikiem może być używany wyłącznie do zasilania paliwem podczas pracy i nie może być używany jako pojemnik do przechowywania paliwa.
- Zawór paliwa musi znajdować się w pozycji zamkniętej podczas korzystania z przenośnego zbiornika paliwa.
- Odłącz złącze paliwo podczas korzystania z wbudowanego zbiornika paliwa.
1.2 Informacje ogólne
1.2.1 Dane techniczne
Parametr
Specyfikacje
| Pozycja | Dane | Pozycja | Dane |
|---|---|---|---|
| Typ silnika | 4-suwowy | Masa (L) | 25,5 kg |
| Pojemność skokowa | 112 cm³ | Zalecane paliwo | Bezołowiowa benzyna normalna |
| Średnica x Skok | 59 mm × 41 mm | Poj. zbiornika wbud. | 1,3 L |
| Przełożenie | 2,08 (27/13) | Zalecany olej silnikowy | SAE10W30 lub SAE10W40 |
| Długość całkowita | 177 mm | Ilość oleju silnikowego | 0,5 L |
| Szerokość całkowita | 361 mm | Zalecany olej przekł. | Olej hipoidalny SAE #90 |
| Wysokość całkowita (S) | 1029 mm | Ilość oleju przekł. | 310 cm³ |
| Wysokość całkowita (L) | 1165 mm | Świeca zapłonowa | BR6HS |
| Masa (S) | 24,5 kg | Odstęp elektrod | 0,6 ~ 0,7 mm |
Osiągi
| Pozycje | Dane | Pozycje | Pozycje | Pozycje | Dane | |||
|---|---|---|---|---|---|---|---|---|
| Moc maksymalna | 2,9 Kw/4500 Obr/min (4 KM) | Luz zaworowy SSĄCY (zimny) | 0,08 ~ 0,12 mm | |||||
| Moc maksymalna | 3,6 Kw/5000 Obr/min (5 KM) | Luz zaworowy WYDECH. (zimny) | 0,08 ~ 0,12 mm | |||||
| Zakres obr. przy pełnym otwarciu przepustnicy | 4000 ~ 5000 Obr/min | Moment | Świeca zapłonowa | 25,0 Nm | ||||
| Prędkość biegu jałowego (luz) | 1500 ± 50 Obr/min | dokręcania | Korek spustowy oleju | 20,0 Nm |
1.2.2 Instrukcje tankowania paliwa
Instrukcje tankowania paliwa:
Zalecana benzyna:
Bezołowiowa benzyna normalna; jeśli niedostępna,
użyj benzyny premium.
Jeśli występuje stukanie lub dzwonienie, użyj innej marki benzyny lub bezołowiowej benzyny premium. Jeśli stale używana jest benzyna ołowiowa, zawory silnika i powiązane części muszą być sprawdzane co 100 godzin pracy.
⚠ OSTRZEŻENIE:
- Nie pal podczas tankowania i trzymaj się z dala od iskier, ognia lub innych źródeł zapłonu.
- Zatrzymaj silnik przed tankowaniem.
- Tankuj w dobrze wentylowanym miejscu. Tankuj przenośne zbiorniki paliwa poza łodzią.
- Nie przepełniaj zbiornika paliwa.
- Uważaj, aby nie rozlać benzyny; jeśli benzyna się rozleje, natychmiast ją wytrzyj.
- Po tankowaniu mocno dokręć korek wlewu.
- W przypadku połknięcia benzyny, wdychania oparów benzyny lub kontaktu benzyny z oczami, należy natychmiast zgłosić się do lekarza.
- Jeśli benzyna dostanie się na skórę, natychmiast umyj ją mydłem i wodą. Zmień ubranie, jeśli rozlała się na nie benzyna.
- Dotknij metalowych elementów dyszą paliwoą, aby zapobiec iskrzeniu elektrostatycznemu.
PRZESTROGA:
Używaj wyłącznie nowej, czystej benzyny, która była przechowywana w czystych pojemnikach i nie jest zanieczyszczona wodą ani ciałami obcymi.
Olej silnikowy:
Zalecany olej silnikowy: Olej do silników zaburtowych 4-suwowych SAE10W30 i SAE10W40 (0,5 L).
OSTRZEŻENIE:
- Nie uruchamiaj silnika, gdy poziom oleju jest niski. Może to spowodować poważne uszkodzenia.
- Zawsze sprawdzaj poziom oleju przed uruchomieniem silnika.
PRZESTROGA:
Wszystkie silniki 4-suwowe są wysyłane z fabryki bez oleju silnikowego.
1.2.3 Dobór śruby napędowej
Osiągi silnika zaburtowego zależą w dużej mierze od wyboru śruby napędowej, ponieważ niewłaściwy wybór może negatywnie wpłynąć na osiągi. Silnik zaburtowy jest wyposażony w śrubę napędową dobraną tak, aby dobrze sprawdzała się w wielu zastosowaniach, ale mogą istnieć zastosowania, w których bardziej odpowiednia byłaby śruba o innym skoku. Dealerzy "PARSUN" oferują gamę śrub napędowych i mogą doradzić oraz zainstalować śrubę, która najlepiej pasuje do Twojego zastosowania.
W przypadku większego obciążenia łodzi i niskiej prędkości obrotowej silnika bardziej odpowiednia jest śruba o mniejszym skoku. I odwrotnie, śruba o dużym skoku jest bardziej odpowiednia do mniejszego obciążenia roboczego, ponieważ pozwala na utrzymanie prawidłowej prędkości silnika.
2. Obsługa
2.1 Instalacja
Zamontuj silnik zaburtowy na osi środkowej (linii stępki) łodzi. W przypadku łodzi bez stępki lub asymetrycznych skonsultuj się z dealerem.

- oś środkowa (linia stępki)
UWAGA:
Podczas testów na wodzie sprawdź wyporność łodzi w spoczynku z maksymalnym obciążeniem. Sprawdź, czy statyczny poziom wody w obudowie wydechu jest wystarczająco niski, aby zapobiec przedostawaniu się wody do głowicy cylindrów, gdy woda podnosi się z powodu fal, gdy silnik zaburtowy nie pracuje.
OSTRZEŻENIE:
- Zastosowanie zbyt dużej mocy może spowodować poważną niestabilność łodzi. Nie instaluj silnika zaburtowego o mocy przekraczającej maksymalną moc znamionową podaną na tabliczce znamionowej łodzi. Jeśli łódź nie posiada tabliczki znamionowej, skonsultuj się z producentem łodzi.
- Nieprawidłowy montaż silnika zaburtowego może prowadzić do niebezpiecznych warunków i obrażeń. W przypadku modeli montowanych na stałe montaż powinien przeprowadzić dealer lub inna osoba doświadczona w prawidłowym olinowaniu silnika. Jeśli montujesz silnik samodzielnie, powinieneś zostać poinstruowany przez doświadczoną osobę. W przypadku modeli przenośnych dealer lub inna osoba doświadczona
- w montażu silników zaburtowych powinna pokazać, jak zamontować silnik.
- Informacje przedstawione w tej sekcji służą wyłącznie jako odniesienie. Prawidłowy montaż zależy częściowo od doświadczenia oraz konkretnej kombinacji łodzi i silnika.
2.1.1 Wysokość montażu
Wysokość montażu silnika zaburtowego ma duży wpływ na wydajność żeglugi łodzi. Jeśli wysokość montażu jest zbyt wysoka, może wystąpić kawitacja, co zmniejsza napęd. Jeśli wysokość montażu jest zbyt niska, opór wody wzrośnie, co zmniejszy wydajność silnika. Zamontuj silnik zaburtowy tak, aby płyta antykawitacyjna znajdowała się między dnem łodzi a poziomem 25 mm poniżej niego.

UWAGA:
Optymalna wysokość montażu silnika zaburtowego zależy od kombinacji łodzi i silnika oraz pożądanego zastosowania. Próby eksploatacyjne na różnych wysokościach mogą pomóc w ustaleniu optymalnej wysokości montażu. Aby uzyskać więcej informacji, skonsultuj się z dealerem "PARSUN" lub producentem łodzi.
2.1.2 Mocowanie silnika zaburtowego
- Dokręć śruby zaciskowe pawęży równomiernie i pewnie. Od czasu do czasu sprawdzaj dokręcenie śrub zaciskowych podczas pracy silnika zaburtowego, ponieważ mogą one poluzować się pod wpływem drgań silnika.

OSTRZEŻENIE:
Poluzowane śruby zaciskowe mogą spowodować wypadnięcie lub przemieszczenie się silnika zaburtowego na pawęży. Może to spowodować utratę kontroli. Upewnij się, że śruby zaciskowe są mocno dokręcone. Od czasu do czasu sprawdzaj ich dokręcenie podczas pracy.
- Jeśli silnik jest wyposażony w zaczep linki zabezpieczającej silnik, należy użyć linki lub łańcucha zabezpieczającego. Przymocuj go do bezpiecznego punktu montażowego na łodzi, aby zapobiec całkowitej utracie silnika w razie jego przypadkowego wypadnięcia z pawęży.

- Zabezpiecz uchwyt montażowy do pawęży za pomocą odpowiednich śrub. Aby uzyskać szczegółowe informacje, skonsultuj się z dealerem PARSUN.
OSTRZEŻENIE:
Unikaj używania nieodpowiednich śrub, nakrętek lub podkładek. Po dokręceniu wykonaj jazdę próbną silnika i sprawdź ich dokręcenie.
2.2 Docieranie silnika
Nowy silnik wymaga okresu docierania, aby umożliwić równomierne dotarcie współpracujących powierzchni ruchomych części.
PRZESTROGA:
Niezastosowanie się do procedury docierania może skutkować skróceniem żywotności silnika lub nawet jego poważnym uszkodzeniem.
- Podczas pierwszej godziny pracy:
Uruchom silnik przy 2000 obr/min lub przy około połowie otwarcia przepustnicy.
- Podczas drugiej godziny pracy:
Uruchom silnik przy 3000 obr/min lub przy około trzech czwartych otwarcia przepustnicy.
- Podczas kolejnych ośmiu godzin pracy:
Unikaj ciągłej pracy przy pełnym otwarciu przepustnicy dłużej niż przez pięć minut jednorazowo.
- Używaj silnika normalnie.
2.3 Kontrola przed uruchomieniem
Paliwo
- Sprawdź, czy masz wystarczającą ilość paliwa na podróż.
- Upewnij się, że nie ma wycieków paliwa ani oparów benzyny.
- Sprawdź połączenia przewodów paliwo, aby upewnić się, że są szczelne.
- Upewnij się, że zbiornik paliwa znajduje się na bezpiecznej i płaskiej powierzchni, a przewód paliwo nie jest skręcony, zgnieciony ani nie styka się z ostrymi przedmiotami.
Elementy sterujące
- Przed uruchomieniem silnika sprawdź prawidłowe działanie przepustnicy, zmiany biegów i układu sterowania.
- Elementy sterujące powinny działać płynnie, bez zacięć i nietypowych luzów.
- Poszukaj luźnych lub uszkodzonych połączeń.
- Sprawdź działanie przełączników startu i stopu, gdy silnik zaburtowy znajduje się w wodzie.
PRZESTROGA:
- Nie uruchamiaj silnika poza wodą. Może to spowodować przegrzanie i poważne uszkodzenie silnika.
- Sprawdź silnik i jego mocowanie.
- Poszukaj luźnych lub uszkodzonych mocowań.
- Sprawdź śrubę napędową pod kątem uszkodzeń.
Sprawdzanie poziomu oleju silnikowego
- Ustaw silnik zaburtowy w pozycji pionowej (nie odchylony).

- Sprawdź poziom oleju za pomocą bagnetu, aby upewnić się, że poziom znajduje się między znakiem górnym a dolnym. Dolej oleju, jeśli jest poniżej dolnego znaku, lub odlej do określonego poziomu, jeśli jest powyżej górnego znaku.

- Korek oleju
- Bagnet poziomu oleju

- Górny znak poziomu
- Dolny znak poziomu
PRZESTROGA:
Upewnij się, że bagnet został całkowicie włożony do prowadnicy.
2.4 Napełnianie paliwem

Benzyna i jej opary są wysoce łatwopalne i wybuchowe. Trzymaj się z dala od iskier, papierosów, płomieni lub innych źródeł zapłonu.
- Zdejmij korek zbiornika paliwa.
- Ostrożnie napełnij zbiornik paliwa.


- Po napełnieniu zbiornika mocno zakręć korek. Wytrzyj rozlane paliwo.
UWAGA:
Górny znak poziomu paliwa znajduje się na wbudowanym zbiorniku paliwa.

- Górny znak poziomu
2.5 Uruchamianie silnika
- Poluzuj śrubę odpowietrzającą na korku zbiornika paliwa. Jeden obrót w przypadku zbiornika wbudowanego; 2 lub 3 obroty w przypadku zbiornika zewnętrznego.

- Otwórz zawór paliwa.


Wbudowany zbiornik Zewnętrzny zbiornik
- W przypadku korzystania z zewnętrznego zbiornika paliwa bezpiecznie podłącz złącza paliwo i ściśnij gruszkę paliwa końcem wylotowym skierowanym ku górze, aż poczujesz, że staje się twarda (jeśli silnik jest wyposażony w złącze paliwo).


- Ustaw dźwignię zmiany biegów w położeniu luzu.

UWAGA:
Zabezpieczenie przed uruchomieniem na biegu zapobiega uruchomieniu silnika, gdy nie jest on na luzie. Przymocuj zrywkę wyłącznika awaryjnego do bezpiecznego miejsca na ubraniu, ramieniu lub nodze. Następnie zainstaluj płytkę blokującą na drugim końcu linki w wyłączniku stop silnika.
OSTRZEŻENIE:
- Silnik musi być uruchamiany na luzie, w przeciwnym razie może dojść do jego uszkodzenia.
- Nie przypinaj zrywki do ubrania, które może się rozerwać. Nie prowadź linki w miejscu, w którym może się zaplątać, uniemożliwiając jej działanie.
- Unikaj przypadkowego pociągnięcia zrywki podczas normalnej pracy. Utrata mocy silnika oznacza utratę kontroli nad sterowanie. Ponadto, bez napędu silnika, łódź może gwałtownie zwolnić, co może spowodować wyrzucenie osób i przedmiotów w łodzi do przodu.

- Ustaw manetkę gazu w pozycji "START".

- Wyciągnij całkowicie dźwignię ssania.

UWAGA:
- Użycie ssania nie jest konieczne podczas uruchamiania ciepłego silnika.
- Jeśli ssanie pozostanie w pozycji "START" podczas pracy silnika, będzie on pracował nieprawidłowo lub zgaśnie.
- Pociągnij powoli rękojeść rozrusznik, aż poczujesz opór. Następnie wykonaj mocne, energiczne pociągnięcie, aby obrócić i uruchomić silnik. W razie potrzeby powtórz czynność.

- Po uruchomieniu silnika powoli odprowadź rękojeść rozrusznik do pierwotnego położenia przed jej zwolnieniem.
- Powoli ustaw manetkę gazu w pozycji całkowicie zamkniętej.
PRZESTROGA:
- Zimny silnik wymaga rozgrzania.
- Jeśli silnik nie uruchomi się za pierwszym razem, powtórz procedurę. Jeśli silnik nie uruchomi się po 4-5 próbach, lekko otwórz przepustnicę (między 1/8 a 1/4) i spróbuj ponownie.
2.6 Rozgrzewanie silnika
- Po uruchomieniu silnika ustaw dźwignię ssania w pozycji środkowej. Przez pierwsze 5 minut po uruchomieniu rozgrzewaj silnik, pracując na jednej piątej otwarcia przepustnicy lub mniej. Po rozgrzaniu silnika wciśnij dźwignię ssania całkowicie.
PRZESTROGA:
- Jeśli dźwignia ssania pozostanie wyciągnięta po uruchomieniu silnika, silnik zgaśnie.
- W temperaturach -5 ℃ lub niższych, pozostaw dźwignię ssania całkowicie wyciągniętą przez około 30 sekund po uruchomieniu.
- Sprawdź, czy z otworu kontrolnego wody chłodzącej wypływa stały strumień wody.

PRZESTROGA:
- Jeśli woda nie wypływa z otworu przez cały czas pracy silnika, zatrzymaj silnik i sprawdź, czy wlot wody chłodzącej w dolnej jednostce lub otwór kontrolny nie są zatkane.
- Jeśli nie można zlokalizować i usunąć problemu, skonsultuj się z dealerem PARSUN.
2.7 Zmiana biegów
OSTRZEŻENIE:
Przed zmianą biegów upewnij się, że w pobliżu nie ma pływaków ani przeszkód w wodzie.
PRZESTROGA:
Aby zmienić bieg z jazdy do przodu na wsteczny lub odwrotnie, najpierw zamknij przepustnicę, aby silnik pracował na biegu jałowym (lub przy niskich obrotach).
2.7.1 Bieg do przodu
- Ustaw manetkę gazu w pozycji całkowicie zamkniętej.

- Szybko i pewnie przesuń dźwignię zmiany biegów z pozycji luzu do biegu do przodu.

2.7.2 Bieg wsteczny
OSTRZEŻENIE:
Podczas pracy na biegu wstecznym płyn powoli. Nie otwieraj przepustnicy więcej niż do połowy. W przeciwnym razie łódź może stać się niestabilna, co może spowodować utratę kontroli i wypadek.
- Ustaw manetkę gazu w pozycji całkowicie zamkniętej.

- Szybko i pewnie przesuń dźwignię zmiany biegów z pozycji luzu do biegu wstecznego.

UWAGA:
Silnik zaburtowy może obracać się o 360° w swoim uchwycie (pełny układ obrotowy). Do tyłu można również płynąć, obracając silnik zaburtowy o 180° tak, aby rumpel był skierowany w stronę operatora.
2.8 Sterowanie dplem
- Zmiana kierunku Aby zmienić kierunek, przesuń rumpel w lewo lub w prawo, zależnie od potrzeb.

- Zmiana prędkości.
Obróć manetkę w kierunku przeciwnym do ruchu wskazówek zegara, aby zwiększyć prędkość, i w kierunku zgodnym z ruchem wskazówek zegara, aby zmniejszyć prędkość.
- Wskaźnik przepustnicy
Wskaźnik przepustnicy znajduje się na uchwycie manetki. Krzywa zużycia paliwa na wskaźniku przepustnicy pokazuje relatywną ilość zużywanego paliwa dla każdego ustawienia przepustnicy. Wybierz ustawienie, które zapewnia najlepsze osiągi i oszczędność paliwa dla pożądanej pracy.

- Wskaźnik przepustnicy
- Regulator oporu przepustnicy
Regulator oporu przepustnicy znajduje się na rplu, zapewniając regulowany opór ruchu manetki gazu, który można ustawić zgodnie z preferencjami operatora. Aby zwiększyć opór, obróć regulator w prawo. Aby zmniejszyć opór, obróć regulator w lewo. Gdy wymagana jest stała prędkość, dokręć regulator, aby utrzymać pożądane ustawienie przepustnicy.

Nie dokręcaj nadmiernie regulatora oporu. Jeśli opór będzie zbyt duży, poruszanie manetką może stać się trudne, co może doprowadzić do wypadku.
2.9 Zatrzymywanie silnika
UWAGA:
Przed zatrzymaniem silnika pozwól mu najpierw ostygnąć przez kilka minut na biegu jałowym lub przy niskiej prędkości. Nie zaleca się zatrzymywania silnika bezpośrednio po pracy z dużą prędkością.
- Naciśnij i przytrzymaj przycisk stop silnika, aż silnik całkowicie się zatrzyma.

UWAGA:
Jeśli silnik zaburtowy jest wyposażony w zrywkę, silnik można również zatrzymać, pociągając za zrywkę i zdejmując płytkę blokującą z wyłącznika stop silnika.
- Dokręć śrubę odpowietrzającą na korku zbiornika paliwa i ustaw dźwignię zaworu paliwa w pozycji zamkniętej.


- Odłącz przewód paliwo, jeśli używasz zewnętrznego zbiornika paliwa.

2.10 Regulacja kąta nachylenia (trim)
W uchwycie mocującym znajduje się 4 lub 5 otworów służących do regulacji kąta nachylenia silnika zaburtowego.
- Zatrzymaj silnik.
- Wyjmij drążek trymu z uchwytu mocującego, lekko pochylając silnik zaburtowy do góry.

- Umieść drążek w żądanym otworze. Wykonaj jazdy próbne z trymem ustawionym pod różnymi kątami, aby znaleźć pozycję, która najlepiej sprawdza się dla Twojej łodzi i warunków pracy.
OSTRZEŻENIE:
- Zatrzymaj silnik przed regulacją kąta nachylenia.
- Uważaj, aby uniknąć przytrzaśnięcia podczas wyjmowania lub instalowania drążka.
- Zachowaj ostrożność podczas testowania pozycji trymu po raz pierwszy. Zwiększaj prędkość stopniowo i obserwuj wszelkie oznaki niestabilności lub problemów ze sterowanie. Niewłaściwy kąt nachylenia może spowodować utratę kontroli.
2.11 Odchylanie (tilt) w górę i w dół
Jeśli silnik ma być wyłączony przez pewien czas lub jeśli łódź cumuje na płytkiej wodzie, silnik zaburtowy należy odchylić do góry, aby chronić śrubę napędową i obudowę przed uszkodzeniem w wyniku uderzenia w przeszkody, a także w celu ograniczenia korozji.
OSTRZEŻENIE:
- Upewnij się, że nikt nie znajduje się w pobliżu silnika zaburtowego podczas odchylania go w górę i w dół; uważaj również, aby nie przytrzasnąć żadnej części ciała między jednostką napędową a uchwytem silnika.
- Dokręć śrubę odpowietrzającą i ustaw zawór paliwa w pozycji zamkniętej, jeśli silnik zaburtowy będzie odchylony przez więcej niż kilka minut. W przeciwnym razie paliwo może wyciekać.
UWAGA:
- Nie odchylaj silnika, naciskając na rumpel, ponieważ może to spowodować jego złamanie.
- Silnika zaburtowego nie można odchylić, gdy jest na biegu wstecznym lub gdy silnik zaburtowy jest obrócony o 180º (skierowany do tyłu).
2.11.1 Odchylanie do góry
- Ustaw dźwignię zmiany biegów w położeniu luzu (jeśli jest na wyposażeniu) i skieruj silnik zaburtowy do przodu.

- Dokręć regulator oporu sterowania, obracając go w prawo, aby zapobiec swobodnemu obracaniu się silnika.

- Dokręć śrubę odpowietrzającą. W modelach wyposażonych w złącze paliwo odłącz przewód paliwo od silnika zaburtowego.


- Zamknij zawór paliwa.

- Chwyć tylny uchwyt i odchyl silnik całkowicie do góry, aż dźwignia blokady odchylenia zablokuje się automatycznie.

2.11.2 Odchylanie w dół
- Przechyl silnik zaburtowy lekko do góry.
- Powoli opuść silnik, pociągając w górę dźwignię blokady odchylenia.

- Poluzuj regulator oporu sterowania, obracając go w lewo i dostosuj opór sterowania do preferencji operatora.

OSTRZEŻENIE:
Zbyt duży opór może utrudnić manewrowanie, co może doprowadzić do wypadku.
2.12 Pływanie w innych warunkach
2.12.1 Pływanie na płytkich wodach
Silnik zaburtowy można częściowo odchylić, aby umożliwić pływanie w płytkiej wodzie.
OSTRZEŻENIE:
- Mechanizm blokady odchylenia nie działa podczas korzystania z systemu pływania po płytkich wodach. Prowadź łódź z najniższą możliwą prędkością, aby zapobiec wyrzuceniu silnika zaburtowego z wody, co może skutkować utratą kontroli.
- Ustaw silnik zaburtowy w normalnej pozycji, gdy tylko łódź znajdzie się w głębszej wodzie.
PRZESTROGA:
Wlot wody chłodzącej w dolnej jednostce nie może znajdować się powyżej powierzchni wody podczas przygotowywania i pływania po płytkich wodach. W przeciwnym razie może dojść do poważnego uszkodzenia silnika z powodu przegrzania. Procedurę odchylania opisano w sekcji 2.11.
2.12.2 Pływanie w słonej wodzie
Po pracy w słonej wodzie należy przepłukać kanały wody chłodzącej świeżą wodą, aby zapobiec ich zatkaniu przez osady soli.
3. Konserwacja
3.1 Smarowanie
Podczas użytkowania silnika zaburtowego konieczna jest okresowa konserwacja, aby zapewnić jego osiągi. OSTRZEŻENIE:
Podczas wykonywania prac konserwacyjnych należy wyłączyć silnik, chyba że określono inaczej. Prace te powinny być zawsze wykonywane przez wykwalifikowanego mechanika lub autoryzowanego dealera PARSUN.
PRZESTROGA:
Jeśli konieczne są części zamienne, należy używać wyłącznie oryginalnych części PARSUN lub odpowiednich części tego samego typu i jakości.

3.2 Czyszczenie i regulacja świecy zapłonowej
Należy okresowo wyjmować i sprawdzać świecę zapłonową, ponieważ ciepło i osady powodują jej powolną degradację i erozję. Jeśli to konieczne, świecę należy wymienić na nową odpowiedniego typu.
Przed zamontowaniem świecy zmierz odstęp elektrod za pomocą szczelinomierza drutowego; w razie potrzeby wyreguluj odstęp zgodnie ze specyfikacją.

Instalując świecę, zawsze wyczyść powierzchnię uszczelki i użyj nowej uszczelki. Oczyść gwinty z wszelkich zabrudzeń i wkręć świecę z odpowiednim momentem obrotowym.
3.3 Sprawdzanie układu paliwo
- Sprawdź przewody paliwo pod kątem wycieków, pęknięć lub nieprawidłowego działania. W przypadku znalezienia jakiegokolwiek problemu skontaktuj się z dealerem PARSUN i zleć natychmiastową naprawę.


OSTRZEŻENIE:
- Regularnie sprawdzaj, czy nie ma wycieków paliwa.
- W przypadku znalezienia wycieku paliwa układ paliwo musi zostać naprawiony przez wykwalifikowanego mechanika.
- Okresowo sprawdzaj filtr paliwa. W przypadku znalezienia ciał obcych w filtrze należy go wymienić.
PRZESTROGA:
Filtr paliwa jest jednoczęściową częścią jednorazową.

3.4 Kontrola prędkości biegu jałowego
Do tej procedury należy użyć tachometru diagnostycznego. Wyniki mogą się różnić w zależności od tego, czy testy są przeprowadzane z nasadką do płukania, w zbiorniku testowym czy z silnikiem zaburtowym w wodzie.
- Uruchom silnik i pozwól mu się całkowicie rozgrzać na luzie, aż będzie pracował płynnie.
- Sprawdź, czy prędkość biegu jałowego jest ustawiona zgodnie ze specyfikacją. Bieg jałowy: 1500 ± 50 Obr/min
PRZESTROGA:
Prawidłowa kontrola prędkości biegu jałowego jest możliwa tylko wtedy, gdy silnik jest całkowicie rozgrzany. Jeśli silnik nie zostanie całkowicie rozgrzany, zmierzona prędkość będzie wyższa niż normalnie. Jeśli masz trudności ze sprawdzeniem prędkości biegu jałowego lub jeśli wymaga ona regulacji, skonsultuj się z dealerem PARSUN lub innym wykwalifikowanym mechanikiem.
3.5 Wymiana oleju silnikowego
OSTRZEŻENIE:
- Unikaj spuszczania oleju silnikowego bezpośrednio po zatrzymaniu silnika. Olej jest gorący i należy się z nim obchodzić ostrożnie, aby uniknąć oparzeń.
- Upewnij się, że silnik zaburtowy jest bezpiecznie przymocowany do pawęży lub stabilnego stojaka.
PRZESTROGA:
Wymień olej silnikowy po pierwszych 10 godzinach pracy, a następnie co 100 godzin lub co 6 miesięcy. W przeciwnym razie silnik szybko się zużyje.
PRZESTROGA:
Wymieniaj olej silnikowy, gdy olej jest jeszcze ciepły.
- Ustaw silnik zaburtowy w pozycji pionowej (nie odchylony).
- Przygotuj odpowiedni pojemnik o pojemności większej niż ilość oleju silnikowego. Poluzuj i wykręć śrubę spustową, trzymając pojemnik pod otworem spustowym. Następnie zdejmij korek wlewu oleju. Pozwól, aby olej całkowicie spłynął. Natychmiast wytrzyj rozlany olej.

- Załóż nową uszczelkę na śrubę spustową oleju. Dokręć śrubę spustową.
- Dolej odpowiednią ilość oleju przez otwór wlewowy. Załóż korek wlewu.
- Uruchom silnik i upewnij się, że nie ma wycieków oleju.
- Zatrzymaj silnik i odczekaj 3 minuty. Ponownie sprawdź poziom oleju za pomocą bagnetu, aby upewnić się, że poziom znajduje się między znakiem górnym a dolnym.
PRZESTROGA:
Olej należy wymieniać częściej, gdy silnik pracuje w trudnych warunkach, takich jak długotrwałe pływanie trollingowe.
3.6 Sprawdzanie przewodów i złączy
Sprawdź, czy każdy przewód masowy jest prawidłowo zabezpieczony i czy każde złącze jest dobrze osadzone.
3.7 Sprawdzanie szczelności
Sprawdź, czy nie ma wycieków spalin lub wody na złączach między pokrywą wydechu, głowicą cylindrów i blokiem cylindrów.
Sprawdź, czy nie ma wycieków oleju wokół silnika.
PRZESTROGA:
W przypadku znalezienia jakiegokolwiek wycieku skonsultuj się z dealerem PARSUN.
3.8 Sprawdzanie śruby napędowej
OSTRZEŻENIE:
- Przed sprawdzeniem, zdjęciem lub montażem śruby napędowej należy zawsze podjąć kroki zapobiegające przypadkowemu uruchomieniu silnika, takie jak zdjęcie fajek świec zapłonowych, ustawienie dźwigni biegów na luzie i zdjęcie rrywki z wyłącznika stop silnika itp. Poważne obrażenia mogą wystąpić, jeśli silnik uruchomi się, gdy znajdujesz się zbyt blisko śruby napędowej.
- Nie trzymaj śruby ręką podczas odkręcania lub dokręcania nakrętki śruby. Umieść drewniany klock miedzy płytą antykawitacyjną a śrubą, aby zapobiec jej obracaniu się.


- Sprawdź każdą z łopat śruby pod kątem zużycia, erozji kawitacyjnej lub wentylacyjnej oraz innych uszkodzeń.
- Sprawdź wał śruby pod kątem uszkodzeń.
- Sprawdź wypusty/zawleczkę pod kątem zużycia lub uszkodzeń.
- Sprawdź, czy wokół wału śruby nie owinęła się żyłka wędkarska.
- Sprawdź, czy uszczelniacz olejowy wału śruby nie jest uszkodzony.
3.8.1 Demontaż śruby napędowej
- Wyprostuj zawleczkę i wyciągnij ją kombinerkami.
- Odkręć nakrętkę śruby, zdejmij podkładkę i tuleję dystansową (jeśli jest na wyposażeniu).
- Zdejmij śrubę napędową i podkładkę oporową.
3.8.2 Montaż śruby napędowej
PRZESTROGA:
- Pamiętaj o zainstalowaniu podkładki oporowej przed montażem śruby, w przeciwnym razie dolna obudowa i piasta śruby mogą ulec uszkodzeniu.
- Zawsze używaj nowej zawleczki i pewnie zagnij jej końce. W przeciwnym razie śruba może odkręcić się podczas pracy i zostać zgubiona.
- Nałóż smar morski lub smar odporny na korozję na wał śruby napędowej.
- Zainstaluj tuleję dystansową (jeśli jest), podkładkę oporową i śrubę na wał śruby.
- Zainstaluj tuleję dystansową (jeśli jest) i podkładkę.
- Dokręć nakrętkę śruby. Wyrównaj nakrętkę z otworem w wale śruby. Włóż nową zawleczkę do otworu i zagnij jej końce.
3.9 Wymiana oleju przekładniowego
OSTRZEŻENIE:
- Upewnij się, że silnik zaburtowy jest bezpiecznie przymocowany do pawęży lub stabilnego stojaka.
- Nigdy nie wchodź pod dolną jednostkę, gdy silnik zaburtowy jest odchylony, nawet gdy dźwignia blokady odchylenia jest zablokowana. Jeśli silnik spadnie, może dojść do poważnych obrażeń.
- Przechyl silnik zaburtowy tak, aby śruba spustowa oleju przekładniowego znajdowała się w najniższym możliwym punkcie.
- Umieść odpowiedni pojemnik pod obudową przekładni.
- Wykręć śrubę spustową oleju przekładniowego.

- Śruba spustowa oleju przekładniowego
- Korek poziomu oleju
PRZESTROGA:
Wymień olej przekładniowy po pierwszych 10 godzinach pracy, a następnie co 100 godzin lub co 6 miesięcy. W przeciwnym razie przekładnia szybko się zużyje.
- Wykręć korek poziomu oleju, aby olej mógł całkowicie spłynąć.
PRZESTROGA:
Sprawdź zużyty olej po jego spuszczeniu. Jeśli olej ma mleczny wygląd, do przekładni dostaje się woda, co może spowodować uszkodzenie kół zębatych. Skonsultuj się z dealerem PARSUN.
- Korzystając z elastycznego lub ciśnieniowego urządzenia do napełniania, wstrzyknij olej przekładniowy przez otwór śruby spustowej.
- Gdy olej zacznie wypływać z otworu korka poziomu oleju, włóż i dokręć korek poziomu (w razie potrzeby wymień uszczelkę).
- Włóż i dokręć śrubę spustową oleju przekładniowego (w razie potrzeby wymień uszczelkę).
3.10 Czyszczenie zbiornika paliwa
OSTRZEŻENIE:
- Trzymaj się z dala od iskier, papierosów, płomieni lub innych źródeł zapłonu podczas czyszczenia zbiornika paliwa.
- Czyść zbiornik paliwa na zewnątrz, w dobrze wentylowanym miejscu.
- Opróżnij zbiornik paliwa do zatwierdzonego pojemnika.
- Wlej niewielką ilość odpowiedniego rozpuszczalnika do zbiornika. Załóż korek i potrząśnij zbiornikiem. Całkowicie wylej rozpuszczalnik.
- Wyjmij zespół złącza paliwo ze zbiornika.
- Wyczyść filtr w odpowiednim rozpuszczalniku i pozwól mu wyschnąć.
- Wymień uszczelkę na nową. Zamontuj zespół złącza paliwo i mocno dokręć śruby.
3.11 Sprawdzanie i wymiana anod
Okresowo sprawdzaj anody zewnętrzne. Usuń osady z powierzchni anod. W celu wymiany anod zewnętrznych skonsultuj się z dealerem PARSUN.
PRZESTROGA:
Nie maluj anod, ponieważ spowoduje to ich nieskuteczność i może doprowadzić do szybszej korozji silnika.

3.12 Sprawdzanie górnej pokrywy
Sprawdź dopasowanie górnej pokrywy, naciskając ją obiema rękami. Jeśli jest luźna, zleć naprawę dealerowi PARSUN.

Używany w normalnych warunkach, odpowiednio konserwowany i naprawiany, silnik zaburtowy może normalnie pracować przez cały przewidziany okres eksploatacji.
Częstotliwość czynności konserwacyjnych można dostosować do warunków pracy, ale poniższa tabela zawiera ogólne wytyczne.
Symbol „●” wskazuje kontrole, które możesz wykonać samodzielnie. Symbol „○” wskazuje prace, które powinien wykonać dealer PARSUN.
3.13 Tabela konserwacji
| Pozycja | Czynności | Pierwsze 10 h (1 miesiąc) | Pierwsze 50 h (3 miesiące) | Co 100 h (6 miesięcy) | Co 200 h (1 rok) |
|---|---|---|---|---|---|
| Anoda(y) (zewnętrzne) | Sprawdzenie/wymiana | ● / ○ | ● / ○ | ||
| Anoda(y) (wewnętrzne) | Sprawdzenie/wymiana | ○ | |||
| Przebiegi wody chłodz. | Czyszczenie | ● | ● | ||
| Zatrzask obudowy | Sprawdzenie | ● | |||
| Filtr paliwa (jednorazowy) | Sprawdzenie/czyszczenie | ● / ○ | ● / ○ | ● / ○ | |
| Układ paliwo | Sprawdzenie | ● | ● | ● | |
| Zbiornik paliwa (wbud.) | Sprawdzenie/czyszczenie | ○ | |||
| Zbiornik paliwa (przenoś.) | Sprawdzenie/czyszczenie | ● | |||
| Olej przekładniowy | Wymiana | ● | ● | ||
| Punkty smarowania | Smarowanie | ● | |||
| Jałowe (modele z gaźnik.) | Sprawdzenie/regulacja | ● / ○ | ● / ○ | ||
| Śruba i zawleczka | Sprawdzenie/wymiana | ● | ● | ||
| Cięgna/linki biegów | Sprawdzenie/regulacja | ○ | |||
| Termostat | Sprawdzenie | ○ | |||
| Linki gazu/przyspiesz. | Sprawdzenie/regulacja | ○ | |||
| Pompa wody | Sprawdzenie | ○ | |||
| Olej silnikowy | Sprawdzenie/wymiana | ● | ● | ||
| Świeca/świece zapłonowe | Czyszczenie/reg./wym. | ● | ● | ||
| Luz zaworowy (OHC, OHV) | Sprawdzenie/regulacja | ○ | ○ |
UWAGA:
Podczas pracy w słonej, mętnej lub mulistej wodzie silnik należy po każdym użyciu przepłukać czystą wodą.
4 Transport i przechowywanie
4.1 Transport
Podczas transportu silnik zaburtowy powinien znajdować się w pozycji pionowej, jak pokazano na poniższym rysunku 1. Jeśli silnik musi być położony, podczas transportu należy umieścić go tak, jak pokazano na rysunku 2 lub rysunku 3 poniżej.
PRZESTROGA:
Nie używaj dźwigni blokady odchylenia podczas holowania łodzi. Silnik zaburtowy może poluzować się z podpory i spaść. Jeśli silnik nie może być holowany w normalnej pozycji roboczej, użyj dodatkowego urządzenia wspomagającego, aby zabezpieczyć go w pozycji odchylonej.
OSTRZEŻENIE:
- Nigdy nie wchodź pod dolną jednostkę, gdy jest ona odchylona, nawet jeśli używany jest drążek podpierający silnik.
- Podczas transportu umieść silnik zaburtowy w sposób pokazany na poniższych rysunkach.

Uwaga:
- Pod silnikiem zaburtowym połóż ręcznik lub coś podobnego, aby chronić go przed uszkodzeniem, jak pokazano na rysunku 2 lub 3 powyżej.
- Upewnij się, że rumpel jest skierowany w dół, tak aby manetka gazu wskazywała kierunek śruby napędowej.
4.2 Przechowywanie
Przechowując silnik zaburtowy PARSUN przez dłuższy czas (2 miesiące lub dłużej), należy wykonać kilka ważnych procedur, aby zapobiec nadmiernym uszkodzeniom.
PRZESTROGA:
- Podczas przechowywania silnik zaburtowy powinien znajdować się w pozycji pionowej. Jeśli przechowujesz silnik zaburtowy na boku (nie pionowo), połóż go na poduszce po całkowitym spuszczeniu oleju silnikowego.
- Nie kładź silnika na boku, dopóki woda chłodząca nie zostanie całkowicie odprowadzona.
- Przechowuj silnik zaburtowy w suchym, dobrze wentylowanym miejscu, z dala od bezpośredniego światła słonecznego.
Zaleca się, aby przed przechowywaniem silnik zaburtowy został sprawdzony przez autoryzowanego dealera PARSUN. Jednak Ty, jako właściciel, mając minimum narzędzi, możesz samodzielnie wykonać poniższe procedury.
- Umyj obudowę silnika zaburtowego świeżą wodą.
- Ustaw zawór paliwa w pozycji zamkniętej, odłącz przewód paliwo i dokręć śrubę odpowietrzającą (jeśli jest na wyposażeniu).
- Zdejmij górną pokrywę silnika i pokrywę tłumika.
- Zamontuj silnik zaburtowy w zbiorniku testowym.

- Najniższy poziom wody
- Powierzchnia wody
- Napełnij zbiornik świeżą wodą do poziomu powyżej płyty antykawitacyjnej.
PRZESTROGA:
Jeśli poziom świeżej wody jest niższy niż poziom płyty antykawitacyjnej lub jeśli dopływ wody jest niewystarczający, może dojść do zatarcia silnika.
- Uruchom silnik. Przepłucz układ chłodzenia. Płukanie i konserwację wnętrza silnika (fogging) przeprowadź w tym samym czasie, ponieważ smarowanie wnętrza silnika jest obowiązkowe, aby zapobiec jego rdzewieniu.
OSTRZEŻENIE:
- Nie dotykaj ani nie zdejmuj części elektrycznych podczas uruchamiania lub pracy silnika.
- Trzymaj ręce, włosy i ubranie z dala od koła zamachowego i innych obracających się części podczas pracy silnika.
- Uruchom silnik na kilka minut na wysokich obrotach jałowych w pozycji luzu.
- Tuż przed wyłączeniem silnika spryskaj szybko olejem konserwacyjnym (fogging oil) na zmianę każdy gaźnik lub otwór do konserwacji w pokrywie tłumika, jeśli jest na wyposażeniu.
- Jeśli olej konserwacyjny nie jest dostępny, uruchom silnik na wysokich obrotach jałowych, aż układ paliwo opróżni się i silnik zgaśnie.
- Jeśli olej konserwacyjny nie jest dostępny, wykręć świece zapłonowe. Wlej łyżeczkę czystego oleju silnikowego do każdego cylindra. Kilkakrotnie obróć silnik ręcznie. Wkręć świece zapłonowe.
- Całkowicie opróżnij paliwo ze zbiornika paliwa.
PRZESTROGA:
Modele wyposażone w przenośny zbiornik paliwa: Przechowuj przenośny zbiornik paliwa w suchym, dobrze wentylowanym miejscu, z dala od bezpośredniego światła słonecznego.
5. Działania w sytuacjach awaryjnych
5.1 Uszkodzenia po uderzeniu
Jeśli silnik zaburtowy uderzy w obiekt w wodzie, postępuj zgodnie z poniższą procedurą.
- Natychmiast zatrzymaj silnik.
- Sprawdź układ sterowania i wszystkie komponenty pod kątem uszkodzeń.
- Niezależnie od tego, czy znaleziono uszkodzenia, czy nie, powoli i ostrożnie wróć do najbliższego portu.
- Przed ponownym uruchomieniem zleć dealerowi PARSUN sprawdzenie silnika zaburtowego.
5.2 Rozrusznik nie działa
Jeśli mechanizm rozrusznik nie działa, silnik można uruchomić za pomocą awaryjnej linki rozruchowej.
OSTRZEŻENIE:
- Procedury tej należy używać wyłącznie w sytuacjach awaryjnych i tylko w celu powrotu do portu w celu naprawy.
- Gdy do uruchomienia silnika używana jest awaryjna linka rozruchowa, zabezpieczenie przed uruchomieniem na biegu nie działa. Upewnij się, że dźwignia manetki znajduje się w położeniu luzu.
- Upewnij się, że nikt nie stoi za Tobą podczas ciągnięcia za linkę rozruchową. Linka może „strzelić” za Ciebie i zranić kogoś.
- Nie instaluj mechanizmu rozrusznik ani górnej pokrywy po uruchomieniu silnika. Trzymaj luźne ubranie i inne przedmioty z dala od silnika podczas uruchamiania. Nie dotykaj koła zamachowego ani innych ruchomych części, gdy silnik pracuje.
Nie dotykaj cewki zapłonowej, przewodu świecy zapłonowej, fajki świecy ani innych komponentów elektrycznych podczas uruchamiania lub pracy silnika.
Procedura jest następująca:
- Zdejmij górną pokrywę.
- Zdejmij linkę zabezpieczenia przed uruchomieniem na biegu i linkę ssania.

- Linka zabezpieczenia przed uruchomieniem na biegu 2. Linka ssania
- Zdemontuj rozrusznik po wykręceniu trzech śrub.

- Wkręć z powrotem dwie śruby, aby zabezpieczyć zbiornik paliwa.

- Przygotuj silnik do uruchomienia. Więcej informacji można znaleźć w sekcji 2.5.
- Włóż zawiązany koniec awaryjnej linki rozruchowej w wycięcie w wirniku koła zamachowego i owiń linkę kilka razy wokół koła zamachowego w prawo.
- Pociągnij powoli linkę, aż poczujesz opór.

- Wykonaj mocne pociągnięcie na zewnątrz, aby obrócić i uruchomić silnik. W razie potrzeby powtórz czynność.
5.3 Postępowanie z zalanym silnikiem
Jeśli silnik zaburtowy zostanie zalany, natychmiast udaj się do dealera PARSUN. W przeciwnym razie korozja może rozpocząć się niemal natychmiast.
- Dokładnie zmyj zanieczyszczenia świeżą wodą.
- Wykręć świece zapłonowe, a następnie skieruj otwory świec w dół, aby umożliwić odpłynięcie mułu lub zanieczyszczeń.

- Napełnij skrzynię korbową nowym olejem silnikowym.
- Wprowadź olej konserwacyjny (fogging oil) lub olej silnikowy przez gaźnik i otwory świec zapłonowych podczas obracania silnika rozrusznik.

- Dostarcz silnik zaburtowy do dealera PARSUN tak szybko, jak to możliwe.
PRZESTROGA:
Nie próbuj uruchamiać silnika zaburtowego, dopóki nie zostanie on dokładnie sprawdzony.
6. Rozwiązywanie problemów
| Typ problemu | Możliwa przyczyna | Działanie naprawcze |
|---|---|---|
| Rozrusznik nie działa | Wadliwe komponenty rozrusznik | Zleć sprawdzenie dealerowi |
| Rozrusznik nie działa | Dźwignia zmiany biegów nie jest na luzie | Przełącz na luz |
| Silnik nie uruchamia się (rozrusznik działa) | Zbiornik paliwa jest pusty | Napełnij zbiornik czystą, świeżą benzyną |
| Silnik nie uruchamia się (rozrusznik działa) | Paliwo jest zanieczyszczone lub stare | Napełnij zbiornik czystą, świeżą benzyną |
| Silnik nie uruchamia się (rozrusznik działa) | Zatkana siatka filtru paliwa | Wymień na zalecany typ |
| Silnik nie uruchamia się (rozrusznik działa) | Wadliwa pompa paliwa | Zleć sprawdzenie dealerowi |
| Silnik nie uruchamia się (rozrusznik działa) | Świeca/świece brudne lub niewłaściwego typu | Sprawdź świece. Wyczyść lub wymień na zalecany typ |
| Silnik nie uruchamia się (rozrusznik działa) | Fajki świec źle założone | Sprawdź i załóż fajki |
| Silnik nie uruchamia się (rozrusznik działa) | Przewody zapłonowe uszkodzone lub źle podłączone | Sprawdź, czy nie są przetarte lub przerwane. Dokręć luźne połączenia. Wymień uszkodzone przewody |
| Silnik nie uruchamia się (rozrusznik działa) | Wadliwe części zapłonu | Zleć sprawdzenie dealerowi |
| Silnik nie uruchamia się (rozrusznik działa) | Zrywka nie jest przypięta | Przypnij zrywkę |
| Silnik nie uruchamia się (rozrusznik działa) | Uszkodzone części wewnętrzne silnika | Zleć sprawdzenie dealerowi |
| Silnik pracuje nierówno na jałowym lub gaśnie | Świeca/świece brudne lub niewłaściwego typu | Sprawdź świece. Wyczyść lub wymień na zalecany typ |
| Silnik pracuje nierówno na jałowym lub gaśnie | Zatkany układ paliwo | Sprawdź, czy przewód paliwo nie jest przyciśnięty lub zagięty, lub czy nie ma innych zatorów |
| Silnik pracuje nierówno na jałowym lub gaśnie | Paliwo jest zanieczyszczone lub stare | Napełnij zbiornik czystą, świeżą benzyną |
| Silnik pracuje nierówno na jałowym lub gaśnie | Zatkana siatka filtru paliwa | Wymień na zalecany typ |
| Silnik pracuje nierówno na jałowym lub gaśnie | Niewłaściwy odstęp elektrod świecy | Sprawdź i ustaw zgodnie ze specyfikacją |
| Silnik pracuje nierówno na jałowym lub gaśnie | Przewody zapłonowe uszkodzone lub źle podłączone | Sprawdź, czy nie są przetarte lub przerwane. Dokręć luźne połączenia. Wymień uszkodzone przewody |
| Silnik pracuje nierówno na jałowym lub gaśnie | Nie jest używany zalecany olej silnikowy | Sprawdź i wymień olej na zalecany |
| Silnik pracuje nierówno na jałowym lub gaśnie | Wadliwy lub zablokowany termostat | Zleć sprawdzenie dealerowi |
| Silnik pracuje nierówno na jałowym lub gaśnie | Niewłaściwe ustawienia gaźnik | Zleć sprawdzenie dealerowi |
| Silnik pracuje nierówno na jałowym lub gaśnie | Zatkana dysza gaźnik | Zleć sprawdzenie dealerowi |
| Silnik pracuje nierówno na jałowym lub gaśnie | Uszkodzona pompa paliwa | Zleć sprawdzenie dealerowi |
| Silnik pracuje nierówno na jałowym lub gaśnie | Śruba odpowietrzająca zbiornika zamknięta | Otwórz śrubę odpowietrzającą |
| Silnik pracuje nierówno na jałowym lub gaśnie | Nieprawidłowe połączenie złącza paliwa | Podłącz prawidłowo |
| Silnik pracuje nierówno na jałowym lub gaśnie | Niewłaściwe ustawienie przepustnicy | Zleć sprawdzenie dealerowi |
| Silnik pracuje nierówno na jałowym lub gaśnie | Wyciągnięta dźwignia ssania | Wciśnij do pozycji normalnej |
| Silnik pracuje nierówno na jałowym lub gaśnie | Kąt silnika zbyt wysoki | Ustaw w normalnej pozycji roboczej |
| Utrata mocy silnika | Uszkodzona śruba napędowa | Napraw lub wymień śrubę |
| Utrata mocy silnika | Niewłaściwy kąt nachylenia (trim) | Ustaw kąt trymu dla najefektywniejszej pracy |
| Utrata mocy silnika | Niewłaściwa wysokość montażu silnika | Ustaw silnik na właściwej wysokości |
| Utrata mocy silnika | Kadłub łodzi porośnięty roślinnością | Wyczyść dno łodzi |
| Utrata mocy silnika | Wodorosty lub inne ciała obce na przekładni | Usuń ciała obce i wyczyść przekładnię |
| Utrata mocy silnika | Świeca/świece brudne lub niewłaściwego typu | Sprawdź świece. Wyczyść lub wymień na zalecany typ |
| Utrata mocy silnika | Zatkany układ paliwo | Sprawdź, czy przewód paliwo nie jest przyciśnięty lub zagięty, lub czy nie ma innych zatorów |
| Utrata mocy silnika | Zatkany filtr paliwa | Wymień na zalecany typ |
| Utrata mocy silnika | Paliwo jest zanieczyszczone lub stare | Napełnij zbiornik czystą, świeżą benzyną |
| Utrata mocy silnika | Niewłaściwy odstęp elektrod świecy | Sprawdź i ustaw zgodnie ze specyfikacją |
| Utrata mocy silnika | Przewody zapłonowe uszkodzone lub źle podłączone | Sprawdź, czy nie są przetarte lub przerwane. Dokręć luźne połączenia. Wymień uszkodzone przewody |
| Utrata mocy silnika | Wadliwe części zapłonu | Zleć sprawdzenie dealerowi |
| Utrata mocy silnika | Nie jest używany zalecany olej silnikowy | Sprawdź i wymień olej na zalecany |
| Utrata mocy silnika | Wadliwy lub zablokowany termostat | Zleć sprawdzenie dealerowi |
| Utrata mocy silnika | Śruba odpowietrzająca zbiornika zamknięta | Otwórz śrubę odpowietrzającą |
| Utrata mocy silnika | Wadliwa pompa paliwa | Zleć sprawdzenie dealerowi |
| Utrata mocy silnika | Nieprawidłowe połączenie złącza paliwa | Podłącz prawidłowo |
| Utrata mocy silnika | Nie są używane zalecane świece zapłonowe | Sprawdź i wymień świece na zalecane |
| Nadmierne wibracje silnika | Uszkodzona śruba napędowa | Napraw lub wymień śrubę |
| Nadmierne wibracje silnika | Uszkodzony wał śruby napędowej | Zleć sprawdzenie dealerowi |
| Nadmierne wibracje silnika | Wodorosty lub inne ciała obce na śrubie | Zdejmij i wyczyść śrubę |
| Nadmierne wibracje silnika | Poluzowana śruba montażowa silnika | Dokręć śrubę |
| Nadmierne wibracje silnika | Poluzowana oś sterowania | Dokręć ją |
| Nadmierne wibracje silnika | Uszkodzona oś sterowania | Zleć sprawdzenie dealerowi |
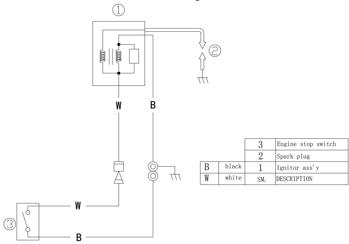
7. Schemat elektryczny
