INSTRUKCJA OBSŁUGI SILNIKA ZABURTOWEGO
F25/20BM F25/20BW F25/20FW
Spis treści
- 1. Główne komponenty i informacje ogólne
- 2. Obsługa
- 2.1 Instalacja
- 2.2 Docieranie silnika
- 2.3 Kontrole przed uruchomieniem
- 2.4 Tankowanie paliwa
- 2.5 Uruchamianie silnika
- 2.6 Rozgrzewanie silnika
- 2.7 Zmiana biegów
- 2.8 Rumpel sterujący
- 2.9 Trymer (płetwa trymująca)
- 2.10 Zatrzymywanie silnika
- 2.11 Ustawienia trymu silnika
- 2.12 Podnoszenie i opuszczanie silnika (Tilt up/down)
- 2.13 Pływanie w innych warunkach
- 3. Konserwacja
- 3.1 Smarowanie
- 3.2 Czyszczenie i regulacja świec zapłonowych
- 3.3 Kontrola układu paliwowego
- 3.4 Kontrola prędkości biegu jałowego
- 3.5 Wymiana oleju silnikowego
- 3.6 Kontrola okablowania i połączeń
- 3.7 Kontrola pod kątem wycieków
- 3.8 Kontrola śruby napędowej
- 3.9 Wymiana oleju przekładniowego
- 3.10 Czyszczenie zbiornika paliwa
- 3.11 Kontrola i wymiana anod
- 3.12 Kontrola obudowy silnika
- 3.13 Harmonogram konserwacji
- 4. Transport i przechowywanie
- 5. Postępowanie w sytuacjach awaryjnych
- 6. Rozwiązywanie problemów
- 7. Schemat elektryczny
1. Główne komponenty i informacje ogólne
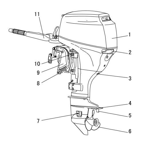
1.1 Główne komponenty


Przenośny zbiornik paliwa składa się z następujących części:


- Korek wlewu paliwa 3. Śruba odpowietrzająca
- Złącze paliwa 4. Wskaźnik poziomu paliwa

Zbiornik paliwa dostarczony z silnikiem może być używany wyłącznie do zasilania paliwem podczas pracy, a nie do jego przechowywania.
1.2 Informacje ogólne
1.2.1 Specyfikacje
Główne specyfikacje:
| Pozycja | Wartość | Pozycja | Wartość |
|---|---|---|---|
| Typ silnika | 4-suwowy | Waga (S/L/W) | 68Kg / 66Kg / 70Kg / 68Kg |
| Pojemność skokowa | 498cm³ | Zalecane paliwo | Benzyna bezołowiowa |
| Średnica × Skok tłoka | 65 × 75mm | Pojemność zbiornika | 24L |
| Przełożenie przekładni | 2.08 (27/13) | Zalecany olej silnikowy | SAE10W30 lub SAE10W40 |
| Długość całkowita | 1151mm | Pojemność oleju silnikowego | 1.7L |
| Szerokość całkowita | 430mm | Zalecany olej przekładniowy | SAE90 olej hipoidalny |
| Wysokość całkowita (L/S) | 1280 / 1135mm | Pojemność oleju przekładniowego | 320cm³ |
| Wysokość pawęży (L/S) | 508 / 381mm | Świeca zapłonowa | DPR6EA-9 |
Wydajność:
| Pozycja | Wartość | Pozycja | Wartość | ||
|---|---|---|---|---|---|
| Moc maksymalna | 18.4Kw/5500Rpm(25HP) | Prześwit zaworu dolotowego (zimny) | 0.15 ~ 0.25mm | ||
| Moc maksymalna | 14.7 Kw/5500Rpm(20HP) | ||||
| Odstęp między elektrodami świecy | 0.8 ~ 0.9mm | Prześwit zaworu wydechowego (zimny) | 0.25 ~ 0.35mm | ||
| Zakres obrotów maks. | 5000 ~ 6000Rpm | Momenty | Świeca zapłonowa | 18.0Nm | |
| Obroty biegu jałowego (Luz) | 975 ± 50Rpm | dokręcania | Korek spustowy oleju | 28.0Nm |
1.2.2 Informacje o paliwie
Środki ostrożności podczas tankowania:
Zalecana benzyna:
Zwykła benzyna bezołowiowa. Jeśli niedostępna, użyj benzyny bezołowiowej premium.
W przypadku wystąpienia "stukania" (spalania stukowego), zmień markę benzyny lub użyj benzyny bezołowiowej o wyższej liczbie oktanowej.
W przypadku ciągłego stosowania benzyny ołowiowej, zawory silnika i powiązane części muszą być sprawdzane co 100 godzin.
OSTRZEŻENIE:
- Nie pal podczas tankowania i zachowaj odległość od iskier, ognia lub innych źródeł zapłonu.
- Przed tankowaniem zatrzymaj silnik.
- Tankuj w dobrze wentylowanym miejscu; napełniaj przenośne zbiorniki poza łodzią.
- Nie przepełniaj zbiornika paliwa.
- Uważaj, aby nie rozlać benzyny; jeśli to nastąpi, natychmiast ją wytrzyj.
- Po tankowaniu mocno dokręć korek zbiornika.
- W razie połknięcia benzyny, wdychania dużej ilości oparów lub dostania się benzyny do oczu, natychmiast skonsultuj się z lekarzem.
- Jeśli benzyna wejdzie w kontakt ze skórą, natychmiast umyj ją wodą z mydłem. Jeśli benzyna dostanie się na ubranie, natychmiast je zdejmij.
- Trzymaj końcówkę dystrybutora w kontakcie z metalowymi częściami zbiornika, aby zapobiec iskrzeniu elektrostatycznemu.
UWAGA:
Używaj wyłącznie świeżej i czystej benzyny, przechowywanej w czystych pojemnikach, wolnej od wody i zanieczyszczeń.
Olej silnikowy:
Zalecany olej silnikowy: Olej do czterosuwowych silników zaburtowych SAE10W30 lub SAE10W40 (1.7L).
UWAGA:
- Nie używaj silnika przy zbyt niskim poziomie oleju. Może to spowodować poważne uszkodzenie silnika.
- Zawsze sprawdzaj poziom oleju przed uruchomieniem silnika.
INFORMACJA:
Wszystkie silniki 4-suwowe są wysyłane z fabryki bez oleju silnikowego.
1.2.3 Dobór śruby napędowej
Wydajność silnika zaburtowego zależy bezpośrednio od dobranej śruby napędowej, ponieważ niewłaściwy dobór może mieć negatywne skutki. Silnik zaburtowy jest standardowo wyposażony w śruby odpowiednie do różnych zastosowań, jednak mogą wystąpić sytuacje, w których śruba o innym skoku (pitch) będzie bardziej odpowiednia. Dealerzy "Parsun" posiadają asortyment śrub i mogą doradzić przy instalacji śruby najlepiej dopasowanej do Twoich potrzeb.
Przy dużym obciążeniu łodzi i niskich obrotach silnika, bardziej odpowiednia jest śruba o mniejszym skoku. I odwrotnie, przy lżejszym obciążeniu, bardziej odpowiednia jest śruba o większym skoku, co pomaga utrzymać właściwy poziom obrotów.
2. Obsługa
2.1 Instalacja
Zamontuj silnik zaburtowy na osi środkowej (linii kilu) łodzi. W przypadku łodzi bez kilu lub łodzi asymetrycznych należy skonsultować się z dealerem.

- Linia środkowa (linia kilu)
UWAGA:
Podczas testów na wodzie sprawdź wyporność łodzi podczas postoju przy maksymalnym obciążeniu. Sprawdź, czy statyczny poziom wody przy wydechu jest wystarczająco niski, aby woda nie dostała się do głowicy silnika, nawet gdy poziom wody podniesie się pod wpływem falowania przy wyłączonym silniku.
OSTRZEŻENIE:
- Silnik o zbyt dużej mocy może prowadzić do znacznej niestabilności łodzi. Nie montuj silnika zaburtowego, który przekracza maksymalną moc podaną na tabliczce znamionowej łodzi. Jeśli łódź nie posiada tabliczki, skonsultuj się z producentem łodzi.
- Niewłaściwa instalacja silnika zaburtowego może prowadzić do niebezpiecznych sytuacji. Instalacja powinna być przeprowadzona przez dealera lub inną doświadczoną osobę. Jeśli instalujesz silnik samodzielnie, skonsultuj się z osobą doświadczoną.
- Informacje w tym rozdziale służą wyłącznie jako wytyczne. Poprawna instalacja zależy również od doświadczenia i specyficznej kombinacji łodzi i silnika.
2.1.1 Wysokość montażu
Wysokość montażu silnika zaburtowego ma duży wpływ na wydajność łodzi. Jeśli wysokość montażu jest zbyt duża, powstaje kawitacja, co zmniejsza ciąg. Jeśli wysokość montażu jest zbyt niska, opór wody wzrasta i wydajność silnika spada. Zamontuj silnik zaburtowy tak, aby płyta antykawitacyjna znajdowała się między dnem łodzi a poziomem 25 mm poniżej dna.

UWAGA:
Optymalna wysokość montażu zależy od kombinacji łodzi i silnika oraz zamierzonego zastosowania. Próby na wodzie przy różnych wysokościach mogą pomóc w określeniu optymalnej wysokości. Aby uzyskać więcej informacji, skontaktuj się z dealerem Parsun lub producentem łodzi.
2.1.2 Mocowanie silnika zaburtowego
- Równomiernie i mocno dokręć śruby dociskowe na pawęży. Okresowo sprawdzaj śruby podczas użytkowania, aby upewnić się, że są dokręcone, ponieważ mogą się poluzować pod wpływem wibracji silnika.
UWAGA:
Silniki zaburtowe zamocowane wyłącznie śrubami dociskowymi NIE SĄ WYSTARCZAJĄCO zabezpieczone na pawęży. Dla prawidłowej instalacji silnik musi być przykręcony do pawęży śrubami przechodzącymi na wylot.
OSTRZEŻENIE:
Poluzowane śruby mocujące mogą spowodować odpadnięcie silnika od pawęży lub jego przesunięcie na pawęży. Może to prowadzić do utraty kontroli. Upewnij się, że śruby są prawidłowo dokręcone i sprawdzaj to okresowo podczas pracy.
- Jeśli Twój silnik posiada punkt mocowania linki zabezpieczającej, konieczne jest użycie linki lub łańcucha zabezpieczającego. Przymocuj go do solidnej części łodzi, aby zapobiec całkowitej utracie silnika, gdyby przypadkowo spadł z pawęży.

- Przymocuj uchwyt (bracket) do pawęży za pomocą odpowiednich śrub. Aby uzyskać więcej informacji, skontaktuj się z dealerem Parsun.
OSTRZEŻENIE:
Unikaj używania nieodpowiednich śrub, nakrętek lub podkładek. Po zamocowaniu wykonaj rejs próbny, aby sprawdzić solidność montażu.
2.2 Docieranie silnika
Twój nowy silnik wymaga okresu docierania, aby powierzchnie cierne ruchomych części mogły się równomiernie dopasować.
UWAGA:
Niestosowanie się do instrukcji docierania może skrócić żywotność silnika lub nawet doprowadzić do poważnych awarii silnika.
- Podczas pierwszej godziny pracy: Pozwól silnikowi pracować przy 2000 Rpm lub około połowie gazu.
- Podczas drugiej godziny pracy: Pozwól silnikowi pracować przy 3000 Rpm lub około 3/4 gazu.
- Podczas kolejnych ośmiu godzin pracy: Unikaj ciągłego pływania na pełnym gazie przez dłużej niż pięć minut pod rząd.
- Po tym czasie silnik może być normalnie używany.
2.3 Kontrole przed uruchomieniem
Paliwo:
- Sprawdź, czy masz wystarczającą ilość paliwa na zaplanowaną trasę.
- Upewnij się, że nie ma wycieków paliwa i nie czuć zapachu benzyny.
- Sprawdź, czy połączenia węża paliwo są mocne.
- Upewnij się, że zbiornik paliwa stoi na stabilnym i płaskim podłożu, wąż paliwo nie jest zagięty ani przyciśnięty i nie ma kontaktu z ostrymi przedmiotami.
Obsługa:
- Przed uruchomieniem sprawdź manetkę gazu, zmianę biegów i sterowanie pod kątem prawidłowego działania.
- Elementy sterujące powinny działać płynnie, bez zacięć i nadmiernego luzu.
- Sprawdź, czy nie ma poluzowanych lub uszkodzonych połączeń.
- Sprawdź działanie stacyjki i przycisku stop, gdy silnik znajduje się w wodzie.
UWAGA:
- Nigdy nie uruchamiaj silnika poza wodą. Może to prowadzić do przegrzania i poważnego uszkodzenia silnika.
- Skontroluj silnik i jego montaż.
- Sprawdź, czy nie ma poluzowanych lub uszkodzonych elementów mocujących.
- Sprawdź śrubę napędową pod kątem uszkodzeń.
Kontrola poziomu oleju silnikowego:
- Ustaw silnik zaburtowy w pozycji pionowej (niepodniesiony).

- Sprawdź poziom oleju za pomocą bagnetu i upewnij się, że znajduje się między górnym a dolnym oznaczeniem. Uzupełnij olej, jeśli poziom jest poniżej dolnego oznaczenia, lub odlej, jeśli jest powyżej górnego.


Bagnet oleju 3. Dolne oznaczenie poziomu
- Górne oznaczenie poziomu
UWAGA:
Upewnij się, że bagnet jest całkowicie wsunięty w prowadnicę.
2.4 Tankowanie paliwa
OSTRZEŻENIE:
Benzyna i jej opary są skrajnie łatwopalne i wybuchowe. Zachowaj odległość od iskier, papierosów, otwartego ognia lub innych źródeł zapłonu.
- Zdejmij korek zbiornika.
- Ostrożnie napełnij zbiornik paliwa.

- Po napełnieniu mocno dokręć korek. Natychmiast wytrzyj rozlane paliwo.
2.5 Uruchamianie silnika
Dla modeli F25/20BM
- Poluzuj śrubę odpowietrzającą na korku zbiornika (2-3 obroty) i solidnie podłącz wąż paliwo.


- Solidnie podłącz szybkozłącza paliwa i ściskaj gruszkę paliwa (z wylotem skierowanym do góry), aż poczujesz opór.


- Ustaw dźwignię zmiany biegów w pozycji Neutralnej (Luz).

INFORMACJA:
Blokada rozruchu zapobiega uruchomieniu silnika, gdy nie jest on na biegu jałowym. Przymocuj zrywkę bezpieczeństwa do ubrania, ramienia lub nogi w bezpiecznym miejscu. Następnie włóż widełki na drugim końcu linki w przycisk stop silnika.
OSTRZEŻENIE:
- Silnik musi być uruchamiany na biegu jałowym, w przeciwnym razie rozrusznik może ulec uszkodzeniu i może powstać niebezpieczna sytuacja.
- Nie przypinaj linki do ubrania, które łatwo się rwie. Umieść linkę tak, aby nie zaplątała się ani nie przeszkadzała w obsłudze.
- Zapobiegaj przypadkowemu wyrwaniu linki podczas normalnego pływania. Utrata mocy silnika oznacza utratę kontroli nad sterowanie. Ponadto łódź może gwałtownie zwolnić po nagłym zatrzymaniu napędu. Może to prowadzić do obrażeń lub wypadnięcia osób lub przedmiotów za burtę.

- Obróć uchwyt przepustnicy do pozycji „START“.

- Powoli pociągnij za uchwyt rozrusznik ręcznego, aż poczujesz opór. Następnie mocno i w linii prostej pociągnij, aby obrócić i uruchomić silnik. W razie potrzeby powtórz.

- Po uruchomieniu pozwól uchwytowi rozrusznik powoli wrócić do pozycji wyjściowej przed jego puszczeniem.
- Powoli obróć uchwyt przepustnicy z powrotem do pozycji całkowicie zamkniętej.
UWAGA:
- Zimny silnik musi się rozgrzać.
- Jeśli silnik nie uruchomi się natychmiast, powtórz procedurę. Jeśli po 4-5 próbach nie wystartuje, otwórz nieco gaz (1/8 do 1/4) i spróbuj ponownie.
Dla modeli F25/20BW
- Poluzuj śrubę odpowietrzającą na korku zbiornika (2-3 obroty) i solidnie podłącz wąż paliwo.


- Solidnie podłącz szybkozłącza paliwa i ściskaj gruszkę paliwa (z wylotem skierowanym do góry), aż poczujesz opór.


- Ustaw dźwignię manetki zdalnego sterowania w pozycji Neutralnej.

INFORMACJA:
Blokada rozruchu zapobiega uruchomieniu silnika, gdy nie jest on na biegu jałowym. Przymocuj zrywkę bezpieczeństwa do ubrania, ramienia lub nogi w bezpiecznym miejscu. Następnie włóż widełki na drugim końcu linki w przycisk stop silnika.
OSTRZEŻENIE:
- Silnik musi być uruchamiany na biegu jałowym, w przeciwnym razie rozrusznik może ulec uszkodzeniu i może powstać niebezpieczna sytuacja.
- Nie przypinaj linki do ubrania, które łatwo się rwie. Umieść linkę tak, aby nie zaplątała się ani nie przeszkadzała w obsłudze.
- Zapobiegaj przypadkowemu wyrwaniu linki podczas normalnego pływania. Utrata mocy silnika oznacza utratę kontroli nad sterowanie. Ponadto łódź może gwałtownie zwolnić po nagłym zatrzymaniu napędu. Może to prowadzić do obrażeń lub wypadnięcia osób lub przedmiotów za burtę.
- Obróć uchwyt przepustnicy do pozycji „START“. Przekręć kluczyk w stacyjce do pozycji „ON“.


- Przekręć kluczyk w stacyjce do pozycji „START“ i przytrzymaj maksymalnie przez 5 sekund.

- Po uruchomieniu pozwól uchwytowi rozrusznik powoli wrócić do pozycji wyjściowej przed jego puszczeniem. Natychmiast po uruchomieniu puść kluczyk w stacyjce, aby wrócił do pozycji „ON“.
- Powoli obróć uchwyt przepustnicy z powrotem do pozycji całkowicie zamkniętej.
INFORMACJA:
- Nigdy nie przekręcaj kluczyka w stacyje na „START“, gdy silnik pracuje.
- Nie używaj rozrusznik elektrycznego jednorazowo dłużej niż przez 5 sekund. Dłuższe używanie szybko rozładuje akumulator i uniemożliwi rozruch. Ponadto rozrusznik może ulec uszkodzeniu. Jeśli silnik nie uruchomi się po 5 sekundach, przekręć kluczyk na „ON“, odczekaj 10 sekund i spróbuj ponownie.
INFORMACJA:
- Zimny silnik musi się rozgrzać.
- Jeśli silnik nie uruchomi się natychmiast, powtórz procedurę. Jeśli po 4-5 próbach nie wystartuje, otwórz nieco gaz (1/8 do 1/4) i spróbuj ponownie.
Dla modeli F25/20FW
- Poluzuj śrubę odpowietrzająca na korku zbiornika (2-3 obroty) i solidnie podłącz wąż paliwo.


- Solidnie podłącz szybkozłącza paliwa i ściskaj gruszkę paliwa (z wylotem skierowanym do góry), aż poczujesz opór.


- Ustaw manetkę zdalnego sterowania w pozycji Neutralnej.

INFORMACJA:
Blokada rozruchu zapobiega uruchomieniu silnika, gdy nie jest on na biegu jałowym.
- Przymocuj zrywkę bezpieczeństwa do ubrania, ramienia lub nogi w bezpiecznym miejscu. Następnie włóż widełki na drugim końcu linki w przycisk stop silnika.
OSTRZEŻENIE:
- Przymocuj zrywkę bezpieczeństwa do ubrania, ramienia lub nogi w bezpiecznym miejscu.
- Nie przypinaj linki do ubrania, które łatwo się rwie. Umieść linkę tak, aby nie zaplątała się ani nie przeszkadzała w obsłudze.
- Zapobiegaj przypadkowemu wyrwaniu linki podczas normalnego pływania. Utrata mocy silnika oznacza utratę kontroli nad sterowanie. Ponadto łódź może gwałtownie zwolnić po nagłym zatrzymaniu napędu. Może to prowadzić do obrażeń lub wypadnięcia osób lub przedmiotów za burtę.

- Przekręć kluczyk w stacyjce do pozycji „ON“.
INFORMACJA:
- Jeśli silnik jest już rozgrzany, ssanie (choke) nie musi być używane.
- Jeśli ssanie pozostanie włączone po uruchomieniu silnika, będzie on pracował źle lub zgaśnie.
- Przekręć kluczyk w stacyjce do pozycji „START“ i przytrzymaj maksymalnie przez 5 sekund.

- Natychmiast po uruchomieniu puść kluczyk w stacyjce, aby wrócił do pozycji „ON“.
UWAGA:
- Nigdy nie przekręcaj kluczyka w stacyje na „START“, gdy silnik pracuje.
- Nie używaj rozrusznik elektrycznego jednorazowo dłużej niż przez 5 sekund. Dłuższe używanie szybko rozładuje akumulator i uniemożliwi rozruch. Ponadto rozrusznik może ulec uszkodzeniu. Jeśli silnik nie uruchomi się po 5 sekundach, przekręć kluczyk na „ON“, odczekaj 10 sekund i spróbuj ponownie.
INFORMACJA:
Zimny silnik musi się rozgrzać.
2.6 Rozgrzewanie silnika
- Po uruchomieniu ustaw dźwignię zmiany biegów w pozycji neutralnej. Przez pierwsze 3 minuty po uruchomieniu rozgrzewaj silnik przy maksimum 1/5 gazu. W przeciwnym razie żywotność silnika ulegnie skróceniu.
- Sprawdź, czy z otworu kontrolnego wody chłodzącej wypływa ciągły strumień wody.

UWAGA:
- Jeśli w jakimkolwiek momencie podczas pracy silnika woda nie wypływa z otworu kontrolnego, natychmiast zatrzymaj silnik i sprawdź, czy wlot wody chłodzącej w dolnej obudowie lub otwór kontrolny nie są zatkane.
- Jeśli problemu nie da się znaleźć i usunąć, skontaktuj się z dealerem PARSUN.
2.7 Zmiana biegów
OSTRZEŻENIE:
Przed włączeniem biegu upewnij się, że w wodzie w pobliżu nie ma pływaków ani przeszkód.
UWAGA:
Aby zmienić bieg z płynięcia naprzód na wsteczny (lub odwrotnie), najpierw należy zamknąć przepustnicę gazu, aby silnik pracował na biegu jałowym (lub bardzo niskich obrotach).
2.7.1 Bieg w przód
- Obróć uchwyt przepustnicy do pozycji całkowicie zamkniętej.

- Szybkimi i zdecydowanym ruchem przesuń dźwignię zmiany biegów z pozycji neutralnej do przodu.

Dla modeli F25/20FW
Pociągnij blokadę biegu jałowego do góry i szybkim, zdecydowanym ruchem przesuń manetkę zdalnego sterowania z pozycji neutralnej do przodu.

2.7.2 Bieg wsteczny
OSTRZEŻENIE:
Na biegu wstecznym płyń z małą prędkością. Nie otwieraj przepustnicy więcej niż do połowy. W przeciwnym razie łódź może stać się niestabilna, co może doprowadzić do utraty kontroli i wypadków.
- Obróć uchwyt przepustnicy do pozycji całkowicie zamkniętej.

- Szybkimi i zdecydowanym ruchem przesuń dźwignię zmiany biegów z pozycji neutralnej do tyłu.

Dla modeli F25/20FW
OSTRZEŻENIE:
Na biegu wstecznym płyń z małą prędkością. Nie otwieraj przepustnicy więcej niż do połowy. W przeciwnym razie łódź może stać się niestabilna, co może doprowadzić do utraty kontroli i wypadków.
- Sprawdź, czy dźwignia blokady podnoszenia silnika znajduje się w pozycji zablokowanej.

- Pociągnij blokadę biegu jałowego do góry i szybkim, zdecydowanym ruchem przesuń manetkę zdalnego sterowania z pozycji neutralnej do tyłu.
2.8 Rumpel sterujący
Dla modeli F25/20BM i F25/20BW
- Zmiana kierunku Zmieniaj kierunek, przesuwając rumpel w lewo lub w prawo, zależnie od pożądanego kursu.

2. Zmiana prędkości
Obracaj uchwyt przepustnicy w kierunku przeciwnym do ruchu wskazówek zegara, aby zwiększyć prędkość, i zgodnie z ruchem wskazówek zegara, aby ją zmniejszyć.
3. Wskaźnik gazu
Uchwyt przepustnicy wyposażony jest we wskaźnik gazu. Krzywa zużycia paliwa na wskaźniku gazu pokazuje względne zużycie paliwa przy każdym ustawieniu przepustnicy. Wybierz ustawienie, które zapewnia najlepszą wydajność i oszczędność paliwa dla pożądanej prędkości.

- Wskaźnik gazu
4. Śruba regulacji oporu przepustnicy

Na rumplu znajduje się śruba regulacyjna, dzięki której można ustawić pożądany opór przy obracaniu uchwytem przepustnicy.
Obracaj śrubę zgodnie z ruchem wskazówek zegara, aby zwiększyć opór. Obracaj w przeciwnym kierunku, aby go zmniejszyć. Jeśli chcesz utrzymać stałą prędkość, dokręć regulator, aby unieruchomić przepustnicę w pożądanym położeniu.
OSTRZEŻENIE:
Nie dokręcaj regulatora zbyt mocno. Jeśli opór jest zbyt duży, poruszanie uchwytem może stać się trudne, co może prowadzić do wypadków.
2.9 Trymer (płetwa trymująca)
Płetwa trymująca powinna być tak ustawiona, aby sterowanie w lewo i w prawo wymagało takiego samego wysiłku.
OSTRZEŻENIE:
- Niewłaściwie ustawiona płetwa trymująca może prowadzić do problemów ze sterowanie. Po zamontowaniu lub wymianie płetwy zawsze wykonaj rejs próbny, aby sprawdzić, czy sterowanie przebiega prawidłowo.
- Upewnij się, że śruba jest dobrze dokręcona.
Jeśli łódź ściąga w lewo, obróć tylną krawędź płetwy trymującej w lewo. Jeśli łódź ściąga w prawo, obróć tylną krawędź w prawo.
2.10 Zatrzymywanie silnika
Dla modeli F25/20BM i F25/20BW
INFORMACJA:
Przed wyłączeniem pozwól silnikowi ostygnąć przez kilka minut, płynąc na biegu jałowym lub z małą prędkością. Nie zaleca się wyłączania silnika bezpośrednio po szybkim płynięciu.
- Wciśnij przycisk stop i trzymaj go, aż silnik całkowicie się zatrzyma.
INFORMACJA:
Jeśli silnik zaburtowy jest wyposażony w zrywkę bezpieczeństwa, silnik można również zatrzymać, pociągając za linkę, co spowoduje wyrwanie widełek z przełącznika.

- Zakręć śrubę odpowietrzającą na zbiorniku paliwa.

- Odłącz wąż paliwo.


Dla modeli F25/20FW
- Przekręć kluczyk w stacyje do pozycji „OFF“.

- Zakręć śrubę odpowietrzającą na zbiorniku paliwa.

- Odłącz wąż paliwo.


2.11 Ustawienia trymu silnika
Na uchwycie pawęży (bracket) znajduje się 4 lub 5 otworów służących do ustawiania kąta trymu silnika zaburtowego.
- Zatrzymaj silnik.
- Wyciągnij trzpień trymu z bracketu, lekko unosząc silnik.

- Włóż trzpień w pożądany otwór. Wykonaj rejsy próbne przy różnych ustawieniach trymu, aby znaleźć pozycję najlepiej pasującą do Twojej łodzi i warunków pływania.
OSTRZEŻENIE:
- Przed regulacją kąta trymu zatrzymaj silnik. Uważaj, aby nie przyciąć palców podczas wyjmowania lub wkładania trzpienia.
- Zachowaj ostrożność podczas pierwszego testowania nowego ustawienia trymu. Stopniowo zwiększaj prędkość i zwracaj uwagę na oznaki niestabilności lub problemy ze sterowanie. Niewłaściwy kąt trymu może prowadzić do utraty kontroli.
2.12 Podnoszenie i opuszczanie silnika (Tilt up/down)
Jeśli silnik nie jest używany przez pewien czas lub jeśli łódź znajduje się na płytkiej wodzie, silnik zaburtowy należy podnieść, aby chronić śrubę napędową i dolną obudowę przed uszkodzeniem przez przeszkody oraz aby zmniejszyć korozję.
OSTRZEŻENIE:
Podczas podnoszenia lub opuszczania silnika upewnij się, że w pobliżu nie ma osób i uważaj, aby nie przytrzasnąć części ciała między dolną obudową a uchwytem pawęży.
INFORMACJA:
Nie podnoś silnika za rumpel sterujący, może on ulec złamaniu. Silnika zaburtowego nie można podnieść, gdy znajduje się na biegu wstecznym.
2.12.1 Podnoszenie
Dla modeli F25/20BM i F25/20BW
- Ustaw silnik w pozycji Neutralnej (jeśli posiada dźwignię zmiany biegów).

- Dokręć regulator oporu sterowania zgodnie z ruchem wskazówek zegara, aby silnik nie mógł się swobodnie obracać.

- Odłącz wąż paliwo od silnika zaburtowego.

- Ustaw dźwignię blokady podnoszenia (jeśli występuje) w górnym położeniu.

- Chwyć za tylny uchwyt i podnieś silnik całkowicie do góry, aż wspornik podnoszenia automatycznie się zablokuje.

Dla modeli F25/20FW
- Ustaw manetkę zdalnego sterowania w pozycji neutralnej (jeśli występuje).

- Odłącz wąż paliwo od silnika zaburtowego.

- Ustaw dźwignię blokady podnoszenia (jeśli występuje) w górnym położeniu.

- Chwyć za tylny uchwyt i podnieś silnik całkowicie do góry, aż wspornik podnoszenia automatycznie się zablokuje.

2.12.2 Opuszczanie
Dla modeli F25/20BM i F25/20BW
- Lekko unieś silnik zaburtowy.
- Powoli opuszczaj silnik, ustawiając jednocześnie dźwignię blokady w dolnej pozycji.

- Poluzuj regulator oporu sterowania w kierunku przeciwnym do ruchu wskazówek zegara, aby ustawić pożądany opór sterowania.
OSTRZEŻENIE:
Jeśli opór jest zbyt duży, sterowanie może być trudne, co może prowadzić do wypadków.

Dla modeli F25/20FW
- Ustaw dźwignię blokady podnoszenia w pozycji zablokowanej.

- Lekko unieś silnik, aż belka wspierająca automatycznie się zwolni.
- Powoli opuść silnik.
2.13 Pływanie w innych warunkach
2.13.1 Pływanie w płytkiej wodzie
Silnik zaburtowy można częściowo podnieść do pływania w płytkiej wodzie.
OSTRZEŻENIE:
Przed pływaniem w płytkiej wodzie lub podnoszeniem silnika upewnij się, że silnik jest na biegu jałowym.
- Natychmiast przywróć silnik do normalnej pozycji, gdy łódź znajdzie się na głębszej wodzie. UWAGA:
Wlot wody chłodzącej w dolnej obudowie podczas pływania w płytkiej wodzie nie może nigdy znaleźć się powyżej lustra wody. W przeciwnym razie silnik może się przegrzać i ulec uszkodzeniu. Zobacz instrukcje podnoszenia w rozdziale 2.12.
2.13.2 Pływanie w słonej wodzie
Po użytkowaniu w słonej wodzie przepłucz kanały chłodzące słodką wodą, aby zapobiec ich zatkaniu przez osady soli.
3. Konserwacja
Regularna konserwacja jest kluczowa dla utrzymania wydajności silnika zaburtowego.
OSTRZEŻENIE:
- Podczas prac konserwacyjnych upewnij się, że silnik jest wyłączony, chyba że zaznaczono inaczej.
- Jeśli użytkownik lub właściciel nie jest doświadczonym mechanikiem, prace te powinny być wykonane przez dealera PARSUN lub inny wykwalifikowany personel.
UWAGA:
Jeśli wymagane są części zamienne, używaj wyłącznie oryginalnych części PARSUN lub części o tej samej jakości i materiale.
3.1 Smarowanie

3.2 Czyszczenie i regulacja świec zapłonowych
Świece zapłonowe muszą być okresowo wyjmowane i sprawdzane, ponieważ ciepło i osady stopniowo je zużywają i uszkadzają. W razie potrzeby świeca musi zostać wymieniona na świecę właściwego typu.
Przed instalacją zmierz odstęp między elektrodami za pomocą szczelinomierza; w razie potrzeby wyreguluj odstęp zgodnie ze specyfikacją.

Przy instalacji świecy zawsze oczyść powierzchnię styku uszczelki i użyj nowej podkładki. Usuń brud z gwintów i dokręć świecę odpowiednim momentem.
3.3 Kontrola układu paliwo
- Sprawdź węże paliwo pod kątem wycieków, pęknięć lub zużycia. Jeśli zostanie znaleziony problem, musi on zostać natychmiast usunięty przez dealera PARSUN lub inną wykwalifikowaną osobę.


OSTRZEŻENIE:
- Okresowo sprawdzaj układ paliwo pod kątem szczelności.
- W przypadku znalezienia wycieku paliwa, system musi zostać naprawiony przez specjalistę.
- Okresowo sprawdzaj filtr paliwa. Jeśli w filtrze znajduje się brud, wyczyść go.

3.3.1 Czyszczenie filtra paliwa
- Odkręć nakrętkę mocującą jednostkę filtra paliwa na miejscu (jeśli występuje).

- Odkręć kielich filtra i wytrzyj szmatką ewentualnie rozlane paliwo.
- Wyjmij wkład filtra i umyj go w rozpuszczalniku. Pozostaw do wyschnięcia. Sprawdź wkład filtra i O-ring kielicha, aby upewnić się, że są w dobrym stanie. W razie potrzeby wymień. Jeśli w paliwie znajduje się woda, należy sprawdzić i wyczyścić przenośne zbiorniki paliwa.

- Kielich filtra 2. O-ring 3. Wkład filtra 4. Pokrywa filtra
- Włóż wkład z powrotem do kielicha. Upewnij się, że O-ring jest prawidłowo osadzony w kielichu. Mocno przykręć kielich do pokrywy filtra.
- Ponownie zamontuj jednostkę filtra na wsporniku z podłączonymi wężami paliwo. Uruchom silnik i sprawdź, czy przy filtrze lub wężach nie ma wycieków.
3.4 Kontrola prędkości biegu jałowego
Do tej procedury należy użyć tachometru diagnostycznego. Wyniki mogą się różnić w zależności od tego, czy kontrola jest przeprowadzana z podłączeniem płuczki, w zbiorniku testowym czy z silnikiem w wodzie.
- Uruchom silnik i pozwól mu się całkowicie rozgrzać na biegu jałowym, aż zacznie pracować stabilnie.
- Sprawdź, czy prędkość biegu jałowego jest zgodna ze specyfikacją. Prędkość biegu jałowego: 975±50 Rpm.
INFORMACJA:
Prawidłowa kontrola prędkości biegu jałowego jest możliwa tylko przy w pełni rozgrzanym silniku. Jeśli silnik nie jest w pełni rozgrzany, obroty biegu jałowego będą wyższe niż normalnie. W przypadku problemów lub potrzeby regulacji, skonsultuj się z dealerem PARSUN lub innym wykwalifikowanym personelem.
3.5 Wymiana oleju silnikowego
OSTRZEŻENIE:
- Nie spuszczaj oleju silnikowego natychmiast po zatrzymaniu silnika. Olej jest gorący, więc pracuj ostrożnie, aby uniknąć oparzeń.
- Upewnij się, że silnik zaburtowy jest solidnie zamocowany do pawęży lub stabilnego stojaka.
UWAGA:
Wymień olej silnikowy po raz pierwszy po 10 godzinach pracy, a następnie co 100 godzin lub co 6 miesięcy. W przeciwnym razie silnik szybko się zużyje. Spuszczaj olej, gdy jest jeszcze ciepły.
- Ustaw silnik zaburtowy w pozycji pionowej (niepodniesiony).

- Zapewnij odpowiedni pojemnik o objętości większej niż pojemność oleju w silniku. Odkręć i zdejmij korek spustowy oleju, trzymając pojemnik pod otworem spustowym. Następnie zdejmij korek wlewu oleju. Pozwól olejowi całkowicie spłynąć. Natychmiast wytrzyj rozlany olej.


- Załóż nową podkładkę na korek spustowy oleju. Ponownie dokręć korek spustowy.
- Wlej wymaganą ilość oleju przez otwór wlewowy. Dokręć korek wlewu oleju.
- Uruchom silnik i sprawdź, czy nigdzie nie ma wycieków.
- Zatrzymaj silnik i odczekaj 3 minuty. Ponownie sprawdź poziom oleju bagnetem, aby upewnić się, że znajduje się między górnym a dolnym oznaczeniem.
UWAGA:
Olej musi być wymieniany częściej, jeśli silnik jest używany w trudnych warunkach, np. przy długotrwałym pływaniu z małą prędkością.
3.6 Kontrola okablowania i połączeń
Sprawdź, czy każdy przewód masowy jest dobrze przymocowany i czy każde połączenie wtykowe jest solidnie osadzone.
3.7 Kontrola pod kątem wycieków
Sprawdź, czy nie ma wycieków spalin lub wody na połączeniach między obudową wydechu, głowicą cylindrów a blokiem cylindrów. Sprawdź również, czy nie ma wycieków oleju wokół silnika.
UWAGA:
W przypadku znalezienia wycieków skonsultuj się z dealerem PARSUN.
3.8 Kontrola śruby napędowej
OSTRZEŻENIE:
- Zawsze zapobiegaj przypadkowemu uruchomieniu silnika przed inspekcją, demontażem lub montażem śruby: odłącz przewody świec zapłonowych, ustaw silnik na luzie, wyciągnij zrywkę bezpieczeństwa itp. Jeśli silnik uruchomiłby się podczas pracy przy nim, mógłbyś zostać poważnie ranny.
- Nie trzymaj śruby rękami podczas odkręcania lub dokręcania nakrętki śruby. Umieść drewniany klock między płytą antykawitacyjną a śrubą, aby zablokować rotację.


- Sprawdź każdą łopatę śruby pod kątem erozji, kawitacji lub innych uszkodzeń.
- Sprawdź wał śruby pod kątem uszkodzeń.
- Sprawdź wielowypust wału śruby i zawleczkę pod kątem zużycia lub uszkodzenia.
- Sprawdź, czy wokół wału śruby nie owinęła się żyłka wędkarska.
- Sprawdź uszczelniacz olejowy wału śruby pod kątem uszkodzeń.
3.8.1 Demontaż śruby napędowej
- Wyprostuj zawleczkę i wyciągnij ją szczypcami.
- Odkręć nakrętkę śruby, zdejmij podkładkę i ewentualną tuleję dystansową.
- Zdejmij śrubę napędową i tylną podkładkę oporową.
3.8.2 Montaż śruby napędowej
UWAGA:
- Pamiętaj o założeniu podkładki oporowej przed montażem śruby, w przeciwnym razie obudowa przekładni i piasta śruby mogą ulec uszkodzeniu.
- Zawsze używaj nowej zawleczki i dobrze odegnij jej końce. W przeciwnym razie śruba może się poluzować podczas płynięcia i zaginąć.
- Nasmaruj wał śruby smarem odpornym na wodę morską lub smarem antykorozyjnym.
- Załóż tuleję dystansową (jeśli występuje), podkładkę oporową i śrubę na wał.
- Załóż podkładkę i nakrętkę.
- Dokręć nakrętkę śruby. Wyrównaj nakrętkę z otworem w wale śruby. Włóż nową zawleczkę przez otwór i odegnij końce.
3.9 Wymiana oleju przekładniowego
OSTRZEŻENIE:
- Upewnij się, że silnik zaburtowy jest solidnie zamocowany do pawęży lub stabilnego stojaka.
- Nigdy nie stój pod silnikiem, gdy jest podniesiony, nawet jeśli dźwignia blokady jest zapięta. Spadający silnik może spowodować poważne obrażenia.
- Pochyl silnik zaburtowy tak, aby korek spustowy oleju w dolnej obudowie znajdował się w możliwie najniższym punkcie.
- Umieść odpowiedni pojemnik pod dolną obudową.
- Zdejmij korek spustowy oleju z dolnej obudowy.
- Korek spustowy oleju przekładniowego
- Śruba kontrolna poziomu oleju

UWAGA:
Wymień olej przekładniowy po raz pierwszy po 10 godzinach pracy, a następnie co 100 godzin lub co 6 miesięcy. W przeciwnym razie koła zębate szybko się zużyją.
- Zdejmij śrubę kontrolną poziomu oleju, aby olej mógł całkowicie spłynąć.
INFORMACJA:
Skontroluj olej po spuszczeniu. Jeśli olej jest białawy (mleczny), do obudowy przekładni dostała się woda, co może uszkodzić koła zębate. Skontaktuj się z dealerem PARSUN.
- Wtłocz olej przekładniowy przez otwór spustowy za pomocą elastycznego urządzenia do napełniania lub pompy ciśnieniowej (320 cm3).
- Gdy olej zacznie wypływać z otworu kontrolnego, wkręć śrubę kontrolną i dokręć ją (w razie potrzeby wymień uszczelkę).
- Wkręć korek spustowy oleju i dokręć go (w razie potrzeby wymień uszczelkę).
3.10 Czyszczenie zbiornika paliwa
OSTRZEŻENIE:
- Podczas czyszczenia zbiornika paliwa zachowaj odległość od iskier, papierosów, otwartego ognia lub innych źródeł zapłonu.
- Czyść zbiornik paliwa na zewnątrz, w dobrze wentylowanym miejscu.
- Przelać paliwo do zatwierdzonego pojemnika.
- Wlej niewielką ilość odpowiedniego rozpuszczalnika do zbiornika. Zamknij korek i potrząśnij zbiornikiem. Całkowicie wylej rozpuszczalnik.
- Wyciągnij jednostkę złącza paliwo ze zbiornika.
- Wymyj filtr w odpowiednim rozpuszczalniku i pozostaw do wyschnięcia.
- Wymień uszczelkę na nową. Załóż jednostkę złącza paliwo z powrotem i mocno dokręć śruby.
3.11 Kontrola i wymiana anod
Okresowo sprawdzaj zewnętrzne anody. Usuń nalot z powierzchni anod. W celu wymiany zewnętrznych anod skontaktuj się z dealerem PARSUN.
UWAGA:
Nie maluj anod, ponieważ staną się nieskuteczne, a silnik będzie szybciej korodować.
3.12 Kontrola obudowy silnika
Sprawdź, naciskając obiema rękami, czy górna pokrywa jest solidnie zamocowana. Jeśli jest luźna, skonsultuj się z dealerem PARSUN w celu naprawy.

3.13 Harmonogram konserwacji
Silnik będzie służył przez pełny zamierzony okres eksploatacji, jeśli będzie używany w normalnych warunkach i prawidłowo konserwowany.
Interwały konserwacyjne muszą być dostosowane do warunków użytkowania, ale poniższa tabela może służyć jako ogólna wytyczna.
Symbol „●“ oznacza czynności, które możesz wykonać samodzielnie.
Symbol „○“ oznacza prace, które powinny być wykonane przez dealera „Parsun“.
| Pozycja | Czynność | Pierwsze 10h (1 mies.) | 50h (3 mies.) | 100h (6 mies.) | 200h (1 rok) |
|---|---|---|---|---|---|
| Anoda(y) (zewnętrzne) | Inspekcja/Wymiana | ●/○ | ●/○ | ||
| Anoda(y) (wewnętrzne) | Inspekcja/Wymiana | ○ | |||
| Kanały chłodzące | Czyszczenie | ● | ● | ||
| Wsporniki chłodzenia | Inspekcja | ● | |||
| Filtr paliwa (jednorazowy) | Inspekcja/Czyszczenie | ● | ● | ● | |
| Układ paliwo | Inspekcja | ● | ● | ● | |
| Zbiornik paliwa (przenośny) | Inspekcja/Czyszczenie | ● | |||
| Olej przekładniowy (Gear oil) | Wymiana | ● | ● | ||
| Punkty smarowania | Smarowanie | ● | |||
| Obr. jałowe (gaźnik) | Inspekcja/Regulacja | ●/○ | ●/○ | ||
| Śruba napędowa i zawleczka | Inspekcja/Wymiana | ● | ● | ||
| Cięgna biegów/gazu | Inspekcja/Regulacja | ○ | |||
| Termostat | Inspekcja | ○ | |||
| Gaz/Cięgna/Kąt zapłonu | Inspekcja/Regulacja | ○ | |||
| Pompa wody | Inspekcja | ○ | |||
| Olej silnikowy | Inspekcja/Wymiana | ● | ● | ||
| Filtr oleju | Wymiana | ○ | |||
| Świece zapłonowe | Czyszcz./Regul./Wym. | ● | ● | ||
| Pasek rozrządu | Inspekcja/Wymiana | ○ | ○ | ||
| Luzy zaworowe (OHC, OHV) | Inspekcja/Regulacja | ○ | ○ |
UWAGA:
W przypadku użytkowania w wodzie słonej, mętnej lub błotnistej, silnik musi być płukany słodką wodą po każdym użyciu.
4. Transport i przechowywanie
4.1 Transport
Silnik zaburtowy należy transportować i przechowywać w normalnej pozycji roboczej. Jeśli w tej pozycji jest niewystarczający prześwit, transportuj silnik w pozycji podniesionej, używając specjalnego wspornika silnika.
UWAGA:
Nie używaj dźwigni blokady podnoszenia podczas transportu łodzi na przyczepie. Silnik zaburtowy może odpiąć się od wspornika i spaść.
OSTRZEŻENIE:
- Nigdy nie stój pod dolną obudową, gdy silnik jest podniesiony, nawet przy użyciu urządzenia wspierającego.
- Przechowuj silnik zaburtowy w pozycji pokazanej na ilustracji, gdy jest transportowany lub przechowywany poza łodzią.
UWAGA:
- Podłóż ręcznik lub coś podobnego pod silnik, aby chronić go przed uszkodzeniami.
- Silnik zaburtowy można położyć na boku (nie na przodzie) tylko po całkowitym spuszczeniu oleju silnikowego. W przeciwnym razie olej może wpłynąć do cylindrów i spowodować problemy z silnikiem.

4.2 Przechowywanie
Przy długotrwałym przechowywaniu (2 miesiące lub dłużej) silnika zaburtowego PARSUN należy przeprowadzić ważne procedury, aby zapobiec niepotrzebnym uszkodzeniom.
Zaleca się oddanie silnika zaburtowego do dealera PARSUN w celu przeprowadzenia konserwacji przed przechowywaniem. Poniższe procedury można jednak wykonać samodzielnie przy użyciu minimalnej ilości narzędzi.
UWAGA:
- Podczas transportu i przechowywania trzymaj silnik zaburtowy w pozycji pionowej. Jeśli silnik jest przechowywany lub transportowany na boku (nie pionowo), połóż go na poduszce po całkowitym spuszczeniu oleju.
- Kładź silnik zaburtowy na boku dopiero po całkowitym spuszczeniu wody chłodzącej.
- Przechowuj silnik zaburtowy w suchym, dobrze wentylowanym miejscu, z dala od bezpośredniego światła słonecznego.
- Umyj obudowę silnika słodką wodą.
- Odłącz wąż paliwo i dokręć śrubę odpowietrzającą.
- Zdejmij górną pokrywę i osłonę tłumika wlotowego.
- Zamontuj silnik zaburtowy na zbiorniku testowym.
- Najniższy poziom wody
- Poziom wody

- Napełnij zbiornik słodką wodą do poziomu powyżej płyty antykawitacyjnej.
UWAGA:
Jeśli poziom wody jest poniżej płyty antykawitacyjnej lub jeśli dopływ wody jest niewystarczający, silnik może ulec uszkodzeniu.
- Uruchom silnik. Przepłucz układ chłodzenia. Wykonuj płukanie i konserwację („fogging”) jednocześnie, ponieważ konserwacja (smarowanie) silnika jest obowiązkowa w celu zapobieżenia korozji.
OSTRZEŻENIE:
- Podczas uruchamiania lub pracy silnika nie dotykaj ani nie zdejmuj części elektryczny.
- Trzymaj ręce, włosy i odzież z dala od koła zamachowego i innych obracających się części, gdy silnik pracuje.
- Pozwól silnikowi pracować przez kilka minut na biegu jałowym przy podwyższonych obrotach.
- Tuż przed zatrzymaniem silnika rozpylaj naprzemiennie do każdego gaźnik lub do otworu konserwacyjnego w osłonie tłumika (jeśli występuje) „olej konserwujący” (fogging oil).
- Jeśli olej konserwujący nie jest dostępny, pozwól silnikowi pracować na podwyższonym biegu jałowym do wyczerpania paliwa w układzie i zatrzymania silnika.
- Jeśli olej konserwujący nie jest dostępny, wyjmij świece zapłonowe. Wlej łyżkę czystego oleju silnikowego do każdego cylindra. Obróć silnik ręcznie kilka razy. Załóż świece z powrotem.
- Całkowicie spuść paliwo ze zbiornika.
UWAGA:
Przechowuj zbiornik paliwa w suchym, dobrze wentylowanym miejscu, z dala od bezpośredniego światła słonecznego.
5. Postępowanie w sytuacjach awaryjnych
5.1 Uszkodzenia po kolizji
Jeśli silnik zaburtowy uderzy w obiekt w wodzie, wykonaj poniższe kroki.
- Natychmiast zatrzymaj silnik.
- Skontroluj układ sterowania i wszystkie części pod kątem uszkodzeń.
- Niezależnie od tego, czy znajdziesz uszkodzenia, czy nie, płyn powoli i ostrożnie do najbliższego portu.
- Przed ponownym użyciem zleć sprawdzenie silnika dealerowi PARSUN.
5.2 Rozrusznik nie działa
Jeśli mechanizm rozruchowy nie działa, silnik można uruchomić za pomocą awaryjnej linki rozruchowej.
OSTRZEŻENIE:
- Używaj tej procedury wyłącznie w sytuacjach awaryjnych i tylko w celu dotarcia do portu w celu naprawy.
- Jeśli silnik jest uruchamiany linką awaryjną, blokada rozruchu nie działa. Upewnij się, że manetka zdalnego sterowania jest w pozycji neutralnej.
- Podczas ciągnięcia linki startowej upewnij się, że nikt nie stoi za Tobą. Linka może odskoczyć i kogoś zranić.
- Po uruchomieniu nie zakładaj z powrotem mechanizmu rozruchowego ani górnej pokrywy. Trzymaj luźną odzież i inne przedmioty z dala od pracującego silnika. Nie dotykaj koła zamachowego ani innych ruchomych części, gdy silnik pracuje.
- Podczas uruchamiania lub pracy nie dotykaj cewki zapłonowej, przewodów świec, fajek świec ani innych części elektryczny.
Procedura jest następująca:
- Zdejmij górną pokrywę.
- Odłącz kabel blokady rozruchu i kabel ssania (choke).

- Kabel blokady rozruchu
- Zdejmij osłonę rozrusznik, odkręcając trzy śruby. Odłącz połączenia lampki ostrzegawczej.


- Przygotuj silnik do rozruchu. Zobacz informacje w rozdziale 2.5.
- Umieść koniec linki awaryjnej z węzłem w wycięciu wirnika koła zamachowego i owiń linkę kilka razy zgodnie z ruchem wskazówek zegara wokół koła zamachowego.
- Powoli ciągnij za linkę, aż poczujesz opór.

- Mocno pociągnij, aby obrócić i uruchomić silnik. W razie potrzeby powtórz.
5.3 Postępowanie z zalanym silnikiem
Jeśli silnik zaburtowy był pod wodą, natychmiast dostarcz go do dealera PARSUN. W przeciwnym razie korozja może rozpocząć się prawie natychmiast.
- Dokładnie spłucz błoto słodką wodą.
- Wyjmij świece zapłonowe i skieruj otwory w dół, aby woda lub błoto mogły wypłynąć.
- Spuść paliwo z gaźnik, filtra paliwa i węży. Całkowicie spuść olej silnikowy.
- Napełnij skrzynię korbową nowym olejem silnikowym.
- Rozpyl olej konserwujący lub olej silnikowy do gaźników i otworów świec podczas obracania silnika.
- Jak najszybciej dostarcz silnik do dealera PARSUN.
UWAGA:
Nie próbuj uruchamiać silnika, dopóki nie zostanie on dokładnie sprawdzony.
6. Rozwiązywanie problemów
| Typ usterki | Możliwa przyczyna | Działanie do podjęcia |
|---|---|---|
| Rozrusznik nie działa | Wadliwe elementy rozrusznik | Skontaktuj się z dealerem w celu naprawy |
| Dźwignia biegów nie na luzie | Ustaw w pozycji Neutral | |
| Silnik nie startuje (rozrusznik kręci) | Pusty zbiornik paliwa | Napełnij zbiornik świeżym paliwem |
| Paliwo zanieczyszczone lub stare | Napełnij zbiornik świeżym paliwem | |
| Filtr paliwa zatkany | Wyczyść lub wymień na zalecany typ | |
| Pompa paliwa uszkodzona | Skontaktuj się z dealerem w celu naprawy | |
| Świece brudne lub niewłaściwy typ | Sprawdź świece. Wyczyść lub wymień | |
| Kable świec źle podłączone | Sprawdź i podłącz prawidłowo | |
| Okablowanie zapłonu uszkodzone | Sprawdź zużycie. Dokręć połączenia. Wymień kable | |
| Wadliwe części układu zapłonowego | Skontaktuj się z dealerem w celu naprawy | |
| Zrywka bezpieczeństwa niepodłączona | Podłącz zrywkę bezpieczeństwa | |
| Wewnętrzne uszkodzenie silnika | Skontaktuj się z dealerem w celu naprawy | |
| Silnik pracuje nierówno na jałowym lub gaśnie | Świece brudne lub niewłaściwy typ | Sprawdź świece. Wyczyść lub wymień |
| Układ paliwo zatkany | Sprawdź czy węże nie są zagięte lub zatkane | |
| Paliwo zanieczyszczone lub stare | Napełnij zbiornik świeżym paliwem | |
| Filtr paliwa zatkany | Wyczyść lub wymień | |
| Niewłaściwy odstęp elektrod świecy | Sprawdź i wyreguluj | |
| Okablowanie zapłonu uszkodzone | Sprawdź zużycie. Dokręć połączenia. Wymień kable | |
| Użyto niewłaściwego oleju | Sprawdź i wymień na zalecany olej | |
| Termostat wadliwy lub zatkany | Skontaktuj się z dealerem w celu naprawy | |
| Błędne ustawienia gaźnik | Skontaktuj się z dealerem w celu naprawy | |
| Gaźnik zatkany | Skontaktuj się z dealerem w celu naprawy | |
| Pompa paliwa uszkodzona | Skontaktuj się z dealerem w celu naprawy | |
| Śruba odpowietrzająca zamknięta | Odkręć śrubę | |
| Złącze paliwa źle zamocowane | Zamocuj prawidłowo | |
| Przepustnica źle wyregulowana | Skontaktuj się z dealerem w celu naprawy | |
| Ssanie nie w pozycji wyjściowej | Cofnij do pozycji roboczej | |
| Utrata mocy silnika | Świece brudne lub niewłaściwy typ | Sprawdź świece. Wyczyść lub wymień |
| Układ paliwo zatkany | Sprawdź czy węże nie są zagięte lub zatkane | |
| Filtry paliwa zatkane | Wyczyść lub wymień | |
| Paliwo zanieczyszczone lub stare | Napełnij zbiornik świeżym paliwem | |
| Niewłaowy odstęp elektrod świecy | Sprawdź i wyreguluj | |
| Okablowanie zapłonu uszkodzone | Sprawdź kable. Dokręć połączenia. Wymień kable | |
| Wadliwe części zapłonu | Skontaktuj się z dealerem w celu naprawy | |
| Użyto niewłaściwego oleju | Sprawdź i wymień na zalecany olej | |
| Termostat wadliwy lub zatkany | Skontaktuj się z dealerem w celu naprawy | |
| Śruba odpowietrzająca zamknięta | Odkręć śrubę | |
| Pompa paliwa uszkodzona | Skontaktuj się z dealerem w celu naprawy | |
| Złącze paliwa źle zamocowane | Zamocuj prawidłowo | |
| Stan świec zły lub nie działają | Sprawdź i wymień świece | |
| Śruba napędowa uszkodzona | Napraw lub wymień śrubę | |
| Wał śruby napędowej uszkodzony | Skontaktuj się z dealerem w celu naprawy | |
| Niewłaściwy kąt trymu | Dostosuj kąt dla maks. wydajności | |
| Silnik zamontowany na złej wys. | Ustaw silnik na właściwej wysokości | |
| Dno łodzi brudne lub uszkodzone | Wyczyść dno łodzi | |
| Wodorosty lub inne na przekładni | Usuń brud i wyczyść | |
| Silnik zbyt mocno wibruje | Śruba napędowa uszkodzona | Napraw lub wymień śrubę |
| Poluzowane śruby montażowe | Dokręć śruby | |
| Rumpel sterujący poluzowany | Dokręć | |
| Rumpel sterujący uszkodzony | Skontaktuj się z dealerem w celu naprawy |
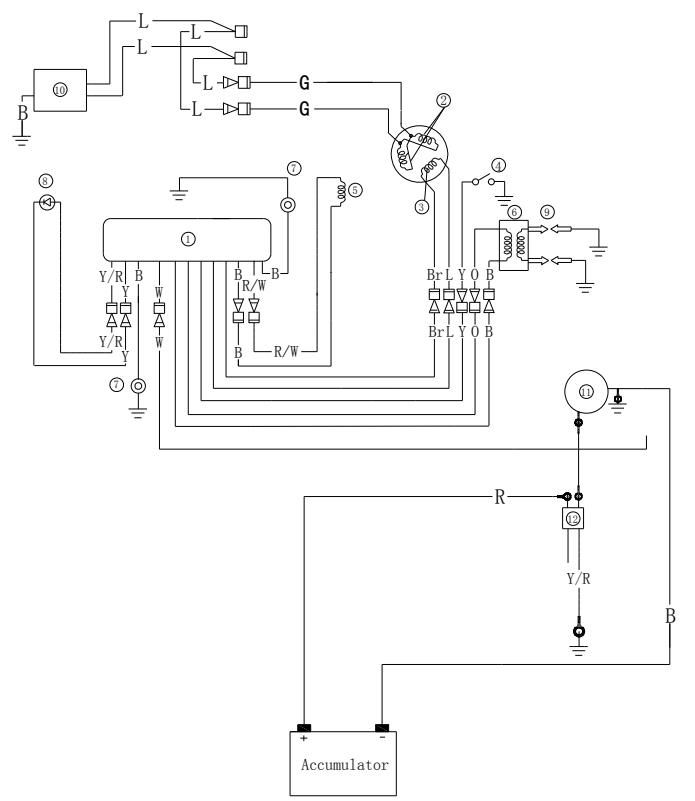
7. Schemat elektryczny


| R | czerwony | Y/R | żółty/czerwony | | Y | żółty | O | pomarańczowy | | L | niebieski | R/W | czerwony/biały | | G | zielony | B | czarny | | Br | brązowy | W | biały |
| Nr. | OPIS | Nr. | OPIS |
|---|---|---|---|
| 1 | Lampka ostrzegawcza / Jednostka zapłonowa (CDI) | 8 | Jednostka zapłonowa |
| 2 | Cewka elektroniczna | 9 | Świeca zapłonowa |
| 3 | Cewka ładowania | 10 | Automatyczne zatrzymanie |
| 4 | Czujnik poziomu oleju | 11 | Rozrusznik elektryczny |
| 5 | Cewka zapłonowa | 12 | Przekaźnik rozrusznik |
| 6 | Lampka LED wysokiego napięcia | 13 | Solenoid rozrusznik |
| 7 | Masa | 14 | Oprawa bezpiecznika |
F25/20BW


| R | czerwony | 4 | Przełącznik | |||
|---|---|---|---|---|---|---|
| Y | żółty | Y/R | żółty/czerwony | 3 | Zapłon | |
| L | niebieski | R/W | czerwony/biały | 2 | Przełącznik stop | |
| G | zielony | В | czarny | 1 | Brzęczyk (buzzer) | |
| Br | brązowy | W | biały | Nr. | OPIS |