SILNIKI ZABURTOWE F15BM/BW/FW F9.9BM/BW/FW INSTRUKCJA OBSŁUGI
Spis treści
- 1. Główne komponenty i informacje ogólne
- 2 Obsługa
- 3. Konserwacja
- 3.1 Smarowanie
- 3.2 Czyszczenie i regulacja świecy zapłonowej
- 3.3 Sprawdzanie układu paliwowego
- 3.4 Sprawdzanie obrotów biegu jałowego
- 3.5 Wymiana oleju silnikowego
- 3.6 Sprawdzanie okablowania i połączeń
- 3.7 Sprawdzanie pod kątem wycieków
- 3.8 Sprawdzanie śruby napędowej
- 3.9 Wymiana oleju przekładniowego
- 3.10 Czyszczenie zbiornika paliwa
- 3.11 Sprawdzanie i wymiana anod
- 3.12 Sprawdzanie górnej obudowy
- 3.13 Harmonogram konserwacji
- 4 Transport i przechowywanie
- 5. Środki doraźne
- 6. Rozwiązywanie problemów
- Schemat elektryczny
1. Główne komponenty i informacje ogólne
1.1 Główne komponenty


- Górna obudowa (pokrywa)
- Dźwignia blokady górnej obudowy
- Śruba spustowa oleju
- Płyta antykawitacyjna
- Śruba napędowa
- Wlot wody chłodzącej
- Pręt trymu (trim rod)
- Wspornik rufowy
- Śruba regulacji oporu sterowania
- Rumpel
- Uchwyt rozrusznika ręcznego
- Lampka ostrzegawcza
- Dźwignia zmiany biegów
- Przycisk zatrzymania silnika / zrywka
- Regulator oporu manetki gazu
- Uchwyt manetki gazu
- Śruba zaciskowa wspornika
- Oczko do liny zabezpieczającej
- Dźwignia wspornika odchylania
- Złącze paliwowe
- Zbiornik paliwa
Przenośny zbiornik paliwa zawiera następujące elementy:


- Korek zbiornika
- Złącze paliwo
- Śruba odpowietrzająca
- Wskaźnik paliwa

Zbiornik paliwa dostarczony z tym silnikiem powinien być używany wyłącznie do zasilania paliwem podczas pracy, a nie jako pojemnik do przechowywania paliwa.
Zdalne sterowanie (Manetka)
Dźwignia zdalnego sterowania obsługuje zarówno zmianę biegów, jak i przepustnicę. Przełączniki elektryczne są zamontowane na obudowie manetki.

- Dźwignia zdalnego sterowania
- Blokada biegu jałowego (Neutral lock)
- Dźwignia przyspieszenia na biegu jałowym (Neutral throttle)
- Przełącznik główny / ssanie (choke)
- Zrywka (linka bezpieczeństwa)
- Regulator oporu manetki gazu
Dźwignia zdalnego sterowania
Przesunięcie dźwigni do przodu z położenia neutralnego włącza bieg do przodu. Pociągnięcie dźwigni do tyłu z położenia neutralnego włącza bieg wsteczny. Silnik nadal pracuje na biegu jałowym, dopóki dźwignia nie zostanie przesunięta o około 35º (wyczuwalne kliknięcie). Dalsze przesuwanie dźwigni otwiera przepustnicę i silnik zaczyna przyspieszać.

- Bieg jałowy "N"
- Do przodu "F"
- Wstecz "R"
- Zmiana biegów
- Całkowicie zamknięta
- Przepustnica (Gaz)
- Całkowicie otwarta
Blokada biegu jałowego (Neutral lock)
Aby zmienić bieg z położenia neutralnego, najpierw pociągnij do góry blokadę biegu jałowego.

- Blokada biegu jałowego
Dźwignia przyspieszenia na biegu jałowym (Neutral throttle)
Aby otworzyć przepustnicę bez włączania biegu do przodu lub wstecznego, ustaw dźwignię zdalnego sterowania w położeniu neutralnym i podnieś dźwignię przyspieszenia na biegu jałowym.
UWAGA:
Dźwignia przyspieszenia na biegu jałowym działa tylko wtedy, gdy dźwignia zdalnego sterowania znajduje się w położeniu neutralnym. Dźwignia zdalnego sterowania działa tylko wtedy, gdy dźwignia przyspieszenia na biegu jałowym jest w położeniu zamkniętym.

- Całkowicie otwarta
- Całkowicie zamknięta
1.2 Informacje ogólne
1.2.1 Dane techniczne
Parametry
| Element | Dane | Element | Dane |
|---|---|---|---|
| Typ silnika | 4-suwowy L | Masa (S) | 49 kg |
| Pojemność skokowa | 323 cm 3 | Masa (L) | 51 kg |
| Średnica X Skok | 59 mm × 59 mm | Zalecane paliwo | Bezołowiowa benzyna normalna |
| Przełożenie | 2,08 (27/13) | Pojemność zbiornika | 24 L |
| Długość całkowita | 1001 mm | Zalecany olej silnikowy | SAE10W30 lub SAE10W40 |
| Szerokość całkowita | 427 mm | Ilość oleju silnikowego | 1,0 L |
| Wysokość całkowita (S) | 1080 mm | Zalecany olej przekładn. | Olej hipoidalny SAE # 90 |
| Wysokość całkowita (L) | 1207 mm | Ilość oleju przekładn. | 250 cm 3 |
| Wysokość pawęży (S) | 381 mm | Świeca zapłonowa | DPR6EA-9 |
| Wysokość pawęży (L) | 508 mm | Odstęp elektrod | 0,8 ~ 0,9 mm |
Osiągi
| Element | Dane | Element | Dane | |||
|---|---|---|---|---|---|---|
| Maksymalna moc wyjściowa | 11 kW/5000 obr/min (15 KM) | Luz zaworowy ssący (zimny silnik) | 0,15 ~ 0,25 mm | |||
| 7,3 kW/5000 obr/min (9,9 KM) | Luz zaworowy wydechowy (zimny) | 0,20 ~ 0,30 mm | ||||
| Maks. zakres roboczy | 4500 ~ 5500 obr/min | Moment dokręcania | Świeca zapłonowa | 18,0 Nm | ||
| Obr. biegu jałowego (luz) | 950 $\pm$ 50 obr/min | dla silnika | Śruba spustu oleju | 28,0 Nm |
1.2.2 Instrukcje dotyczące paliwa
Instrukcje dotyczące paliwa:
Zalecana benzyna: Bezołowiowa benzyna normalna. Jeśli jest niedostępna, użyj bezołowiowej benzyny premium.
Jeśli wystąpi stukotanie lub detonacja, użyj benzyny innej marki lub benzyny bezołowiowej premium. Jeśli normalnie używasz benzyny ołowiowej, zawory silnika i powiązane części muszą być sprawdzane co 100 godzin pracy.
OSTRZEŻENIE:
- Nie pal podczas tankowania i trzymaj się z dala od iskier, ognia lub innych źródeł zapłonu.
- Zatrzymaj silnik przed tankowaniem.
- Tankuj w dobrze wentylowanym miejscu; napełniaj przenośne zbiorniki poza łodzią.
- Nie przepełniaj zbiornika paliwa.
- Uważaj, aby nie rozlać paliwa. Jeśli paliwo się rozleje, natychmiast je wytrzyj.
- Mocno zakręć korek zbiornika po tankowaniu.
- W przypadku połknięcia paliwa, wdychania oparów paliwa lub dostania się paliwa do oczu, natychmiast skonsultuj się z lekarzem.
- Jeśli paliwo wejdzie w kontakt ze skórą, natychmiast umyj ją wodą z mydłem. Zmień ubranie, jeśli rozlało się na nie paliwo.
- Dotknij dyszą wlewową metalowych części, aby zapobiec powstawaniu iskier z elektryczności statycznej.
PRZESTROGA:
Używaj tylko świeżej i czystej benzyny, która była przechowywana w czystych pojemnikach i nie jest zanieczyszczona wodą ani substancjami obcymi.
Olej silnikowy:
Zalecany olej silnikowy: Olej do 4-suwowych silników zaburtowych SAE10W30 i SAE10W40 (1,0 L).
OSTRZEŻENIE:
- Nie uruchamiaj silnika przy niskim poziomie oleju. Może to spowodować poważne uszkodzenia.
- Zawsze sprawdzaj poziom oleju przed uruchomieniem silnika.
PRZESTROGA:
Wszystkie silniki 4-suwowe są wysyłane z fabryki bez oleju silnikowego.
1.2.3 Wybór śruby napędowej
Osiągi silnika zaburtowego zależą w decydującym stopniu od wyboru śruby napędowej, ponieważ niewłaściwy wybór może negatywnie wpłynąć na osiągi. Silnik zaburtowy jest wyposażony w śrubę napędową dobraną pod kątem dobrych ogólnych osiągów, ale mogą istnieć zastosowania, w których śruba o innym skoku byłaby bardziej odpowiednia. Dealerzy „PARSUN” dysponują szeroką gamą śrub i mogą doradzić oraz zamontować śrubę najlepiej dopasowaną do Twojego zastosowania.
W przypadku dużych obciążeń i niskich obrotów silnika lepiej nadaje się śruba o mniejszym skoku. I odwrotnie, śruba o dużym skoku jest bardziej odpowiednia do lżejszych obciążeń roboczych, ponieważ pozwala utrzymać właściwą liczbę obrotów silnika.
2 Obsługa
2.1 Instalacja
Zamontuj silnik zaburtowy na linii środkowej (linii kilu) łodzi. W przypadku łodzi bez kilu lub łodzi asymetrycznych skonsultuj się z dealerem.

- Linia środkowa (linia kilu)
UWAGA:
Podczas testu na wodzie sprawdź wyporność łodzi w spoczynku, przy maksymalnym obciążeniu. Sprawdź, czy statyczny poziom wody w obudowie wydechu jest wystarczająco niski, aby zapobiec przedostawaniu się wody do głowicy silnika, gdy poziom wody podniesie się pod wpływem fal, gdy silnik nie pracuje.
OSTRZEŻENIE:
- Przeciążenie łodzi silnikiem o zbyt dużej mocy może spowodować poważną niestabilność. Nie instaluj silnika zaburtowego o mocy przekraczającej maksymalną moc podaną na tabliczce znamionowej łodzi. Jeśli łódź nie posiada tabliczki znamionowej, skonsultuj się z producentem.
- Nieprawidłowa instalacja silnika zaburtowego może prowadzić do niebezpiecznych sytuacji i obrażeń ciała.
- Silnik powinien zamontować dealer lub inna doświadczona osoba posiadająca odpowiedni sprzęt. Jeśli instalujesz silnik samodzielnie, powinieneś zostać przeszkolony przez osobę doświadczoną.
- Informacje podane w tej sekcji służą wyłącznie jako odniesienie. Prawidłowa instalacja zależy częściowo od doświadczenia oraz specyficznej kombinacji łodzi i silnika.
2.1.1 Wysokość montażu
Wysokość montażu silnika zaburtowego ma ogromny wpływ na wydajność łodzi. Jeśli wysokość montażu jest zbyt duża, pojawia się tendencja do kawitacji, co zmniejsza napęd. Jeśli wysokość montażu jest zbyt niska, opór wody wzrośnie, co zmniejszy wydajność silnika. Zamontuj silnik zaburtowy tak, aby płyta antykawitacyjna znajdowała się między dnem łodzi a płaszczyzną 25 mm poniżej niego.

UWAGA:
Optymalna wysokość montażu silnika zaburtowego zależy od kombinacji łodzi i silnika oraz zamierzonego zastosowania. Testy na wodzie przy różnych wysokościach mogą pomóc w określeniu optymalnej wysokości montażu. Skonsultuj się z dealerem PARSUN lub producentem łodzi w celu uzyskania dalszych informacji.
2.1.2 Mocowanie silnika zaburtowego
- Dokręć śruby zaciskowe pawęży równomiernie i mocno. Okresowo sprawdzaj dokręcenie śrub zaciskowych podczas pracy silnika, ponieważ mogą one poluzować się pod wpływem wibracji silnika.

PRZESTROGA:
Silniki zaburtowe zamocowane wyłącznie za pomocą śrub zaciskowych NIE SĄ WYSTARCZAJĄCO zabezpieczone na pawęży. Prawidłowa instalacja silnika obejmuje zabezpieczenie go do łodzi za pomocą śrub przechodzących przez pawęż.
OSTRZEŻENIE:
Luźne śruby zaciskowe mogą spowodować odpadnięcie silnika lub jego przesunięcie na pawęży. Może to spowodować utratę kontroli. Upewnij się, że śruby zaciskowe są mocno dokręcone i sprawdzaj je okresowo podczas pracy.
- Jeśli silnik jest wyposażony w oczko do liny zabezpieczającej, należy użyć liny lub łańcucha zabezpieczającego. Przymocuj go do bezpiecznego punktu montażowego na łodzi, aby zapobiec całkowitej utracie silnika w razie przypadkowego spadnięcia z pawęży.

- Przymocuj wspornik rufowy do pawęży za pomocą odpowiednich śrub. Aby uzyskać szczegółowe informacje, skonsultuj się z dealerem PARSUN.
OSTRZEŻENIE:
Unikaj używania nieodpowiednich śrub, nakrętek lub podkładek. Po dokręceniu wykonaj test silnika i sprawdź jego stabilność.
2.2 Docieranie silnika
Nowy silnik wymaga okresu docierania, aby powierzchnie styku ruchomych części zużywały się równomiernie.
PRZESTROGA:
Nieprzestrzeganie procedury docierania może skutkować skróceniem żywotności silnika lub nawet poważnymi uszkodzeniami silnika.
- Podczas pierwszej godziny pracy:
Uruchom silnik na 2000 obr/min lub na około połowę gazu.
- Podczas drugiej godziny pracy:
Uruchom silnik na 3000 obr/min lub na około trzy czwarte gazu.
- Podczas kolejnych ośmiu godzin pracy:
Unikaj ciągłej pracy na pełnym gazie przez ponad pięć minut z rzędu.
- Pracuj silnikiem normalnie.
2.3 Kontrola przed uruchomieniem
Paliwo
- Sprawdź, czy masz wystarczającą ilość paliwa na podróż.
- Upewnij się, że nie ma wycieków paliwa ani oparów benzyny.
- Sprawdź szczelność połączeń przewodów paliwo.
- Upewnij się, że zbiornik paliwa znajduje się na płaskiej i bezpiecznej powierzchni, a przewód paliwo nie jest skręcony, zmiażdżony ani nie styka się z ostrymi przedmiotami.
Sterowanie
- Przed uruchomieniem silnika sprawdź prawidłowe działanie manetki (gazu), zmiany biegów i sterowania.
- Elementy sterujące powinny działać płynnie, bez zacięć i nietypowych luzów.
- Sprawdź, czy nie ma poluzowanych lub uszkodzonych połączeń.
- Sprawdź działanie rozrusznik ręcznego i wyłączników zatrzymania, gdy silnik zaburtowy znajduje się w wodzie.
PRZESTROGA:
- Nie uruchamiaj silnika poza wodą. Może to spowodować przegrzanie i poważne uszkodzenie silnika.
- Sprawdź silnik i wspornik silnika.
- Sprawdź, czy nie ma poluzowanych lub uszkodzonych elementów mocujących.
- Sprawdź, czy śruba napędowa nie jest uszkodzona.
Sprawdzanie poziomu oleju silnikowego
- Ustaw silnik zaburtowy w pozycji pionowej (nie odchylony).
- Sprawdź poziom oleju za pomocą bagnetu, aby upewnić się, że poziom znajduje się między znakiem górnym a dolnym. Dolej oleju, jeśli jest poniżej znaku dolnego, lub spuść do określonego poziomu, jeśli jest powyżej znaku górnego.

- Bagnet pomiarowy 2. Znak górny

- Znak dolny
PRZESTROGA:
Upewnij się, że bagnet jest całkowicie wsunięty w swój otwór.
2.4 Tankowanie paliwa
OSTRZEŻENIE:
Benzyna i jej opary są wysoce łatwopalne i wybuchowe. Trzymaj się z dala od iskier, papierosów, ognia lub innych źródeł zapłonu.
- Zdejmij korek zbiornika.
- Ostrożnie napełnij zbiornik paliwa.
- Mocno zakręć korek po napełnieniu zbiornika. Wytrzyj rozlane paliwo.

2.5 Uruchamianie silnika
Dla F15/9.9BM
- Mocno podłącz złącza paliwo po poluzowaniu śruby odpowietrzającej w korku zbiornika (2 lub 3 obroty).


- Mocno podłącz złącza paliwo i naciskaj gruszkę paliwoą wylotem do góry, aż poczujesz, że stała się twarda (jeśli wyposażony w złącze paliwo).


- Ustaw dźwignię zmiany biegów w położeniu neutralnym.

UWAGA:
Urządzenie zabezpieczające przed uruchomieniem na biegu uniemożliwia rozruch silnika, z wyjątkiem położenia neutralnego. Przymocuj linkę wyłącznika zatrzymania silnika do bezpiecznego miejsca na ubraniu lub do ramienia lub nogi. Następnie zainstaluj płytkę blokującą na drugim końcu linki w wyłączniku zatrzymania silnika.
OSTRZEŻENIE:
- Silnik musi być uruchamiany na luzie, w przeciwnym razie może ulec uszkodzeniu.
- Nie mocuj linki do ubrania, które może się rozerwać. Nie prowadź linki w miejscach, w których może się splątać, uniemożliwiając jej działanie.
- Unikaj przypadkowego pociągnięcia linki podczas normalnej pracy. Utrata mocy silnika wiąże się z utratą kontroli nad sterownością. Ponadto, bez mocy silnika, łódź może gwałtownie zwolnić. Może to spowodować wyrzucenie do przodu osób i przedmiotów znajdujących się na łodzi.

- Ustaw uchwyt manetki gazu w położeniu „START”.

- Całkowicie wyciągnij dźwignię ssania (choke).

- Dźwignia ssania
UWAGA:
- Nie ma potrzeby używania ssania, gdy silnik jest ciepły.
- Jeśli ssanie zostanie pozostawione w pozycji wyciągniętej podczas pracy silnika, będzie on pracował nieprawidłowo lub zgaśnie.
- 6. Powoli pociągnij uchwyt rozrusznik ręcznego, aż poczujesz opór. Następnie pociągnij mocno i prosto, aby zakręcić silnikiem i go uruchomić. Powtórz w razie potrzeby.

- Po uruchomieniu silnika powoli cofnij uchwyt rozrusznik ręcznego do pierwotnego położenia przed jego puszczeniem.
- Powoli cofnij uchwyt manetki gazu do położenia całkowicie zamkniętego.
PRZESTROGA:
- Gdy silnik jest zimny, musi zostać rozgrzany.
- Jeśli silnik nie uruchomi się za pierwszym razem, powtórz procedurę. Jeśli silnik nie uruchomi się po 4 lub 5 próbach, lekko otwórz przepustnicę (od 1/8 do 1/4) i spróbuj ponownie.
Dla F15/9.9BW
- Poluzuj śrubę odpowietrzającą w korku zbiornika o 2 lub 3 obroty.

- Ustaw dźwignię zmiany biegów w położeniu neutralnym.

OSTRZEŻENIE:
Silnik musi być uruchamiany na luzie, w przeciwnym razie rozrusznik może ulec uszkodzeniu.
- Nie mocuj linki do ubrania, które może się rozerwać. Nie prowadź linki w miejscach, w których może się splątać, uniemożliwiając jej działanie.
- Unikaj przypadkowego pociągnięcia linki podczas normalnej pracy. Utrata mocy silnika wiąże się z utratą kontroli nad sterownością. Ponadto, bez mocy silnika, łódź może gwałtownie zwolnić. Może to spowodować wyrzucenie do przodu osób i przedmiotów znajdujących się na łodzi.
UWAGA:
Urządzenie zabezpieczające przed uruchomieniem na biegu uniemożliwia rozruch silnika, z wyjątkiem położenia neutralnego. Przymocuj linkę wyłącznika zatrzymania silnika do bezpiecznego miejsca na ubraniu lub do ramienia lub nogi. Następnie zainstaluj płytkę blokującą na drugim końcu linki w wyłączniku zatrzymania silnika.

- Ustaw uchwyt manetki gazu w położeniu „START”. Obróć przełącznik główny w położenie „ON”.


- Naciśnij i przytrzymaj przełącznik główny, aby zdalnie uruchomić ssanie (choke). Obróć przełącznik główny w położenie „START” i przytrzymaj maksymalnie 5 sekund.

- Po uruchomieniu silnika powoli cofnij uchwyt rozrusznik ręcznego do pierwotnego położenia przed jego puszczeniem. Zwolnij przełącznik główny natychmiast po uruchomieniu silnika i pozwól mu wrócić do położenia „ON”.
- Powoli cofnij uchwyt manetki gazu do położenia całkowicie zamkniętego.
UWAGA:
- Nigdy nie obracaj przełącznika głównego w położenie „START” podczas pracy silnika.
- Nie uruchamiaj rozrusznik przez czas dłuższy niż 5 sekund. Jeśli rozrusznik będzie pracować potocznie przez ponad 5 sekund, akumulator szybko się rozładuje, co uniemożliwi uruchomienie silnika. Rozrusznik może również ulec uszkodzeniu. Jeśli silnik nie uruchomi się po 5 sekundach prób, ustaw przełącznik główny w położenie „ON”, odczekaj 10 sekund i spróbuj ponownie.
- Gdy silnik jest zimny, musi zostać rozgrzany.
- Jeśli silnik nie uruchomi się za pierwszym razem, powtórz procedurę. Jeśli silnik nie uruchomi się po 4 lub 5 próbach, lekko otwórz przepustnicę (od 1/8 do 1/4) i spróbuj ponownie.
Dla F15/9.9W
- Ustaw dźwignię zdalnego sterowania w położeniu neutralnym.
UWAGA:
Urządzenie zabezpieczające przed uruchomieniem na biegu uniemożliwia rozruch silnika, z wyjątkiem położenia neutralnego.

- Przymocuj linkę wyłącznika zatrzymania silnika do bezpiecznego miejsca na ubraniu lub do ramienia lub nogi. Następnie zainstaluj płytkę blokującą na drugim końcu linki w wyłączniku zatrzymania silnika.
OSTRZEŻENIE:
- Przymocuj linkę wyłącznika zatrzymania silnika do bezpiecznego miejsca na ubraniu lub do ramienia lub nogi.
- Nie mocuj linki do ubrania, które może się rozerwać. Nie prowadź linki w miejscach, w których może się splątać, uniemożliwiając jej działanie.
- Unikaj przypadkowego pociągnięcia linki podczas normalnej pracy. Utrata mocy silnika wiąże się z utratą kontroli nad sterownością. Ponadto, bez mocy silnika, łódź może gwałtownie zwolnić. Może to spowodować wyrzucenie do przodu osób i przedmiotów znajdujących się na łodzi.
- 3. Obróć przełącznik główny w położenie „ON”.

- Lekko otwórz przepustnicę za pomocą dźwigni przyspieszenia na biegu jałowym (Neutral throttle), bez zmiany biegów. W zależności od temperatury silnika może być konieczna niewielka zmiana otwarcia przepustnicy. Po uruchomieniu silnika cofnij przepustnicę do jej pierwotnego położenia.

UWAGA:
- W manetkach wyposażonych w dźwignię przyspieszenia na luzie, dobrym punktem wyjścia jest podniesienie dźwigni do wyczucia oporu, a następnie podniesienie jej jeszcze trochę.
- Dźwignia przyspieszenia na luzie może być używana tylko wtedy, gdy dźwignia zdalnego sterowania znajduje się w położeniu neutralnym.
- 5. Naciśnij i przytrzymaj przełącznik główny, aby zdalnie uruchomić system ssania (choke). Przełącznik ssania automatycznie wraca do położenia normalnego po zwolnieniu, więc naciśnij i trzymaj przełącznik.
UWAGA:
- Nie ma potrzeby używania ssania, gdy silnik jest ciepły.
- Jeśli ssanie zostanie pozostawione włączone podczas pracy silnika, będzie on pracował nieprawidłowo lub zgaśnie.
- Obróć przełącznik główny w położenie „START” i przytrzymaj maksymalnie 5 sekund.

- Zwolnij przełącznik główny natychmiast po uruchomieniu silnika i pozwól mu wrócić do położenia „ON”.
PRZESTROGA:
- Nigdy nie obracaj przełącznika głównego w położenie „START” podczas pracy silnika.
- Nie uruchamiaj rozrusznik przez czas dłuższy niż 5 sekund. Jeśli rozrusznik będzie pracować ciągle przez ponad 5 sekund, akumulator szybko się rozładuje, co uniemożliwi uruchomienie silnika. Rozrusznik może również ulec uszkodzeniu. Jeśli silnik nie uruchomi się po 5 sekundach prób, ustaw przełącznik główny w położenie „ON”, odczekaj 10 sekund i spróbuj ponownie.
UWAGA:
Gdy silnik jest zimny, musi zostać rozgrzany.
2.6 Rozgrzewanie silnika
- Po uruchomieniu silnika ustaw dźwignię zmiany biegów w położeniu neutralnym. Przez pierwsze około 3 minuty po uruchomieniu rozgrzewaj silnik, uruchamiając go na jednej piątej gazu lub mniej. W przeciwnym razie żywotność silnika ulegnie skróceniu.
PRZESTROGA:
- Jeśli dźwignia ssania pozostanie wyciągnięta po uruchomieniu silnika, silnik zgaśnie.
- Gdy temperatura wynosi -5℃ lub mniej, pozostaw dźwignię ssania całkowicie wyciągniętą przez około 30 sekund po uruchomieniu.
- Sprawdź, czy ze wskaźnika wody chłodzącej wypływa stały strumień wody.

PRZESTROGA:
Jeśli strumień wody nie wypływa w sposób stały podczas pracy silnika, zatrzymaj silnik i sprawdź, czy wlot wody chłodzącej w przekładni lub otwór kontrolny nie są zatkane.
Jeśli nie możesz zlokalizować i rozwiązać problemu, skonsultuj się z dealerem PARSUN.
2.7 Zmiana biegów
OSTRZEŻENIE:
Przed zmianą biegów upewnij się, że w pobliżu w wodzie nie ma kąpiących się osób ani przeszkód.
PRZESTROGA:
Aby przełączyć z biegu do przodu na bieg wsteczny lub odwrotnie, najpierw zamknij przepustnicę (gaz), aby silnik wrócił do obrotów biegu jałowego (lub pracował z niską prędkością).
2.7.1 Bieg do przodu
- Ustaw uchwyt manetki gazu w położeniu całkowicie zamkniętym.

- Przesuń dźwignię zmiany biegów szybko i zdecydowanie z położenia neutralnego do położenia biegu do przodu.

Dla F15/9.9FW
Pociągnij do góry blokadę biegu jałowego i przesuń dźwignię zdalnego sterowania szybko i zdecydowanie z położenia neutralnego do położenia biegu do przodu.

2.7.2 Bieg wsteczny
OSTRZEŻENIE:
Na biegu wstecznym płyń powoli. Nie otwieraj przepustnicy do więcej niż połowy. W przeciwnym razie łódź może stać się niestabilna, co może prowadzić do utraty kontroli i wypadków.
- Ustaw uchwyt manetki gazu w położeniu całkowicie zamkniętym.

- Przesuń dźwignię zmiany biegów szybko i zdecydowanie z położenia neutralnego do położenia biegu wstecznego.

Dla F15/9.9FW
- Sprawdź, czy dźwignia blokady odchylenia znajduje się w położeniu zablokowanym.

- Pociągnij do góry blokadę biegu jałowego i przesuń dźwignię zdalnego sterowania szybko i zdecydowanie z położenia neutralnego do położenia biegu wstecznego.

2.8 Rumpel
- Zmiana kierunku.
Aby zmienić kierunek, przesuń rumpel w lewo lub w prawo zależnie od potrzeb.

- Zmiana prędkości.
Obróć uchwyt w kierunku przeciwnym do ruchu wskazówek zegara, aby zwiększyć prędkość, i w kierunku zgodnym z ruchem wskazówek zegara, aby ją zmniejszyć.
- Wskaźnik położenia przepustnicy.
Wskaźnik położenia przepustnicy znajduje się na uchwycie manetki gazu. Krzywa zużycia paliwa na wskaźniku pokazuje względną ilość paliwa zużywanego w każdym położeniu. Wybierz ustawienie, które zapewnia najlepsze osiągi i oszczędność paliwa dla żądanej operacji.

- Wskaźnik położenia przepustnicy
- Regulator oporu manetki gazu

Regulator oporu przepustnicy znajduje się na rumplu i zapewnia regulowany opór ruchu uchwytu. Można go dostosować do preferencji operatora.
Aby zwiększyć opór, obróć regulator zgodnie z ruchem wskazówek zegara. Aby go zmniejszyć, obróć w kierunku przeciwnym do ruchu wskazówek zegara. Gdy pożądana jest stała prędkość, dokręć regulator, aby utrzymać żądane ustawienie gazu.
OSTRZEŻENIE:
Nie dokręcaj regulatora zbyt mocno. Jeśli opór będzie zbyt duży, przesunięcie dźwigni lub uchwytu gazu może być trudne, co może prowadzić do wypadków.
2.9 Zatrzymywanie silnika
UWAGA:
Przed wyłączeniem silnika pozwól mu ostygnąć przez kilka minut, uruchamiając go na biegu jałowym lub przy niskiej prędkości. Nie zaleca się wyłączania silnika natychmiast po pracy na wysokich obrotach.
- Naciśnij i przytrzymaj przycisk zatrzymania silnika, aż silnik całkowicie się zatrzyma.
UWAGA:
Jeśli silnik zaburtowy jest wyposażony w zrywkę (linkę bezpieczeństwa), silnik można również wyłączyć, pociągając za linkę i usuwając płytkę blokującą z wyłącznika zatrzymania.

- Dokręć śrubę odpowietrzającą w korku zbiornika paliwa.

- Odłącz przewód paliwo.


- Obróć przełącznik główny w położenie „OFF”.


- Dokręć śrubę odpowietrzającą w korku zbiornika paliwa.

- Odłącz przewód paliwo.


2.10 Regulacja kąta trymu silnika
Na wsporniku rufowym znajdują się 4 lub 5 otworów do regulacji kąta trymu silnika zaburtowego.
- Zatrzymaj silnik.
- Wyjmij pręt trymu (trim rod) ze wspornika rufowego, lekko odchylając silnik zaburtowy do góry.

- Umieść pręt w żądanym otworze. Przeprowadź testy na wodzie z różnymi kątami trymu, aby znaleźć pozycję, która najlepiej pasuje do łodzi i warunków użytkowania.
OSTRZEŻENIE:
- Zatrzymaj silnik przed regulacją kąta trymu.
- Uważaj, aby nie przyciąć palców podczas wyjmowania lub instalowania pręta.
- Zachowaj ostrożność podczas testowania pozycji trymu po raz pierwszy. Zwiększaj prędkość stopniowo i zwracaj uwagę na wszelkie oznaki niestabilności lub problemy z kontrolą. Niewłaściwy kąt trymu może spowodować utratę kontroli.
2.11 Odchylanie silnika (Tilt up/down)
Jeśli silnik ma stać przez dłuższy czas lub jeśli łódź znajduje się na płytkiej wodzie, silnik zaburtowy powinien zostać odchylony do góry, aby chronić śrubę napędową i obudowę przed uszkodzeniami spowodowanymi kolizjami z przeszkodami oraz aby zmniejszyć korozję.
OSTRZEŻENIE:
Upewnij się, że nikt nie znajduje się w pobliżu silnika zaburtowego podczas odchylania go do góry lub opuszczania. Ponadto uważaj, aby nie przyciąć żadnej części ciała między jednostką napędową a wspornikiem silnika.
UWAGA:
- Nie odchylaj silnika, pchając za rumpel, ponieważ może to spowodować jego złamanie.
- Silnik zaburtowy nie może zostać odchylony, gdy włączony jest bieg wsteczny.
2.11.1 Odchylanie do góry
- Ustaw dźwignię zmiany biegów w położeniu neutralnym (jeśli dostępna).

- Dokręć śrubę regulacji oporu sterowania, obracając ją zgodnie z ruchem wskazówek zegara, aby zapobiec swobodnemu obracaniu się silnika.

- Odłącz przewód paliwo od silnika zaburtowego.

- Ustaw dźwignię blokady odchylenia (jeśli dostępna) w pozycji wysokiej.

- Chwyć za tylny uchwyt i odchyl silnik całkowicie do góry, aż dźwignia wspornika odchylenia zablokuje się automatycznie.

Dla F15/9.9FW
- Ustaw dźwignię zdalnego sterowania w położeniu neutralnym (jeśli dostępna).

- Odłącz przewód paliwo od silnika zaburtowego.

- Ustaw dźwignię blokady odchylenia (jeśli dostępna) w pozycji wysokiej.

- Chwyć za tylny uchwyt i odchyl silnik całkowicie do góry, aż dźwignia wspornika odchylenia zablokuje się automatycznie.

2.11.2 Opuszczanie w dół
- Lekko odchyl silnik zaburtowy do góry.
- Powoli opuść silnik zaburtowy w dół, ustawiając dźwignię blokady odchylenia w pozycji niskiej.

- Poluzuj śrubę oporu sterowania, obracając ją w kierunku przeciwnym do ruchu wskazówek zegara, i dostosuj opór do preferencji operatora.

OSTRZEŻENIE:
Jeśli opór będzie zbyt duży, sterowanie może być trudne, co może prowadzić do wypadków.
2.12 Pływanie w innych warunkach
2.12.1 Pływanie na płytkich wodach
Silnik zaburtowy można częściowo odchylić do góry, aby umożliwić pracę na płytkich wodach.
OSTRZEŻENIE:
- Przed pływaniem na płytkich wodach lub odchyleniem silnika do góry ustaw dźwignię zmiany biegów w położeniu neutralnym.
- Przywróć silnik zaburtowy do normalnego położenia, gdy łódź znajdzie się ponownie na głębszej wodzie.
PRZESTROGA:
Wlot wody chłodzącej w przekładni nie może znajdować się powyżej powierzchni wody podczas pracy na płytkich wodach. W przeciwnym razie może dojść do poważnych uszkodzeń z powodu przegrzania. Procedurę odchylania opisano w artykule 2.11.
2.12.2 Pływanie w wodzie słonej
Po pracy w wodzie słonej przepłucz kanały wody chłodzącej świeżą wodą, aby zapobiec ich zatkaniu osadami soli.
3. Konserwacja
Podczas użytkowania silnika zaburtowego niezbędna jest okresowa konserwacja, aby zapewnić jego osiągi.
OSTRZEŻENIE:
Upewnij się, że wyłączyłeś silnik podczas wykonywania konserwacji, chyba że określono inaczej. Prace te powinny być zawsze wykonywane przez wykwalifikowanego mechanika lub autoryzowanego dealera Parsun.
PRZESTROGA:
Jeśli wymagane są części zamienne, używaj wyłącznie oryginalnych części PARSUN lub części równoważnych tego samego typu i jakości.
3.1 Smarowanie

3.2 Czyszczenie i regulacja świecy zapłonowej
Niezbędne jest okresowe wyjmowanie i sprawdzanie świecy zapłonowej, ponieważ ciepło i osady powodują jej powolne niszczenie i erozję. W razie potrzeby wymień świecę zapłonową na nową właściwego typu.
Przed zainstalowaniem świecy zmierz odstęp między elektrodami za pomocą szczelinomierza; jeśli to konieczne, dostosuj odległość zgodnie ze specyfikacją.

Podczas instalowania świecy zawsze czyść powierzchnię uszczelki i używaj nowej uszczelki. Usuń brud z gwintów i dokręć świecę odpowiednim momentem.
3.3 Sprawdzanie układu paliwo
- Sprawdź, czy przewody paliwo nie wykazują wycieków, pęknięć lub nieprawidłowego działania. W przypadku wykrycia problemu skonsultuj się z dealerem PARSUN i natychmiast go napraw.


OSTRZEŻENIE:
- Okresowo sprawdzaj obecność wycieków paliwa.
- Jeśli wyciek zostanie wykryty, system musi zostać naprawiony przez wykwalifikowanego mechanika.
- Okresowo sprawdzaj filtr paliwa. Jeśli w filtrze znajdują się obce substancje, wyczyść go.

3.3.1 Czyszczenie filtra paliwa
- Usuń nakrętkę mocującą zespół filtra, jeśli jest dostępna.

- Odkręć obudowę (szklankę) filtra, zbierając rozlane paliwo szmatką.
- Wyjmij element filtracyjny i umyj go w rozpuszczalniku. Pozostaw do wyschnięcia. Sprawdź element i o-ring obudowy, aby upewnić się, że są w dobrym stanie. Wymień je w razie potrzeby. Jeśli w paliwie jest woda, sprawdź i wyczyść przenośny zbiornik.

- Obudowa filtra 2. O-ring 3. Element filtracyjny 4. Korpus filtra
- Ponownie zainstaluj element filtracyjny w obudowie. Upewnij się, że o-ring jest prawidłowo umieszczony. Mocno przykręć obudowę do korpusu.
- Przymocuj zespół filtra do wspornika. Uruchom silnik i sprawdź, czy nie ma wycieków na filtrze i przewodach.
3.4 Sprawdzanie obrotów biegu jałowego
Do tej procedury należy użyć tachometru diagnostycznego. Wyniki mogą się różnić w zależności od tego, czy test jest wykonywany z zestawem do płukania, w tanku testowym czy z silnikiem w wodzie.
- Uruchom silnik i pozwól mu całkowicie się rozgrzać na luzie, aż będzie pracował płynnie.
- Sprawdź, czy obroty jałowe są ustawione zgodnie ze specyfikacją. Bieg jałowy: 950 $\pm$ 50 obr/min
PRZESTROGA:
Prawidłowe sprawdzenie obrotów biegu jałowego jest możliwe tylko wtedy, gdy silnik jest całkowicie rozgrzany. Jeśli tak nie jest, obroty będą wyższe niż normalnie. Jeśli masz trudności ze sprawdzeniem lub regulacją obrotów, skonsultuj się z dealerem PARSUN lub innym wykwalifikowanym mechanikiem.
3.5 Wymiana oleju silnikowego
OSTRZEŻENIE:
- Unikaj spuszczania oleju silnikowego natychmiast po wyłączeniu silnika. Olej jest gorący i należy się z nim obchodzić ostrożnie, aby uniknąć oparzeń.
- Upewnij się, że silnik zaburtowy jest mocno zamocowany na pawęży lub na stabilnym stojaku.
PRZESTROGA:
- Spuść olej silnikowy po pierwszych 10 godzinach pracy, a następnie co 100 godzin lub co 6 miesięcy. W przeciwnym razie silnik szybko się zużyje.
- Spuszczaj olej, gdy jest jeszcze ciepły.
- Ustaw silnik zaburtowy w pozycji pionowej (nie odchylony).

- Przygotuj odpowiedni pojemnik o pojemności większej niż ilość oleju w silniku. Poluzuj i usuń śrubę spustową, trzymając pojemnik pod otworem. Następnie zdejmij korek wlewu. Pozwól olejowi całkowicie spłynąć. Natychmiast wytrzyj rozlany olej.


- Załóż nową uszczelkę na śrubę spustową. Mocno ją dokręć.
- Napełnij odpowiednią ilością oleju przez otwór wlewowy. Załóż korek wlewu.
- Uruchom silnik i upewnij się, że nie ma wycieków oleju.
- Zatrzymaj silnik i odczekaj 3 minuty. Ponownie sprawdź poziom bagnetem, aby upewnić się, że znajduje się między znakami górnym a dolnym.
PRZESTROGA:
Olej należy wymieniać częściej, gdy silnik jest używany w trudnych warunkach, takich jak długotrwałe trollingowanie.
3.6 Sprawdzanie okablowania i połączeń
Sprawdź, czy każdy przewód masowy jest prawidłowo zamocowany i czy każde złącze jest dobrze włożone.
3.7 Sprawdzanie pod kątem wycieków
Sprawdź, czy nie ma wycieków spalin lub wody na uszczelkach między pokrywą wydechu, głowicą a blokiem cylindrów.
Sprawdź, czy nie ma wycieków oleju wokół silnika.
PRZESTROGA:
W przypadku wykrycia wycieków skonsultuj się z dealerem PARSUN.
3.8 Sprawdzanie śruby napędowej
OSTRZEŻENIE:
- Przed inspekcją, demontażem lub montażem śruby napędowej zawsze podejmij kroki zapewniające, że silnik nie uruchomi się przypadkowo, np. zdejmij fajki ze świec, ustaw bieg na luz i wyjmij zrywkę itp. Jeśli silnik uruchomi się w pobliżu śruby, może dojść do poważnych obrażeń.
- Nie trzymaj śruby rękami podczas odkręcania lub dokręcania nakrętki śruby. Włóż drewniany blok między płytę antykawitacyjną a śrubę, aby zapobiec jej obracaniu się.


- Sprawdź każdą z łopat śruby pod kątem zużycia, erozji kawitacyjnej lub innych uszkodzeń.
- Sprawdź, czy wał śruby nie jest uszkodzony.
- Sprawdź wielowypusty lub kołek bezpiecznikowy (shear pin) pod kątem zużycia lub uszkodzeń.
- Sprawdź, czy wokół wału śruby nie owinęła się żyłka wędkarska.
- Sprawdź, czy uszczelniacz olejowy wału nie jest uszkodzony.
3.8.1 Demontaż śruby napędowej
- Wyprostuj zawleczkę i wyciągnij ją szczypcami.
- Zdejmij nakrętkę śruby, podkładkę i tuleję dystansową (jeśli występuje).
- Zdejmij śrubę i podkładkę oporową.
3.8.2 Montaż śruby napędowej
PRZESTROGA:
- Upewnij się, że instalujesz podkładkę oporową przed śrubą, w przeciwnym razie przekładnia i piasta śruby mogą ulec uszkodzeniu.
- Upewnij się, że używasz nowej zawleczki i mocno zginasz jej końce. W przeciwnym razie śruba może poluzować się podczas pracy i zgubić się.
- Nałóż smar morski lub smar odporny na korozję na wał śruby.
- Zainstaluj podkładkę oporową i śrubę na wale.
- Zainstaluj tuleję dystansową (jeśli występuje) i podkładkę.
- Dokręć nakrętkę śruby. Wyrównaj nakrętkę z otworem w wale. Włóż nową zawleczkę i zegnij jej końce.
3.9 Wymiana oleju przekładniowego
OSTRZEŻENIE:
- Upewnij się, że silnik zaburtowy jest mocno zamocowany na pawęży lub na stabilnym stojaku.
- Nigdy nie stój pod przekładnią, gdy silnik jest odchylony, nawet jeśli blokada odchylenia jest włączona. Jeśli silnik by spadł, mogłoby dojść do poważnych obrażeń.
- Odchyl silnik tak, aby śruba spustowa oleju znajdowała się w najniższym możliwym punkcie.
- Umieść odpowiedni pojemnik pod przekładnią.
- Wyjmij śrubę spustową oleju przekładniowego.

- Śruba spustowa 2. Śruba poziomu
PRZESTROGA:
Wymień olej przekładniowy po pierwszych 10 godzinach pracy, a następnie co 100 godzin lub co 6 miesięcy. W przeciwnym razie koła zębate szybko się zużyją.
- Wyjmij śrubę poziomu oleju, aby pozwolić olejowi całkowicie spłynąć.
PRZESTROGA:
Zbadaj zużyty olej. Jeśli olej jest mleczny, oznacza to, że do przekładni dostaje się woda, co może spowodować uszkodzenia. Skonsultuj się z dealerem PARSUN.
- Używając elastycznego urządzenia do napełniania lub urządzenia ciśnieniowego, wstrzyknij olej przez otwór śruby spustowej. (250 cm3)
- Gdy olej zacznie wypływać przez otwór śruby poziomu, włóż i dokręć tę śrubę (jeśli to konieczne, wymień uszczelkę).
- Włóż i dokręć śrubę spustową (jeśli to konieczne, wymień uszczelkę).
3.10 Czyszczenie zbiornika paliwa
OSTRZEŻENIE:
- Trzymaj się z dala od iskier, papierosów, ognia lub innych źródeł zapłonu podczas czyszczenia zbiornika.
- Czyść zbiornik na zewnątrz w dobrze wentylowanym miejscu.
- Wlej niewielką ilość odpowiedniego rozpuszczalnika do zbiornika. Zamknij korek i potrząśnij. Całkowicie spuść rozpuszczalnik do atestowanego pojemnika.
- Powtórz proces.
- Wyjmij zespół złącza paliwo ze zbiornika.
- Wyczyść filtr w odpowiednim rozpuszczalniku i pozwól mu wyschnąć.
- Wymień uszczelkę na nową. Ponownie zainstaluj złącze i dokręć śruby.
3.11 Sprawdzanie i wymiana anod
Okresowo sprawdzaj zewnętrzne anody. Usuń osady z ich powierzchni. Skonsultuj się z dealerem PARSUN w sprawie wymiany zewnętrznych anod.
PRZESTROGA:
Nie maluj anod, ponieważ spowodowałoby to ich nieskuteczność i mogłoby przyspieszyć korozję silnika.

3.12 Sprawdzanie górnej obudowy
Sprawdź dopasowanie górnej obudowy, naciskając ją obiema rękami. Jeśli jest luźna, oddaj ją do naprawy u dealera PARSUN.

3.13 Harmonogram konserwacji
W przypadku użytkowania w normalnych warunkach, przy odpowiedniej konserwacji i naprawach, silnik może pracować prawidłowo przez cały okres użytkowania.
Częstotliwość prac konserwacyjnych może być dostosowana do warunków pracy. Poniższa tabela zawiera ogólne wytyczne.
Symbol „●” oznacza czynności sprawdzające, które można wykonać samodzielnie.
Symbol „○” oznacza prace, które powinien wykonać dealer Parsun.
| Element | Czynność | Pierwsze 10 h (1 mies.) | Pierwsze 50 h (3 mies.) | Co 100 h (6 mies.) | Co 200 h (1 rok) |
|---|---|---|---|---|---|
| Anoda(y) (zewnętrzne) | Sprawdzenie/Wymiana | ● / ○ | ● / ○ | ||
| Anoda(y) (wewnętrzne) | Sprawdzenie/Wymiana | ○ | |||
| Kanały wodne | Czyszczenie | ● | ● | ||
| Zamknięcie obudowy | Sprawdzenie | ● | |||
| Filtr paliwa (jednorazowy) | Sprawdzenie/Czyszczenie | ● | ● | ● | |
| Układ paliwo | Sprawdzenie | ● | ● | ● | |
| Zbiornik paliwa (przenośny) | Sprawdzenie/Czyszczenie | ● | |||
| Olej przekładniowy | Wymiana | ● | ● | ||
| Punkty smarowania | Smarowanie | ● | |||
| Bieg jałowy (gaźnik) | Sprawdzenie/Regulacja | ● / ○ | ● / ○ | ||
| Śruba i zawleczka | Sprawdzenie/Wymiana | ● | ● | ||
| Mechanizm/linka biegów | Sprawdzenie/Regulacja | ○ |
Ciąg dalszy
| Element | Czynność | Pierwsze 10 h (1 mies.) | Pierwsze 50 h (3 mies.) | Co 100 h (6 mies.) | Co 200 h (1 rok) |
|---|---|---|---|---|---|
| Termostat | Sprawdzenie | ○ | |||
| Mechanizm przepustnicy / Zapłon | Sprawdzenie/Regulacja | ○ | |||
| Pompa wody | Sprawdzenie | ○ | |||
| Olej silnikowy | Sprawdzenie/Wymiana | ● | ● | ||
| Filtr oleju | Wymiana | ○ | |||
| Świeca(e) zapłonowa(e) | Czys./Regulacja/Wymiana | ● | ● | ||
| Pasek rozrządu | Sprawdzenie/Wymiana | ○ | ○ | ||
| Luz zaworowy | Sprawdzenie/Regulacja | ○ | ○ |
UWAGA:
Podczas pracy w słonej, mętnej lub błotnistej wodzie silnik należy przepłukać czystą wodą po każdym użyciu.
4 Transport i przechowywanie
4.1 Transport
Silnik zaburtowy powinien być transportowany i przechowywany w normalnej pozycji roboczej. Jeśli w tej pozycji nie ma wystarczającego prześwitu, transportuj go z urządzeniem podtrzymującym silnik.
PRZESTROGA:
Nie używaj dźwigni blokady odchylenia podczas transportu łodzi. Silnik może się poluzować i spaść.
OSTRZEŻENIE:
- Nigdy nie stój pod przekładnią, gdy silnik jest odchylony, nawet jeśli używasz drążka podtrzymującego.
- Podczas transportu lub przechowywania silnika poza łodzią trzymaj go w określonej pozycji.
PRZESTROGA:
- Włóż ręcznik lub coś podobnego pod silnik, aby go chronić.
- Nie kładź silnika na boku przed całkowitym spuszczeniem oleju, w przeciwnym razie olej dostanie się do cylindra i spowoduje problemy.



4.2 Przechowywanie
Przechowując silnik PARSUN przez dłuższy czas (2 miesiące lub dłużej), należy przestrzegać kilku ważnych procedur.
Zaleca się, aby dealer PARSUN przeprowadził konserwację przed przechowywaniem. Jednakże poniższe procedury może wykonać właściciel za pomocą podstawowych narzędzi.
PRZESTROGA:
- Trzymaj silnik pionowo podczas transportu i przechowywania. Jeśli jest przechowywany na boku, podeprzyj go na poduszce po spuszczeniu oleju.
- Nie kładź go na boku, dopóki woda chłodząca nie zostanie całkowicie spuszczona.
- Przechowuj silnik w suchym, dobrze wentylowanym miejscu, z dala od bezpośredniego światła słonecznego.
- Umyj obudowę z zewnątrz świeżą wodą.
- Odłącz paliwo i dokręć śrubę odpowietrzającą.
- Zdejmij górną obudowę i pokrywę tłumika.
- Zamontuj silnik w tanku testowym.

- Minimalny poziom wody
- Napełnij świeżą wodą powyżej płyty antykawitacyjnej.
PRZESTROGA:
Jeśli poziom wody jest niższy niż płyta lub zasilanie jest niewystarczające, silnik może się zatrzeć.
- Uruchom silnik. Przepłucz układ. Wykonaj jednoczesne płukanie i smarowanie konserwacyjne (fogging), aby zapobiec rdzewieniu.
OSTRZEŻENIE:
- Nie dotykaj części elektrycznych podczas rozruchu lub pracy.
- Trzymaj ręce, włosy i ubranie z dala od obracających się części podczas pracy silnika.
- 7. Uruchom silnik na wysokim biegu jałowym na luzie przez kilka minut.
- Tuż przed wyłączeniem rozpyl olej konserwujący (fogging oil) do każdego gaźnik lub otworów w pokrywie tłumika.
- Jeśli nie masz oleju konserwującego, pozwól silnikowi pracować do wyczerpania paliwa i zatrzymania się.
- Jeśli nie masz oleju konserwującego, wyjmij świece. Wlej łyżeczkę czystego oleju do każdego cylindra. Przekręć silnik ręcznie kilka razy. Zainstaluj świece.
- Całkowicie spuść paliwo ze zbiornika.
PRZESTROGA:
Przechowuj zbiornik paliwa w suchym i dobrze wentylowanym miejscu.
5. Środki doraźne
5.1 Uszkodzenia od uderzeń
Jeśli silnik uderzy w przedmiot w wodzie, postępuj zgodnie z tą procedurą.
- Natychmiast zatrzymaj silnik.
- Zainspiruj cały system pod kątem uszkodzeń.
- Niezależnie od tego, czy wykryjesz uszkodzenia, wracaj powoli i ostrożnie do portu.
- Zleć dealerowi PARSUN inspekcję przed ponownym użyciem.
5.2 Rozrusznik nie działa
Jeśli mechanizm rozruchowy zawiedzie, silnik można uruchomić za pomocą linki awaryjnej.
OSTRZEŻENIE:
- Używaj tego tylko w sytuacji awaryjnej, aby wrócić do portu.
- Podczas korzystania z linki awaryjnej zabezpieczenie przed rozruchem na biegu nie działa. Upewnij się, że silnik jest na luzie.
- Upewnij się, że nikt nie stoi za Tobą podczas ciągnięcia za linkę.
- Nie montuj mechanizmu rozruchowego ani obudowy przy pracującym silniku. Trzymaj ubrania z daleka. Nie dotykaj koła zamachowego.
Nie dotykaj cewki zapłonowej ani żadnych elementów elektrycznych podczas pracy silnika.
Procedura jest następująca:
- Zdejmij górną obudowę.
- Zdejmij linkę blokady rozruchu oraz linkę ssania.

- Linka blokady rozruchu
- Zdejmij rozrusznik, luzując trzy śruby.

- Przygotuj silnik do rozruchu. Patrz artykuł 2.5.
- Włóż węzeł linki w wycięcie koła zamachowego i owiń ją kilka razy zgodnie z ruchem wskazówek zegara.
- Pociągnij delikatnie do wyczucia oporu.

- Pociągnij mocno i prosto. Powtórz w razie potrzeby.
5.3 Postępowanie z zalany silnikiem
Jeśli silnik zostanie zalany (zatopiony), natychmiast dostarcz go do dealera PARSUN. Korozja zaczyna się niemal natychmiast.
- Dokładnie opłucz go świeżą wodą.
- Wyjmij świece i ustaw otwory w dół, aby opróżnić błoto lub wodę.
- Spuść paliwo z całego systemu. Spuść olej silnikowy.
- Napełnij skrzynię korbową świeżym olejem.
- Wprowadź olej konserwujący lub silnikowy przez gaźnik i otwory świec, obracając silnik ręcznie.
- Jak najszybciej dostarcz silnik do dealera PARSUN.
PRZESTROGA:
Nie próbuj uruchamiać silnika, dopóki nie zostanie sprawdzony.
6. Rozwiązywanie problemów
| Rodzaj usterki | Możliwa przyczyna | Działanie naprawcze |
|---|---|---|
| Rozrusznik nie działa | Wadliwe części rozrusznik | Naprawa przez dealera |
| Rozrusznik nie działa | Dźwignia biegów nie na luzie | Ustaw na luz (N) |
| Silnik nie startuje (rozrusznik kręci) | Pusty zbiornik paliwa | Napełnij czystym, świeżym paliwem |
| Silnik nie startuje (rozrusznik kręci) | Zanieczyszczone lub stare paliwo | Napełnij czystym paliwem |
| Silnik nie startuje (rozrusznik kręci) | Zatkany filtr paliwa | Wyczyść lub wymień |
| Silnik nie startuje (rozrusznik kręci) | Wadliwa pompa paliwa | Naprawa przez dealera |
| Silnik nie startuje (rozrusznik kręci) | Brudne świece lub niewłaściwy typ | Sprawdź świece. Wyczyść lub wymień |
| Silnik nie startuje (rozrusznik kręci) | Źle założone fajki świec | Sprawdź i załóż poprawnie |
| Silnik nie startuje (rozrusznik kręci) | Uszkodzone okablowanie zapłonu | Sprawdź i dokręć lub wymień |
| Silnik nie startuje (rozrusznik kręci) | Wadliwe części zapłonu | Naprawa przez dealera |
| Silnik nie startuje (rozrusznik kręci) | Zrywka niepodłączona | Podłącz zrywkę |
| Silnik nie startuje (rozrusznik kręci) | Wewnętrzne uszkodzenie silnika | Naprawa przez dealera |
| Nierówny jałowy lub gaśnięcie | Brudne świece lub niewłaściwy typ | Sprawdź świece. Wyczyść lub wymień |
| Nierówny jałowy lub gaśnięcie | Zator w układzie paliwo | Sprawdź przewody czy nie są skręcone |
| Nierówny jałowy lub gaśnięcie | Zanieczyszczone lub stare paliwo | Napełnij czystym paliwem |
| Nierówny jałowy lub gaśnięcie | Zatkany filtr paliwa | Wyczyść lub wymień |
| Nierówny jałowy lub gaśnięcie | Niewłaściwy odstęp elektrod | Sprawdź i wyreguluj |
| Nierówny jałowy lub gaśnięcie | Zapłon – luźne lub uszkodzone kable | Sprawdź i dokręć lub wymień |
| Nierówny jałowy lub gaśnięcie | Nie użyto zalecanego oleju | Sprawdź i wymień |
| Nierówny jałowy lub gaśnięcie | Wadliwy/zatkany termostat | Naprawa przez dealera |
| Nierówny jałowy lub gaśnięcie | Niewłaściwe nastawy gaźnik | Naprawa przez dealera |
| Nierówny jałowy lub gaśnięcie | Zatkany gaźnik | Naprawa przez dealera |
| Nierówny jałowy lub gaśnięcie | Uszkodzona pompa paliwa | Naprawa przez dealera |
| Nierówny jałowy lub gaśnięcie | Zamknięta śruba odpowietrzająca | Otwórz śrubę |
| Nierówny jałowy lub gaśnięcie | Złe połączenie paliwo | Połącz poprawnie |
| Nierówny jałowy lub gaśnięcie | Niewłaściwa regulacja manetki | Naprawa przez dealera |
| Nierówny jałowy lub gaśnięcie | Ssanie wyciągnięte | Wciśnij ssanie |
| Nierówny jałowy lub gaśnięcie | Kąt silnika zbyt wysoki | Ustaw w pozycji normalnej |
| Utrata mocy silnika | Uszkodzona śruba napędowa | Naprawa lub wymiana |
| Utrata mocy silnika | Niewłaściwy kąt trymu | Wyreguluj kąt trymu |
| Utrata mocy silnika | Niewłaściwa wysokość montażu | Ustaw właściwą wysokość |
| Utrata mocy silnika | Brudny kadłub (glony, muszle) | Wyczyść kadłub |
| Utrata mocy silnika | Glony lub inne na przekładni | Wyczyść stopę silnika |
| Utrata mocy silnika | Brudne świece lub niewłaściwy typ | Sprawdź i wymień |
| Utrata mocy silnika | Zator w układzie paliwo | Sprawdź przewody |
| Utrata mocy silnika | Zatkany filtr paliwa | Wyczyść lub wymień |
| Utrata mocy silnika | Zanieczyszczone lub stare paliwo | Napełnij czystym paliwem |
| Utrata mocy silnika | Niewłaściwy odstęp elektrod | Sprawdź i wyreguluj |
| Utrata mocy silnika | Zapłon – luźne lub uszkodzone kable | Sprawdź i dokręć lub wymień |
| Utrata mocy silnika | Awaria części zapłonu | Naprawa przez dealera |
| Utrata mocy silnika | Nie użyto zalecanego oleju | Sprawdź i wymień |
| Utrata mocy silnika | Wadliwy/zatkany termostat | Naprawa przez dealera |
| Utrata mocy silnika | Zamknięta śruba odpowietrzająca | Otwórz śrubę |
| Utrata mocy silnika | Wadliwa pompa paliwa | Naprawa przez dealera |
| Utrata mocy silnika | Złe połączenie paliwo | Połącz poprawnie |
| Utrata mocy silnika | Niewłaściwe świece | Wymień na zalecane |
| Nadmierne wibracje silnika | Uszkodzona śruba napędowa | Naprawa lub wymiana |
| Nadmierne wibracje silnika | Uszkodzony wał śruby | Naprawa przez dealera |
| Nadmierne wibracje silnika | Glony na śrubie | Wyczyść śrubę |
| Nadmierne wibracje silnika | Luźna śruba montażowa silnika | Dokręć śrubę |
| Nadmierne wibracje silnika | Luźny sworzeń steru | Dokręć sworzeń |
| Nadmierne wibracje silnika | Uszkodzony sworzeń steru | Naprawa przez dealera |
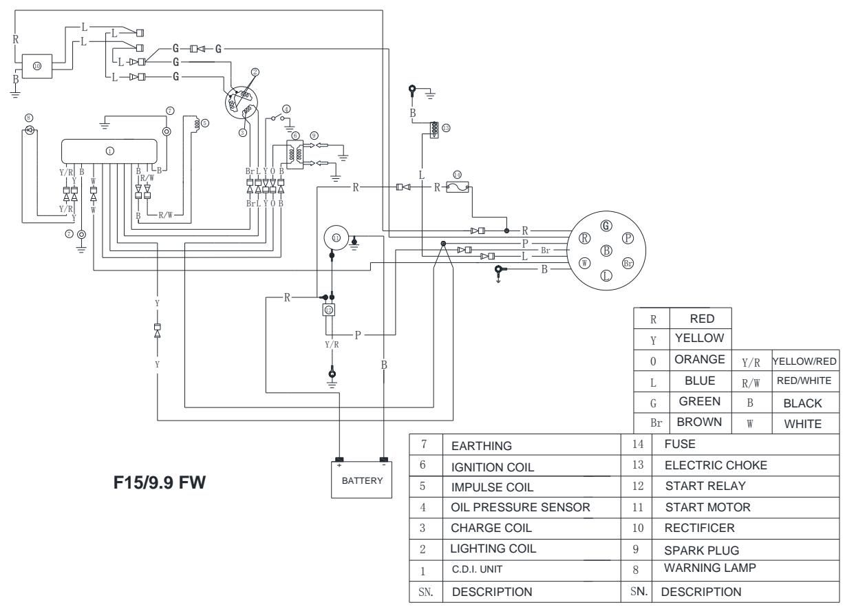
Schemat elektryczny
F15/9.9BM

| 1 | C.D.I. | R: | czerwony |
|---|---|---|---|
| 2 | CEWKA ŚWIETLNA | Y: | żółty |
| 3 | CEWKA ŁADOWANIA | O: | pomarańczowy |
| 4 | CIŚNIENIE OLEJU | L: | niebieski |
| 5 | CEWKA IMPULSATORA | G: | zielony |
| 6 | CEWKA ZAPŁONOWA | B: | czarny |
| 7 | WYŁĄCZNIK ZATRZYMANIA | W: | biały |
| 8 | MASA (UZIEMIENIE) | Br: | brązowy |
| 9 | LAMPKA OSTRZEGAWCZA | Y/R: | żółto/czerwony |
| 10 ŚWIECA ZAPŁONOWA | R/W: | czerwono/biały |
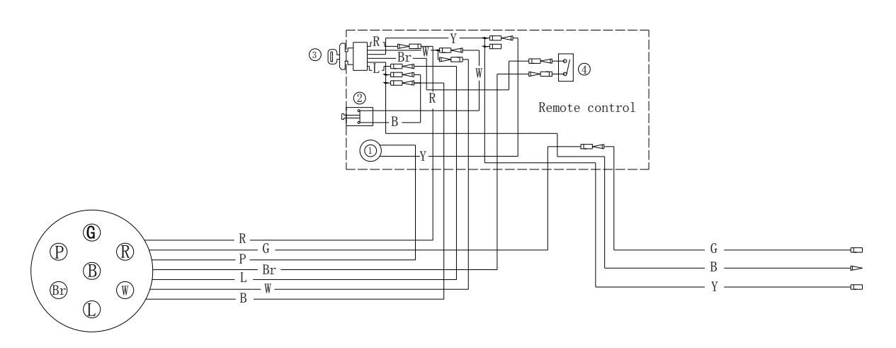
F15/9.9BM
F15/9.9BW

F15/9.9FW


| R | czerwony | 4 | Przełącznik | ||
|---|---|---|---|---|---|
| Y | żółty | Y/R | żółto/czerwony | 3 | Zapłon |
| L | niebieski | R/W | czerwono/biały | 2 | Wyłącznik zatrzymania silnika |
| G | zielony | В | czarny | 1 | Brzęczyk (Buzzer) |
| Br | brązowy | W | biały | NR | OPIS |